Produktübersicht ausklappen

Produktübersicht

0

Anfrage

weitere Artikel anfragen

Ihre Anfrage

Gern erhalten Sie Informationen zu folgenden Produkten:

Artikel

Sie können vorher alle Produkte nochmal bearbeiten

Artikel

Sie können vorher alle Produkte nochmal bearbeiten

Produktbild

strawa Comfort Mischstation FBM-63-H-WMZ-C69 4 Hkr.

strawa Comfort Mischstation FBM-63-H-WMZ-C69 4 Hkr.,BxHxT: 900x775x122 mm, Mischg. m 3P SM mit Pumpe, horz. AG m. WMZ, Verteiler mit DFA 0-3 l/min + THV M30x1,5, Comfort-UP-Schrank m. Frontbl. RAL 9016

Artikelnummer: 5402300304

Warengruppe: 540

Listenpreis: 1.616,30 €

Anfragen/Merken

Sie können sich im nächsten Schritt für die ausgewählten Produkte alle Downloaddokumente zusammenstellen die Sie benötigen oder direkt eine Bestellanfrage stellen.

Beschreibung
Artikeldaten
Downloads
Zubehör
Ersatzteile
Beschreibung
Ausschreibungstext
Langtext

strawa Comfort Mischstation FBM-63-H-WMZ-C69 4 Hkr.

strawa Comfort Mischstation FBM-63-H-WMZ-C69 4 Hkr.




      1. Beschreibung:
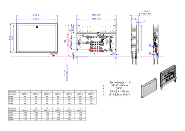
        Die Mischstation für Flächenheizung ist mit einer witterungsgeführten Vorlauf-Temperaturregelung (Regler nicht im Lieferumfang) ausgestattet. Die im Unterputzschrank montierte Mischgruppe umfasst eine Umwälzpumpe, einen Edelstahlverteiler mit regulierbaren Durchflussanzeigern und Ventileinsätzen (M30x1,5), sowie eine horizontale Anschlussgarnitur mit Wärmezählerverrohrung. Es gibt Platzhaltungen für Wasserzählereinbaustrecken, eine Klemmleiste und Stellantriebe.
      2. Bestandteile:

        1. Mischgruppe:
          • Mischventil mit 3-Punkt-Stellmotor 230 V und Tauchfühler für witterungsgeführte Vorlauf-Temperaturregelung
          • Temperaturbegrenzer voreingestellt auf 60 °C
          • Beimischung aus Sekundärkreislauf über Regulierventil
          • Thermometer 20-60 °C
          • Pumpe Wilo Para 15-130/6-43/SC-12
          • Rückschlagventil im Sekundärkreis
        2. Anschlussverteiler:
          • Anschlussverteiler e-class 63
          • Vor- und Rücklaufbalken aus profiliertem Edelstahlprofil DN 32
          • SFE-Ventil (Spül-, Füll- und Entleerventil) im Vorlauf- und Rücklaufbalken
          • Vorlaufbalken mit Regolux Durchflussanzeiger 0-3 l/min mit Memoryfunktion (Kvs=1,23 m³/h)
          • Rücklaufbalken mit Ventileinsätzen VA mit Anschlussgewinde 30x1,5 (Kvs=2,56 m³/h)
          • verzinkte Einzelwandhalter
          • Befestigungsschellen mit Schalldämmeinlage, erfüllt DIN 4109
          • Flachdichtungen Centellen WS 3825 gelb
          • selbstklebende Beschriftungsaufkleber für Räume mit Bezeichnung Raum und Durchfluss
        3. Anschlussgarnitur:
          • Wärmezählerdistanzrohr 3/4" Länge 110 mm
          • Kugelhahn DN 20 mit Fühlereinbaustück D=5-5,2mm M10x1 im Vor- und Rücklauf
          • zweiter Kugelhahn DN 20 im Rücklauf
        4. Schrank:
          • Comfort-UP-Schrank C69
          • verzinkte Einbauzarge Tiefe 110 mm
          • höhenverstellbare Füße bis 130 mm
          • Fronblende mit Stecktür in weiß RAL 9016 mit Stecklaschen und Drehriegel
          • Tiefe: 110-150 mm
          • Höhe: 760-890 mm
          • Nischeneinbauhöhe von OKFFB: 720 mm
          • Nischeneinbaubreite Schrankbreite + 20 mm
      3. Technische Daten:
        • ausreichend für ca. 200 m² beheizte Fläche, abhängig vom Wärmebedarf
        • max. Volumenstrom: 2,14 m³/h
        • max. Primär-Betriebstemperatur: 80 °C
        • max. Sekundär-Betriebstemperatur: 20-50 °C
        • max. Betriebsdruck: 4 bar
      4. Anschluesse:

        1. Heizung-Primäranschluss:
          • links oder optional rechts, horizontal mit 3/4" IG
        2. Heizung-Sekundäranschluss:
          • vertikal mit 3/4" AG und Konus
        3. Elektroanschluss:
          • bauseits muss ein abgesicherter Elektroanschluss 230 V vorgesehen werden
          • für den Anschluss von Raumthermostaten muss bauseits ein Elektrokabel mit mindestens 4 Adern pro Raumthermostat vorgesehen werden



Artikelspezifikation:
4 Heizkreise
Artikelabmessung: B x H x T: 900 x 775 x 122 mm
Artikelgewicht: 23,647 kg

Marke: strawa
Hersteller: strawa Wärmetechnik GmbH
Telefon: +49 (0) 36256 8661-0 
E-Mail: info@strawa.com
Technische Änderungen vorbehalten.
oder gleichwertig

strawa Comfort Mischstation FBM-63-H-WMZ-C69 4 Hkr.




      1. Beschreibung:
        Die Mischstation für Flächenheizung ist mit einer witterungsgeführten Vorlauf-Temperaturregelung (Regler nicht im Lieferumfang) ausgestattet. Die im Unterputzschrank montierte Mischgruppe umfasst eine Umwälzpumpe, einen Edelstahlverteiler mit regulierbaren Durchflussanzeigern und Ventileinsätzen (M30x1,5), sowie eine horizontale Anschlussgarnitur mit Wärmezählerverrohrung. Es gibt Platzhaltungen für Wasserzählereinbaustrecken, eine Klemmleiste und Stellantriebe.
      2. Bestandteile:

        1. Mischgruppe:
          • Mischventil mit 3-Punkt-Stellmotor 230 V und Tauchfühler für witterungsgeführte Vorlauf-Temperaturregelung
          • Temperaturbegrenzer voreingestellt auf 60 °C
          • Beimischung aus Sekundärkreislauf über Regulierventil
          • Thermometer 20-60 °C
          • Pumpe Wilo Para 15-130/6-43/SC-12
          • Rückschlagventil im Sekundärkreis
        2. Anschlussverteiler:
          • Anschlussverteiler e-class 63
          • Vor- und Rücklaufbalken aus profiliertem Edelstahlprofil DN 32
          • SFE-Ventil (Spül-, Füll- und Entleerventil) im Vorlauf- und Rücklaufbalken
          • Vorlaufbalken mit Regolux Durchflussanzeiger 0-3 l/min mit Memoryfunktion (Kvs=1,23 m³/h)
          • Rücklaufbalken mit Ventileinsätzen VA mit Anschlussgewinde 30x1,5 (Kvs=2,56 m³/h)
          • verzinkte Einzelwandhalter
          • Befestigungsschellen mit Schalldämmeinlage, erfüllt DIN 4109
          • Flachdichtungen Centellen WS 3825 gelb
          • selbstklebende Beschriftungsaufkleber für Räume mit Bezeichnung Raum und Durchfluss
        3. Anschlussgarnitur:
          • Wärmezählerdistanzrohr 3/4" Länge 110 mm
          • Kugelhahn DN 20 mit Fühlereinbaustück D=5-5,2mm M10x1 im Vor- und Rücklauf
          • zweiter Kugelhahn DN 20 im Rücklauf
        4. Schrank:
          • Comfort-UP-Schrank C69
          • verzinkte Einbauzarge Tiefe 110 mm
          • höhenverstellbare Füße bis 130 mm
          • Fronblende mit Stecktür in weiß RAL 9016 mit Stecklaschen und Drehriegel
          • Tiefe: 110-150 mm
          • Höhe: 760-890 mm
          • Nischeneinbauhöhe von OKFFB: 720 mm
          • Nischeneinbaubreite Schrankbreite + 20 mm
      3. Technische Daten:
        • ausreichend für ca. 200 m² beheizte Fläche, abhängig vom Wärmebedarf
        • max. Volumenstrom: 2,14 m³/h
        • max. Primär-Betriebstemperatur: 80 °C
        • max. Sekundär-Betriebstemperatur: 20-50 °C
        • max. Betriebsdruck: 4 bar
      4. Anschluesse:

        1. Heizung-Primäranschluss:
          • links oder optional rechts, horizontal mit 3/4" IG
        2. Heizung-Sekundäranschluss:
          • vertikal mit 3/4" AG und Konus
        3. Elektroanschluss:
          • bauseits muss ein abgesicherter Elektroanschluss 230 V vorgesehen werden
          • für den Anschluss von Raumthermostaten muss bauseits ein Elektrokabel mit mindestens 4 Adern pro Raumthermostat vorgesehen werden



Artikelspezifikation:
4 Heizkreise
Artikelabmessung: B x H x T: 900 x 775 x 122 mm
Artikelgewicht: 23,647 kg

GTIN: 4061323087341
Warennummer: 84198998
Werksartikelnummer: 5402300304
Warengruppe: 540
URL: https://www.strawa.com/produkt/5402300304

Marke: strawa

Hersteller: strawa Wärmetechnik GmbH
Telefon: +49 (0) 36256 8661-0 
E-Mail: info@strawa.com
Technische Änderungen vorbehalten.
oder gleichwertig

Gewähltes Fabrikat und Typ: ...........................................
….....................................................................................
(vom Bieter auszufüllen)

zur Lieferung und betriebsfertigen Montage
________________________________________
Kostengruppe DIN 276 (2018-12):  422 Wärmeverteilnetze

Leistungsbereich STLB-Bau (2021-04): 041 Wärmeversorgungsanlagen - Leitungen, Armaturen, Heizflächen

Ausschreibungstexte

strawa Comfort Mischstation
FBM-63-H-WMZ-C69 4 Hkr.

Mischgruppe mit 3-Punkt-Stellmotor 230 V und Pumpe Wilo Para 15-130/6-43/SC-12, horizontale Anschlussgarnitur mit Wärmezählerverrohrung, Verteiler mit Durchflussanzeiger 0-3 l/min im Vorlaufbalken und Thermostatventileinsatz M30x1,5 im Rücklaufbalken, Comfort-Unterputz-Schrank mit Frontblende RAL 9016

4 Heizkreise
Abmessung B x H x T:
900 x 775 x 122 mm
Artikelgewicht: 23,647 kg
Werksartikelnummer: 5402300304
Warennummer: 84198998
Warengruppe: 540

Hersteller: strawa Wärmetechnik GmbH
Telefon: +49 (0) 36256 8661-0 
E-Mail: info@strawa.com
Technische Änderungen vorbehalten.
oder gleichwertig

Logistische Daten
ETIM / Technische Daten

Produkteigenschaften

Stammdaten

EinheitPCE

GTIN4061323087341

Listenpreis1.616,30 €

Mindesbestellmenge1

ArtikeltypStandard

HerkunftslandDeutschland

Zolltarifnummer84198998

Standardversand (Tage)3

Elektrische BestandteileJa

BatterieNein

Artikelabmessungen

Breite (mm)875

Höhe (mm)760

Tiefe (mm)110

Gewicht (kg)23,647

Verpackungsabmessungen

Breite (mm)785

Höhe (mm)165

Tiefe (mm)910

Gewicht (kg)25,417

Merkmale

Klassifizierung ETIM 9

Anschlussart Primärseite 2-rohrig

Geeignet für Kühlen nein

Werkstoff rostfreier Stahl

Position primärer Anschluss links

Primärer Anschluss Innengewinde (metrisch)

Nenndurchmesser primär 3/4 Zoll (20)

Mit Ventilen am Primäranschluss ja

Max. Heizleistung (bei Primär dT = 20K) 16.7 kW

Mediumtemperatur (Dauerbetrieb) 30 - 80 °C

Max. Arbeitsdruck 4 bar

Mit Mischventil ja

Erweiterbar nein

Max. Anzahl zusätzlicher Heizkreise 0

Multi-Zonen-Verteiler nein

Mit Temperaturbegrenzung ja

Mit Rückschlagklappe ja

Mit Umwälzpumpe ja

Art der Pumpe (interne Pumpe) AC

Druckstufe Artikel PN 4

Mit Regler nein

Hydraulischer Abgleich statisch

Volumenstrommessung analog

Mit Thermometer ja

Temperaturmessung Zufuhr ohne

Temperatue measurement Rücklauf ohne

Versorgungsspannung 230 V

Mit Entlüftung ja

Mit Manometer nein

Mit Füll-/Entleerungshahn ja

Anzahl der Gruppen sekundär 4

Sekundärer Anschluss Eurokonus nach EN 16313

Nenndurchmesser sekundär 3/4 Zoll (20)

Verschließbare Heizkreise ja

Mit Durchflussanzeige ja

Durchflussleistung 0 - 180 l/min

Mit thermischem Stellantrieb nein

Hublänge Antrieb 4 mm

Mit Keramikventil nein

Mit Wandbefestigungsbügel nein

Breite

Höhe

Tiefe

Mit Umbau ja

Passendes Zubehör

Sie benötigen Informationen?

Unser Team berät Sie kompetent zu unseren Produkten oder hilft Ihnen bei Auslegungen und Bestellungen. Vereinbaren Sie hier einen Rückruf.

Kontakt