Produktübersicht ausklappen

Produktübersicht

0

Anfrage

weitere Artikel anfragen

Ihre Anfrage

Gern erhalten Sie Informationen zu folgenden Produkten:

Artikel

Sie können vorher alle Produkte nochmal bearbeiten

Artikel

Sie können vorher alle Produkte nochmal bearbeiten

Produktbild

strawa Comfort Anschlussstation FBH-63-V-WMZ-C69 4 Hkr.

strawa Comfort Anschlussstation FBH-63-V-WMZ-C69 4 Hkr.,BxHxT: 515x775x122 mm, vert. AG. m. WMZ, Verteiler mit DFA 0-3 l/min + THV M30x1,5, Comfort-UP-Schrank mit Frontblende in RAL 9016

Artikelnummer: 5202400304

Warengruppe: 520

Listenpreis: 513,00 €

Anfragen/Merken

Sie können sich im nächsten Schritt für die ausgewählten Produkte alle Downloaddokumente zusammenstellen die Sie benötigen oder direkt eine Bestellanfrage stellen.

Beschreibung
Artikeldaten
Downloads
Zubehör
Ersatzteile
Beschreibung
Ausschreibungstext
Langtext

strawa Comfort Anschlussstation FBH-63-V-WMZ-C69 4 Hkr.

strawa Comfort Anschlussstation FBH-63-V-WMZ-C69 4 Hkr.




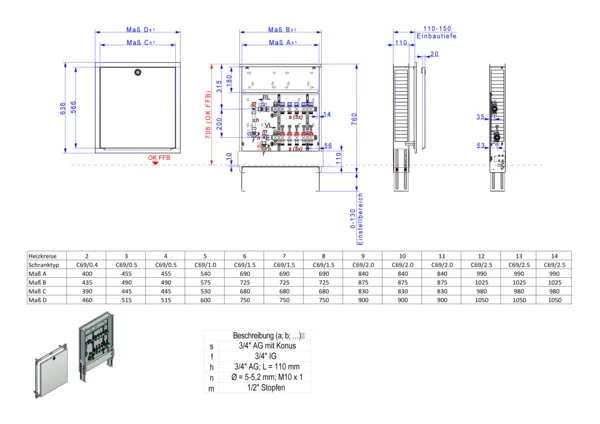
      1. Beschreibung:
        Anschlussstation für Flächenheizung und -kühlung, im Unterputzschrank montierter Edelstahlverteiler mit regulierbaren Durchflussanzeigern und Ventileinsätzen (M30x1,5), vertikale Anschlussgarnitur mit Wärmezählerverrohrung, Platzhaltung für Wasserzählereinbaustrecke, Klemmleiste und Stellantriebe.
      2. Bestandteile:

        1. Anschlussverteiler:
          • Anschlussverteiler e-class 63
          • Vor- und Rücklaufbalken aus profiliertem Edelstahlprofil DN 32
          • SFEE-Ventil (Spül-, Füll-, Entleer- und Entlüftungsventil) im Vorlauf- und Rücklaufbalken
          • Vorlaufbalken mit Regolux Durchflussanzeiger 0-3 l/min mit Memoryfunktion (Kvs=1,23 m³/h)
          • Rücklaufbalken mit Ventileinsätzen VA mit Anschlussgewinde 30x1,5 (Kvs=2,56 m³/h)
          • verzinkte Doppelwandhalter, Abstand der Vor- und Rücklaufverteilerbalken 200 mm
          • Befestigungsschellen mit Schalldämmeinlage, erfüllt DIN 4109
          • Flachdichtungen Centellen WS 3825 gelb
          • selbstklebende Beschriftungsaufkleber für Räume mit Bezeichnung Raum und Durchfluss
        2. Anschlussgarnitur:
          • Wärmezählerdistanzrohr 3/4" Länge 110 mm
          • 90° Winkelanschlussstück
          • Kugelhahn DN 20 mit Fühlereinbaustück D=5-5,2mm M10x1 im Vor- und Rücklauf
          • zweiter Kugelhahn DN 20 im Rücklauf
        3. Schrank:
          • Comfort-UP-Schrank C69
          • verzinkte Einbauzarge Tiefe 110 mm, höhenverstellbare Füße bis 130 mm
          • Fronblende mit Stecktür in weiß RAL 9016, mit Stecklaschen und Drehriegel
          • Tiefe: 110-150 mm
          • Höhe: 760-890 mm
          • Nischeneinbauhöhe von OKFFB: 720 mm
          • Nischeneinbaubreite Schrankbreite + 20 mm
      3. Technische Daten:
        • max. Volumenstrom: 2,14 m³/h
        • max. Betriebstemperatur: 70 °C
        • max. Betriebsdruck: 4 bar
        • Kvs-Wert pro Heizkreis: 1,07 m³/h
      4. Anschluesse:

        1. Heizung-Primäranschluss:
          • links oder optional rechts, vertikal mit 3/4" IG
        2. Heizung-Sekundäranschluss:
          • vertikal mit 3/4" AG und Konus
        3. Elektroanschluss:
          • bauseits muss ein abgesicherter Elektroanschluss 230 V vorgesehen werden
          • für den Anschluss von Raumthermostaten muss bauseits ein Elektrokabel mit mindestens 4 Adern pro Raumthermostat vorgesehen werden



Artikelspezifikation:
4 Heizkreise
Artikelabmessung: B x H x T: 515 x 775 x 122 mm
Artikelgewicht: 13,795 kg

Marke: strawa
Hersteller: strawa Wärmetechnik GmbH
Telefon: +49 (0) 36256 8661-0 
E-Mail: info@strawa.com
Technische Änderungen vorbehalten.
oder gleichwertig

strawa Comfort Anschlussstation FBH-63-V-WMZ-C69 4 Hkr.




      1. Beschreibung:
        Anschlussstation für Flächenheizung und -kühlung, im Unterputz-Schrank montierter Edelstahlverteiler mit regulierbaren Durchflussanzeigern und Ventileinsätzen (M30×1,5), vertikale Anschlussgarnitur mit Wärmezählerverrohrung, Platzhaltung für Wasserzählereinbaustrecke, Klemmleiste und Stellantriebe
      2. Bestandteile:

        1. Anschlussverteiler:
          • Anschlussverteiler e-class 63
          • Vor- und Rücklaufbalken aus profiliertem Edelstahlprofil DN 32
          • SFEE-Ventil (Spül-, Füll-, Entleer- und Entlüftungsventil) im Vorlauf- und Rücklaufbalken
          • Vorlaufbalken mit Regolux Durchflussanzeiger 0–3 l/min mit Memoryfunktion (Kvs = 1,23 m³/h)
          • Rücklaufbalken mit Ventileinsätzen VA mit Anschlussgewinde 30×1,5 (Kvs = 2,56 m³/h)
          • verzinkte Doppelwandhalter, Abstand der Vor- und Rücklaufverteilerbalken 200 mm
          • Befestigungsschellen mit Schalldämmeinlage, erfüllt DIN 4109
          • Flachdichtungen Centellen WS 3825 gelb
          • selbstklebende Beschriftungsaufkleber für Räume mit Bezeichnung Raum und Durchfluss
        2. Anschlussgarnitur:
          • Wärmezählerdistanzrohr 3/4" Länge 110 mm
          • 90°-Anschlusswinkel
          • Kugelhahn DN 20 mit Fühlereinbaustück D = 5–5,2 mm M10×1 im Vor- und Rücklauf
          • zweiter Kugelhahn DN 20 im Rücklauf
        3. Schrank:
          • Comfort-UP-Schrank C69
          • verzinkte Einbauzarge Tiefe 110 mm, höhenverstellbare Füße bis 130 mm
          • Frontblende mit Stecktür in weiß RAL 9016, mit Stecklaschen und Drehriegel
          • Tiefe: 110–150 mm
          • Höhe: 760–890 mm
          • Nischeneinbauhöhe von OKFFB: 720 mm
          • Nischeneinbaubreite: Schrankbreite + 20 mm
      3. Technische Daten:
        • max. Volumenstrom: 2,14 m³/h
        • max. Betriebstemperatur: 70 °C
        • max. Betriebsdruck: 4 bar
        • Kvs-Wert pro Heizkreis: 1,07 m³/h
      4. Anschluesse:

        1. Heizung-Primäranschluss:
          • links oder optional rechts, vertikal mit 3/4" IG
        2. Heizung-Sekundäranschluss:
          • vertikal mit 3/4" AG und Eurokonus
        3. Elektroanschluss:
          • bauseits muss ein abgesicherter Elektroanschluss 230 V vorgesehen werden
          • für den Anschluss von Raumthermostaten muss bauseits ein Elektrokabel mit mindestens 4 Adern pro Raumthermostat vorgesehen werden



Artikelspezifikation:
4 Heizkreise
Artikelabmessung: B x H x T: 515 x 775 x 122 mm
Artikelgewicht: 13,795 kg

GTIN: 4061323078936
Warennummer: 84198998
Werksartikelnummer: 5202400304
Warengruppe: 520
URL: https://www.strawa.com/produkt/5202400304

Marke: strawa

Hersteller: strawa Wärmetechnik GmbH
Telefon: +49 (0) 36256 8661-0 
E-Mail: info@strawa.com
Technische Änderungen vorbehalten.
oder gleichwertig

Gewähltes Fabrikat und Typ: ...........................................
….....................................................................................
(vom Bieter auszufüllen)

zur Lieferung und betriebsfertigen Montage
________________________________________
Kostengruppe DIN 276 (2018-12):  422 Wärmeverteilnetze

Leistungsbereich STLB-Bau (2021-04): 041 Wärmeversorgungsanlagen - Leitungen, Armaturen, Heizflächen

Ausschreibungstexte

strawa Comfort Anschlussstation
FBH-63-V-WMZ-C69 4 Hkr.

vertikale Anschlussgarnitur mit Wärmezählerverohrung, Verteiler mit Durchflussanzeiger 0-3 l/min im Vorlaufbalken und Thermostatventileinsatz M30x1,5 im Rücklaufbalken, Comfort-Unterputz-Schrank mit Frontblende in RAL 9016

4 Heizkreise
Abmessung B x H x T:
515 x 775 x 122 mm
Artikelgewicht: 13,795 kg
Werksartikelnummer: 5202400304
Warennummer: 84198998
Warengruppe: 520

Hersteller: strawa Wärmetechnik GmbH
Telefon: +49 (0) 36256 8661-0 
E-Mail: info@strawa.com
Technische Änderungen vorbehalten.
oder gleichwertig

Logistische Daten
ETIM / Technische Daten

Produkteigenschaften

Stammdaten

EinheitPCE

GTIN4061323078936

Listenpreis513,00 €

Mindesbestellmenge1

ArtikeltypStandard

HerkunftslandDeutschland

Zolltarifnummer84198998

Standardversand (Tage)3

Elektrische BestandteileNein

BatterieNein

Artikelabmessungen

Breite (mm)490

Höhe (mm)760

Tiefe (mm)110

Gewicht (kg)13,795

Verpackungsabmessungen

Breite (mm)785

Höhe (mm)165

Tiefe (mm)530

Gewicht (kg)14,915

Merkmale

Klassifizierung ETIM 9

Anschlussart Primärseite 2-rohrig

Geeignet für Kühlen ja

Werkstoff rostfreier Stahl

Position primärer Anschluss unten

Primärer Anschluss Innengewinde (metrisch)

Nenndurchmesser primär 3/4 Zoll (20)

Mit Ventilen am Primäranschluss ja

Max. Kühlleistung primär (bei primärer dT = 7K) 5.9 kW

Max. Heizleistung (bei Primär dT = 20K) 16.7 kW

Mediumtemperatur (Dauerbetrieb) -10 - 70 °C

Max. Arbeitsdruck 4 bar

Mit Mischventil nein

Erweiterbar nein

Max. Anzahl zusätzlicher Heizkreise 0

Multi-Zonen-Verteiler nein

Mit Temperaturbegrenzung nein

Mit Rückschlagklappe nein

Mit Umwälzpumpe nein

Druckstufe Artikel PN 4

Mit Regler nein

Hydraulischer Abgleich statisch

Volumenstrommessung analog

Mit Thermometer nein

Temperaturmessung Zufuhr ohne

Temperatue measurement Rücklauf ohne

Versorgungsspannung 230 V

Mit Entlüftung ja

Mit Manometer nein

Mit Füll-/Entleerungshahn ja

Anzahl der Gruppen sekundär 4

Sekundärer Anschluss Eurokonus nach EN 16313

Nenndurchmesser sekundär 3/4 Zoll (20)

Verschließbare Heizkreise ja

Mit Durchflussanzeige ja

Durchflussleistung 0 - 180 l/min

Mit thermischem Stellantrieb nein

Hublänge Antrieb 4 mm

Mit Keramikventil nein

Mit Wandbefestigungsbügel nein

Breite

Höhe

Tiefe

Mit Umbau ja

Passendes Zubehör

Sie benötigen Informationen?

Unser Team berät Sie kompetent zu unseren Produkten oder hilft Ihnen bei Auslegungen und Bestellungen. Vereinbaren Sie hier einen Rückruf.

Kontakt