Produktübersicht ausklappen

Produktübersicht

0

Anfrage

weitere Artikel anfragen

Ihre Anfrage

Gern erhalten Sie Informationen zu folgenden Produkten:

Artikel

Sie können vorher alle Produkte nochmal bearbeiten

Artikel

Sie können vorher alle Produkte nochmal bearbeiten

Produktbild

strawa Comfort Anschlussstation
FBH-63-V-C80 10 Hkr.

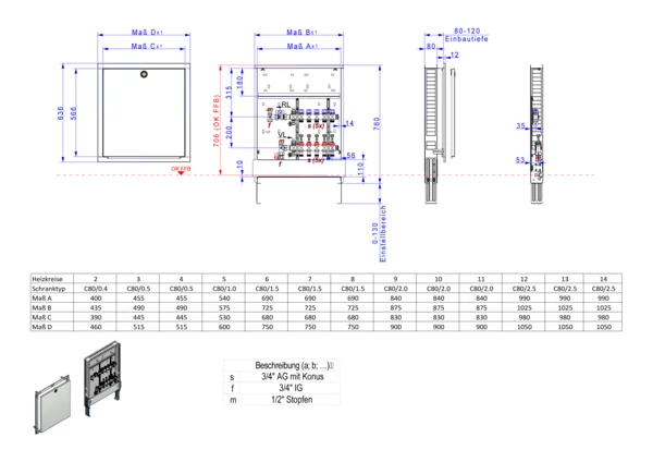
strawa Comfort Anschlussstation FBH-63-V-C80 10 Hkr. BxHxT: 875 x 760 x 80 mm vert. AG. o. WMZ, Verteiler mit DFA 0-3 l/min + THV M30x1,5, Comfort-UP-Schrank mit Frontblende in RAL 9016

Artikelnummer: 5201200310

Warengruppe: 520

Alternativprodukt: 50+006310

Listenpreis: 765,10 €

Anfragen/Merken

Sie können sich im nächsten Schritt für die ausgewählten Produkte alle Downloaddokumente zusammenstellen die Sie benötigen oder direkt eine Bestellanfrage stellen.

Beschreibung
Technische Daten
Downloads
Zubehör
Ersatzteile
Beschreibung
Vermarktungstext
Verwendungshinweis
Ausschreibungstext
Langtext

strawa Comfort Anschlussstation FBH-63-V-C80 10 Hkr.

1. Beschreibung:
Anschlussstation für Flächenheizung und -kühlung, im Unterputzschrank montierter Edelstahlverteiler mit regulierbaren Durchflussanzeigern und Ventileinsätzen (M30x1,5), vertikale Anschlussgarnitur ohne Wärmezählerverrohrung, Platzhaltung für Klemmleiste und Stellantriebe
2. Technische Daten:
- max. Volumenstrom: 2,14 m³/h
- max. Betriebstemperatur: 70 ° C
- max. Betriebsdruck: 4 bar
- Kvs-Wert pro Heizkreis: 1,07 m³/h
3. Bauteile:
3.1 Anschlussverteiler:
- Anschlussverteiler e-class 63
- Vor- und Rücklaufbalken aus profiliertem Edelstahlprofil DN 32
- SFEE-Ventil (Spül-, Füll- und Entleer- und Entlüftungsventil) im Vorlauf- und Rücklaufbalken
- Vorlaufbalken mit Regolux Durchflussanzeiger 0-3 l/min mit Memoryfunktion (Kvs=1,23 m³/h)
- Rücklaufbalken mit Ventileinsätzen VA mit Anschlussgewinde 30x1,5 (Kvs=2,56 m³/h)
- verzinkte Doppelwandhalter, Abstand der Vor- und Rücklaufverteilerbalken 200 mm
- Befestigungsschellen mit Schalldämmeinlage, erfüllt DIN 4109
- Flachdichtungen Centellen WS 3825 gelb
- selbstklebende Beschriftungsaufkleber für Räume mit Bezeichnung Raum und Durchfluss
3.2 Anschlussgarnitur:
- 2 Stück Kugelhahn DN 20
- 2 Stück 90°-Anschlusswinkel
3.3 Schrank:
- Comfort-Unterputzverteilerschrank C80
- verzinkte Einbauzarge Tiefe 80 mm, höhenverstellbare Füße bis 130 mm
- Fronblende mit Stecktür in Weiß RAL 9016, mit Stecklaschen und Drehriegel
- Tiefe: 80-120 mm
- Höhe: 760-890 mm
- Nischeneinbauhöhe von OKFFB: 720 mm
- Nischeneinbaubreite Schrankbreite + 20 mm
4. Anschlüsse:
4.1 Heizung-Primäranschluss:
- links oder optional rechts, vertikal mit 3/4"IG
4.2 Heizung-Sekundäranschluss:
- Heizkreisabgänge mit Anschlussgewinde 3/4''AG mit Eurokonus, passend für Klemmverschraubungen
4.3 Elektroanschluss:
- bauseits muss ein abgesicherter Elektroanschluss 230 V vorgesehen werden
- für den Anschluss von Raumthermostaten muss bauseits ein Elektrokabel mit mindestens 4 Adern pro Raumthermostat vorgesehen werden

Die Anschlussstation ist für Flächenheizungen und -kühlungen geeignet. Hydraulisch wird die Station am Durchflussanzeiger der Heizkreise manuell abgeglichen. Im Comfort-Unterputzschrank mit Frontblende in weiß RAL 9016 mit einer Einbautiefe von 80 bis 120 mm ist ein Edelstahlverteiler mit absperrbaren und regulierbaren Durchflussanzeigern 0-3 l/min im Vorlaufbalken und Thermostatventileinsätzen (M30x1,5) im Rücklaufbalken schallentkoppelt montiert. Eine vertikale Anschlussgarnitur ohne Wärmezählervorbereitung ist montiert. Zusätzlich müssen Stellantriebe und Klemmleiste bauseits nachgerüstet werden.

Für die Funktion der Station müssen Stellantriebe montiert werden.

strawa Comfort Anschlussstation FBH-63-V-C80 10 Hkr.

1. Beschreibung:
Anschlussstation für Flächenheizung und -kühlung, im Unterputzschrank montierter Edelstahlverteiler mit regulierbaren Durchflussanzeigern und Ventileinsätzen (M30x1,5), vertikale Anschlussgarnitur ohne Wärmezählerverrohrung, Platzhaltung für Klemmleiste und Stellantriebe
2. Technische Daten:
- max. Volumenstrom: 2,14 m³/h
- max. Betriebstemperatur: 70 ° C
- max. Betriebsdruck: 4 bar
- Kvs-Wert pro Heizkreis: 1,07 m³/h
3. Bauteile:
3.1 Anschlussverteiler:
- Anschlussverteiler e-class 63
- Vor- und Rücklaufbalken aus profiliertem Edelstahlprofil DN 32
- SFEE-Ventil (Spül-, Füll- und Entleer- und Entlüftungsventil) im Vorlauf- und Rücklaufbalken
- Vorlaufbalken mit Regolux Durchflussanzeiger 0-3 l/min mit Memoryfunktion (Kvs=1,23 m³/h)
- Rücklaufbalken mit Ventileinsätzen VA mit Anschlussgewinde 30x1,5 (Kvs=2,56 m³/h)
- verzinkte Doppelwandhalter, Abstand der Vor- und Rücklaufverteilerbalken 200 mm
- Befestigungsschellen mit Schalldämmeinlage, erfüllt DIN 4109
- Flachdichtungen Centellen WS 3825 gelb
- selbstklebende Beschriftungsaufkleber für Räume mit Bezeichnung Raum und Durchfluss
3.2 Anschlussgarnitur:
- 2 Stück Kugelhahn DN 20
- 2 Stück 90°-Anschlusswinkel
3.3 Schrank:
- Comfort-Unterputzverteilerschrank C80
- verzinkte Einbauzarge Tiefe 80 mm, höhenverstellbare Füße bis 130 mm
- Fronblende mit Stecktür in Weiß RAL 9016, mit Stecklaschen und Drehriegel
- Tiefe: 80-120 mm
- Höhe: 760-890 mm
- Nischeneinbauhöhe von OKFFB: 720 mm
- Nischeneinbaubreite Schrankbreite + 20 mm
4. Anschlüsse:
4.1 Heizung-Primäranschluss:
- links oder optional rechts, vertikal mit 3/4"IG
4.2 Heizung-Sekundäranschluss:
- Heizkreisabgänge mit Anschlussgewinde 3/4''AG mit Eurokonus, passend für Klemmverschraubungen
4.3 Elektroanschluss:
- bauseits muss ein abgesicherter Elektroanschluss 230 V vorgesehen werden
- für den Anschluss von Raumthermostaten muss bauseits ein Elektrokabel mit mindestens 4 Adern pro Raumthermostat vorgesehen werden

Abmessung (Breite x Höhe x Tiefe): 900 x 775 x 92 mm
Gewicht: 21,589 kg
EAN: 4061323078448
Warennummer: 84198998
Artikelnummer: 5201200310
Warengruppe: 520
URL: https://www.strawa.com/produkt/5201200310

Fabrikat: strawa Wärmetechnik GmbH
Telefon: +49 (0) 36256 8661-0
EMail: info@strawa.com
Technische Änderungen vorbehalten.
oder gleichwertig

Gewähltes Fabrikat und Typ: ...........................................
….....................................................................................
(vom Bieter auszufüllen)

zur Lieferung und betriebsfertigen Montage
________________________________________
Kostengruppe DIN 276 (2018-12) 422 Wärmeverteilnetze
Leistungsbereich STLB-Bau (2021-04) 041 Wärmeversorgungsanlagen - Leitungen, Armaturen, Heizflächen

Ausschreibungstexte

strawa Comfort Anschlussstation
FBH-63-V-C80 10 Hkr.
BxHxT: 875 x 760 x 80 mm
vertikale Anschlussgarnitur ohne
Wärmezählerverrohrung, Verteiler mit
Durchflussanzeiger 0-3 l/min im
Vorlaufbalken und
Thermostatventileinsatz M30x1,5 im
Rücklaufbalken,
Comfort-Unterputz-Schrank mit
Frontblende in RAL 9016

EAN: 4061323078448
Artikelnummer: 5201200310
Warengruppe: 520
Warennummer: 84198998

Hersteller: strawa Wärmetechnik GmbH
Telefon: +49 36256 8661-0
EMail: info@strawa.com
Technische Änderungen vorbehalten

Produkteigenschaften

Stammdaten

EinheitPCE

GTIN4061323078448

Listenpreis765,10 €

Mindesbestellmenge1

ArtikeltypSTD

Steuerrate19 %

HerkunftslandDE

Zolltarifnummer84198998

Standardversand (Tage)3

Batteriegewicht (kg)0


Artikelabmessungen

Breite (mm)900

Höhe (mm)775

Tiefe (mm)92

Gewicht (kg)20,917

Verpackungsabmessungen

Breite (mm)785

Höhe (mm)135

Tiefe (mm)910

Gewicht (kg)37,767

Merkmale

Klassifizierung ETIM 9

Anschlussart Primärseite 2-rohrig

Geeignet für Kühlen Ja

Werkstoff rostfreier Stahl

Position primärer Anschluss unten

Primärer Anschluss Innengewinde (metrisch)

Nenndurchmesser primär 3/4 Zoll (20)

Rohraußendurchmesser primär -

Mit Ventilen am Primäranschluss Ja

Max. Kühlleistung primär (bei primärer dT = 7K) 14,7 kW

Max. Heizleistung (bei Primär dT = 20K) 41,9 kW

Mediumtemperatur (Dauerbetrieb) -10 - 70 °C

Primäre Drückdifferenz -

Max. Arbeitsdruck 4 bar

Mit Mischventil Nein

Erweiterbar Nein

Max. Anzahl zusätzlicher Heizkreise 0

Multi-Zonen-Verteiler Nein

Mit Temperaturbegrenzung Nein

Mit Rückschlagklappe Nein

Mit Umwälzpumpe Nein

Art der Pumpe (interne Pumpe) -

Druckstufe Artikel PN 4

Mit Regler Nein

Hydraulischer Abgleich statisch

Volumenstrommessung analog

Mit Thermometer Nein

Temperaturmessung Zufuhr ohne

Temperatue measurement Rücklauf ohne

Versorgungsspannung 230 V

Frequenz -

Leistungsaufnahme Betrieb -

Mit Entlüftung Ja

Mit Manometer Nein

Mit Füll-/Entleerungshahn Ja

Anzahl der Gruppen sekundär 10

Sekundärer Anschluss Eurokonus nach EN 16313

Nenndurchmesser sekundär 3/4 Zoll (20)

Rohraußendurchmesser sekundär -

Verschließbare Heizkreise Ja

Mit Durchflussanzeige Ja

Durchflussleistung 0 - 180 l/h

Mit thermischem Stellantrieb Nein

Hublänge Antrieb 4 mm

Mit Keramikventil Nein

Min. Druckdifferenz Sekundärvorlauf/-rücklauf -

Mit Wandbefestigungsbügel Nein

Breite 875 mm

Höhe 760 mm

Tiefe 80 mm

Mit Umbau Ja

Passendes Zubehör

Sie benötigen Informationen?

Unser Team berät Sie kompetent zu unseren Produkten oder hilft Ihnen bei Auslegungen und Bestellungen. Vereinbaren Sie hier einen Rückruf.

Kontakt