Produktübersicht ausklappen

Produktübersicht

0

Anfrage

weitere Artikel anfragen

Ihre Anfrage

Gern erhalten Sie Informationen zu folgenden Produkten:

Artikel

Sie können vorher alle Produkte nochmal bearbeiten

Artikel

Sie können vorher alle Produkte nochmal bearbeiten

Produktbild

strawa Comfort Anschlussstation
FBH-18-V-WMZ-C69 14 Hkr.

strawa Comfort Anschlussstation FBH-18-V-WMZ-C69 14 Hkr. BxHxT: 1025 x 760 x 110 mm vert. AG. m. WMZ, Verteiler mit DFA min/max + THV für EGO-Aufnahme, Comfort-UP-Schrank mit Frontblende in RAL 9016

Artikelnummer: 5202400414

Warengruppe: 520

Listenpreis: 999,00 €

Anfragen/Merken

Sie können sich im nächsten Schritt für die ausgewählten Produkte alle Downloaddokumente zusammenstellen die Sie benötigen oder direkt eine Bestellanfrage stellen.

Beschreibung
Technische Daten
Downloads
Zubehör
Ersatzteile
Beschreibung
Vermarktungstext
Verwendungshinweis
Ausschreibungstext
Langtext

strawa Comfort Anschlussstation FBH-18-V-WMZ-C69 14 Hkr.

1. Beschreibung:
Anschlussstation für Flächenheizung und -kühlung, im Unterputzschrank montierter Edelstahlverteiler mit absperrbarem Durchflussanzeigern und Ventileinsätzen für EGO-Schnellverschluss, vertikale Anschlussgarnitur mit Wärmezählerverrohrung, Platzhaltung für Wasserzählereinbaustrecke, Klemmleiste und EGO-Regelantriebe
Die Anschlussstation gewährleistet über das EGO-System den vollautomatischen hydraulischen Abgleich der Heizkreise in der Station. Das EGO-System besteht aus Anschlussverteiler e-class 18 (in Station montiert) und für jeden Heizkreis ein intelligenter autonomer elektrothermischer EGO-Regelantrieb (nicht im Lieferumfang)
2. Technische Daten:
- max. Volumenstrom: 2,14 m³/h
- max. Betriebstemperatur: 70 ° C (Vorlauftemperaturbegrenzung bei montiertem EGO Regelantrieb 60 ° C)
- max. Betriebsdruck: 4 bar
- Kvs-Wert pro Heizkreis: 1,07 m³/h
3. Bauteile:
3.1 Anschlussverteiler:
- Anschlussverteiler e-class 18
- Vor- und Rücklaufbalken aus profiliertem Edelstahlprofil DN 32
- SFEE-Ventil (Spül-, Füll- und Entleer- und Entlüftungsventil) im Vorlauf- und Rücklaufbalken
- Vorlaufbalken mit Durchflussanzeiger min. / max. (Kvs=1,23 m³/h)
- Rücklaufbalken mit Ventileinsätzen VA mit Schnellverschluss (Kvs=2,56 m³/h)
- verzinkte Doppelwandhalter, Abstand der Vor- und Rücklaufverteilerbalken 200 mm
- Befestigungsschellen mit Schalldämmeinlage, erfüllt DIN 4109
- Flachdichtungen Centellen WS 3825 gelb
- selbstklebende Beschriftungsaufkleber für Räume mit Bezeichnung Raum und Durchfluss
3.2 Anschlussgarnitur:
- Wärmezählerdistanzrohr 3/4" Länge 110 mm
- 90° Winkelanschlussstück
- Kugelhahn DN 20 mit Fühlereinbaustück D=5-5,2mm M10x1 im Vor- und Rücklauf
- zweiter Kugelhahn DN 20 im Rücklauf
3.3 Schrank:
- Comfort-UP-Schrank C69
- verzinkte Einbauzarge Tiefe 110 mm, höhenverstellbare Füße bis 130 mm
- Fronblende mit Stecktür in Weiß RAL 9016, mit Stecklaschen und Drehriegel
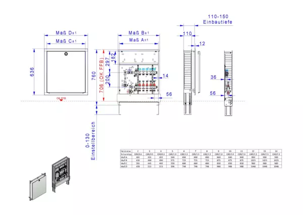
- Tiefe: 110-150 mm
- Höhe: 760-890 mm
- Nischeneinbauhöhe von OKFFB: 720 mm
- Nischeneinbaubreite Schrankbreite + 20 mm
4. Anschlüsse.
4.1 Heizung-Primäranschluss:
- links oder optional rechts, vertikal mit 3/4"IG
4.2 Heizung-Sekundäranschluss:
- vertikal mit 3/4"AG und Konus
4.3 Elektroanschluss:
- bauseits muss ein abgesicherter Elektroanschluss 230 V vorgesehen werden
- für den Anschluss von Raumthermostaten muss bauseits ein Elektrokabel mit mindestens 4 Adern pro Raumthermostat vorgesehen werden

Die Anschlussstation ist für Flächenheizungen geeignet. Hydraulisch wird die Station über das EGO-System automatisch an jedem Heizkreis abgeglichen. Das EGO-System besteht aus dem montierten Anschlussverteiler e-class 18 und montierten EGO-Regelantrieben pro Heizkreise. Die EGO-Regelantriebe sind in der Station nicht enthalten und müssen separat bestellt werden. Im Comfort-Unterputzschrank mit Frontblende in weiß RAL 9016 mit einer Einbautiefe von 110 bis 150 mm ist ein Edelstahlverteiler mit absperrbaren Durchflussanzeigern min/max. im Vorlaufbalken und Thermostatventileinsätzen mit EGO-Schnellverschlussaufnahme im Rücklaufbalken schallentkoppelt montiert. Eine vertikale Anschlussgarnitur mit Wärmezählervorbereitung 3/4" Länge 110 mm und Fühleranschluss 5-5,2 M10x1 im Vor- und Rücklaufkugelhahn ist montiert. Zusätzlich müssen EGO-Regelantriebe und Klemmleiste bauseits nachgerüstet werden.

Verwendung nur in Verbindung mit EGO-Regelantrieben mit Schnellverschluss.
Die Durchflussanzeiger müssen voll geöffent werden.

strawa Comfort Anschlussstation FBH-18-V-WMZ-C69 14 Hkr.

1. Beschreibung:
Anschlussstation für Flächenheizung und -kühlung, im Unterputzschrank montierter Edelstahlverteiler mit absperrbarem Durchflussanzeigern und Ventileinsätzen für EGO-Schnellverschluss, vertikale Anschlussgarnitur mit Wärmezählerverrohrung, Platzhaltung für Wasserzählereinbaustrecke, Klemmleiste und EGO-Regelantriebe
Die Anschlussstation gewährleistet über das EGO-System den vollautomatischen hydraulischen Abgleich der Heizkreise in der Station. Das EGO-System besteht aus Anschlussverteiler e-class 18 (in Station montiert) und für jeden Heizkreis ein intelligenter autonomer elektrothermischer EGO-Regelantrieb (nicht im Lieferumfang)
2. Technische Daten:
- max. Volumenstrom: 2,14 m³/h
- max. Betriebstemperatur: 70 ° C (Vorlauftemperaturbegrenzung bei montiertem EGO Regelantrieb 60 ° C)
- max. Betriebsdruck: 4 bar
- Kvs-Wert pro Heizkreis: 1,07 m³/h
3. Bauteile:
3.1 Anschlussverteiler:
- Anschlussverteiler e-class 18
- Vor- und Rücklaufbalken aus profiliertem Edelstahlprofil DN 32
- SFEE-Ventil (Spül-, Füll- und Entleer- und Entlüftungsventil) im Vorlauf- und Rücklaufbalken
- Vorlaufbalken mit Durchflussanzeiger min. / max. (Kvs=1,23 m³/h)
- Rücklaufbalken mit Ventileinsätzen VA mit Schnellverschluss (Kvs=2,56 m³/h)
- verzinkte Doppelwandhalter, Abstand der Vor- und Rücklaufverteilerbalken 200 mm
- Befestigungsschellen mit Schalldämmeinlage, erfüllt DIN 4109
- Flachdichtungen Centellen WS 3825 gelb
- selbstklebende Beschriftungsaufkleber für Räume mit Bezeichnung Raum und Durchfluss
3.2 Anschlussgarnitur:
- Wärmezählerdistanzrohr 3/4" Länge 110 mm
- 90° Winkelanschlussstück
- Kugelhahn DN 20 mit Fühlereinbaustück D=5-5,2mm M10x1 im Vor- und Rücklauf
- zweiter Kugelhahn DN 20 im Rücklauf
3.3 Schrank:
- Comfort-UP-Schrank C69
- verzinkte Einbauzarge Tiefe 110 mm, höhenverstellbare Füße bis 130 mm
- Fronblende mit Stecktür in Weiß RAL 9016, mit Stecklaschen und Drehriegel
- Tiefe: 110-150 mm
- Höhe: 760-890 mm
- Nischeneinbauhöhe von OKFFB: 720 mm
- Nischeneinbaubreite Schrankbreite + 20 mm
4. Anschlüsse.
4.1 Heizung-Primäranschluss:
- links oder optional rechts, vertikal mit 3/4"IG
4.2 Heizung-Sekundäranschluss:
- vertikal mit 3/4"AG und Konus
4.3 Elektroanschluss:
- bauseits muss ein abgesicherter Elektroanschluss 230 V vorgesehen werden
- für den Anschluss von Raumthermostaten muss bauseits ein Elektrokabel mit mindestens 4 Adern pro Raumthermostat vorgesehen werden

Abmessung (Breite x Höhe x Tiefe): 1050 x 775 x 122 mm
Gewicht: 25,956 kg
EAN: 4061323095865
Warennummer: 84198998
Artikelnummer: 5202400414
Warengruppe: 520
URL: https://www.strawa.com/produkt/5202400414

Fabrikat: strawa Wärmetechnik GmbH
Telefon: +49 (0) 36256 8661-0
EMail: info@strawa.com
Technische Änderungen vorbehalten.
oder gleichwertig

Gewähltes Fabrikat und Typ: ...........................................
….....................................................................................
(vom Bieter auszufüllen)

zur Lieferung und betriebsfertigen Montage
________________________________________
Kostengruppe DIN 276 (2018-12) 422 Wärmeverteilnetze
Leistungsbereich STLB-Bau (2021-04) 041 Wärmeversorgungsanlagen - Leitungen, Armaturen, Heizflächen

Ausschreibungstexte

strawa Comfort Anschlussstation
FBH-18-V-WMZ-C69 14 Hkr.
BxHxT: 1025 x 760 x 110 mm
vertikale Anschlussgarnitur mit
Wärmezählerverohrung, Verteiler mit
Durchflussanzeiger min/max im
Vorlaufbalken und
Thermostatventileinsatz für EGO-Aufnahme
im Rücklaufbalken,
Comfort-Unterputz-Schrank mit
Frontblende in RAL 9016

EAN: 4061323095865
Artikelnummer: 5202400414
Warengruppe: 520
Warennummer: 84198998

Hersteller: strawa Wärmetechnik GmbH
Telefon: +49 36256 8661-0
EMail: info@strawa.com
Technische Änderungen vorbehalten

Produkteigenschaften

Stammdaten

EinheitPCE

GTIN4061323095865

Listenpreis999,00 €

Mindesbestellmenge1

ArtikeltypSTD

Steuerrate19 %

HerkunftslandDE

Zolltarifnummer84198998

Standardversand (Tage)3

Batteriegewicht (kg)0


Artikelabmessungen

Breite (mm)1050

Höhe (mm)775

Tiefe (mm)122

Gewicht (kg)24,889

Verpackungsabmessungen

Breite (mm)785

Höhe (mm)165

Tiefe (mm)1070

Gewicht (kg)26,939

Merkmale

Klassifizierung ETIM 9

Anschlussart Primärseite 2-rohrig

Geeignet für Kühlen Ja

Werkstoff rostfreier Stahl

Position primärer Anschluss unten

Primärer Anschluss Innengewinde (metrisch)

Nenndurchmesser primär 3/4 Zoll (20)

Rohraußendurchmesser primär -

Mit Ventilen am Primäranschluss Ja

Max. Kühlleistung primär (bei primärer dT = 7K) 17,4 kW

Max. Heizleistung (bei Primär dT = 20K) 49,8 kW

Mediumtemperatur (Dauerbetrieb) 0 - 60 °C

Primäre Drückdifferenz -

Max. Arbeitsdruck 4 bar

Mit Mischventil Nein

Erweiterbar Nein

Max. Anzahl zusätzlicher Heizkreise 0

Multi-Zonen-Verteiler Nein

Mit Temperaturbegrenzung Nein

Mit Rückschlagklappe Nein

Mit Umwälzpumpe Nein

Art der Pumpe (interne Pumpe) -

Druckstufe Artikel PN 4

Mit Regler Nein

Hydraulischer Abgleich dynamisch

Volumenstrommessung analog

Mit Thermometer Nein

Temperaturmessung Zufuhr ohne

Temperatue measurement Rücklauf ohne

Versorgungsspannung 230 V

Frequenz -

Leistungsaufnahme Betrieb -

Mit Entlüftung Ja

Mit Manometer Nein

Mit Füll-/Entleerungshahn Ja

Anzahl der Gruppen sekundär 14

Sekundärer Anschluss Eurokonus nach EN 16313

Nenndurchmesser sekundär 3/4 Zoll (20)

Rohraußendurchmesser sekundär -

Verschließbare Heizkreise Ja

Mit Durchflussanzeige Ja

Durchflussleistung 0 - 180 l/h

Mit thermischem Stellantrieb Nein

Hublänge Antrieb 4 mm

Mit Keramikventil Nein

Min. Druckdifferenz Sekundärvorlauf/-rücklauf -

Mit Wandbefestigungsbügel Nein

Breite 1025 mm

Höhe 760 mm

Tiefe 110 mm

Mit Umbau Ja

Passendes Zubehör

Sie benötigen Informationen?

Unser Team berät Sie kompetent zu unseren Produkten oder hilft Ihnen bei Auslegungen und Bestellungen. Vereinbaren Sie hier einen Rückruf.

Kontakt