Produktübersicht ausklappen

Produktübersicht

0

Anfrage

weitere Artikel anfragen

Ihre Anfrage

Gern erhalten Sie Informationen zu folgenden Produkten:

Artikel

Sie können vorher alle Produkte nochmal bearbeiten

Artikel

Sie können vorher alle Produkte nochmal bearbeiten

Produktbild

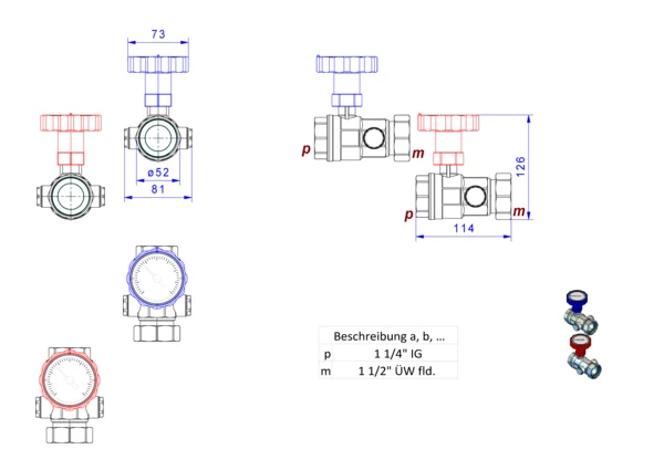
strawa strawi 125 Thermometer-Kugelhahnset 1 1/4“

strawa strawi 125 Thermometer-Kugelhahnset 1 1/4'',BxHxT: 241x130x107 mm, passend für strawi 125 Winkelanschluss, mit Thermometer im Kugelhahngriff 0-120°C, Anschlussgewinde: 1 1/2"ÜW fld x 1 1/4"IG

Artikelnummer: 7230014

Warengruppe: 72

Listenpreis: 142,60 €

Anfragen/Merken

Sie können sich im nächsten Schritt für die ausgewählten Produkte alle Downloaddokumente zusammenstellen die Sie benötigen oder direkt eine Bestellanfrage stellen.

Beschreibung
Artikeldaten
Downloads
Zubehör
Beschreibung
Vermarktungstext
Verwendungshinweis
Ausschreibungstext
Langtext

strawa strawi 125 Thermometer-Kugelhahnset 1 1/4“

strawa strawi 125 Thermometer-Kugelhahnset 1 1/4''

      1. Beschreibung:
        Der Kugelhahn mit Thermometer ist für die Montage an das strawi 125 Winkelanschlüsse lang und kurz bzw. das Set, in Verbindung mit strawi 125-25 oder 125-40 Kesselverteiler geeignet.
      2. Bestandteile:
        • zwei Ms-Kugelhähne
        • mit Thermometergriff 0-120 °C
      3. Technische Daten:
        • max. Betriebsdruck: 6 bar
        • max. Betriebstemperatur: 120 °C
      4. Anschluesse:
        1. Primärseite:
          • 1 1/4" IG flachdichtend
        2. Sekundärseite:
          • 1 1/2" Überwurfmutter flachdichtend

Artikelspezifikation:

Artikelabmessung: B x H x T: 241 x 130 x 107 mm
Artikelgewicht: 1,845 kg

Marke: strawa
Hersteller: strawa Wärmetechnik GmbH
Telefon: +49 (0) 36256 8661-0 
E-Mail: info@strawa.com
Technische Änderungen vorbehalten.
oder gleichwertig

Das Thermometer-Kugelhahnset dient als primäre Absperrung bei strawi 125-25 und 125-40 kesselverteilern in Verbindung mit strawi 125 Winkelanschlüssen.

Für den modularen Aufbau von strawi 125-25 und 125-40 Kesselverteilern und strawi 125 Winkelanschlussstücken.

strawa strawi 125 Thermometer-Kugelhahnset 1 1/4''




      1. Beschreibung:
        Der Kugelhahn mit Thermometer ist für die Montage an das strawi 125 Winkelanschlüsse lang und kurz bzw. das Set, in Verbindung mit strawi 125-25 oder 125-40 Kesselverteiler geeignet.
      2. Bestandteile:
        • zwei Ms-Kugelhähne
        • mit Thermometergriff 0-120 °C
      3. Technische Daten:
        • max. Betriebsdruck: 6 bar
        • max. Betriebstemperatur: 120 °C
      4. Anschluesse:

        1. Primärseite:
          • 1 1/4" IG flachdichtend
        2. Sekundärseite:
          • 1 1/2" Überwurfmutter flachdichtend



Artikelspezifikation:

Artikelabmessung: B x H x T: 241 x 130 x 107 mm
Artikelgewicht: 1,845 kg

GTIN: 4061323145324
Warennummer: 84818081
Werksartikelnummer: 7230014
Warengruppe: 72
URL: https://www.strawa.com/produkt/7230014

Marke: strawa

Hersteller: strawa Wärmetechnik GmbH
Telefon: +49 (0) 36256 8661-0
E-Mail: info@strawa.com
Technische Änderungen vorbehalten.
oder gleichwertig

Gewähltes Fabrikat und Typ: ...........................................
….....................................................................................
(vom Bieter auszufüllen)

zur Lieferung und betriebsfertigen Montage
________________________________________
Kostengruppe DIN 276 (2018-12): 422 Wärmeverteilnetze

Leistungsbereich STLB-Bau (2021-04): 041 Wärmeversorgungsanlagen - Leitungen, Armaturen, Heizflächen

Ausschreibungstexte

strawa strawi 125
Thermometer-Kugelhahnset 1 1/4''

passend für strawi 125 Winkelanschluss, mit Thermometer im Kugelhahngriff 0-120 Grad Celsius, Anschlussgewinde: 1 1/2"ÜW fld x 1 1/4"IG

Abmessung B x H x T:
241 x 130 x 107 mm
Artikelgewicht: 1,845 kg
Werksartikelnummer: 7230014
Warennummer: 84818081
Warengruppe: 72

Hersteller: strawa Wärmetechnik GmbH
Telefon: +49 (0) 36256 8661-0
E-Mail: info@strawa.com
Technische Änderungen vorbehalten.
oder gleichwertig

Logistische Daten
ETIM / Technische Daten

Produkteigenschaften

Stammdaten

EinheitPCE

GTIN4061323145324

Listenpreis142,60 €

Mindesbestellmenge1

ArtikeltypStandard

HerkunftslandChina, Volksrepublik

Zolltarifnummer84818081

Standardversand (Tage)3

Elektrische BestandteileNein

BatterieNein

Artikelabmessungen

Breite (mm)241

Höhe (mm)130

Tiefe (mm)107

Gewicht (kg)1,845

Verpackungsabmessungen

Breite (mm)200

Höhe (mm)255

Tiefe (mm)140

Gewicht (kg)2,041

Merkmale

Klassifizierung ETIM 9

Werkstoff des Gehäuses Messing

Oberflächenschutz Gehäuse vernickelt

Material Kugeldichtung Ethylen-Propylen-Dien-Kautschuk (EPDM)

Material Kugel Messing

Oberflächenschutz Kugel vernickelt

Material Spindel Messing

Material primäre Spindeldichtung Ethylen-Propylen-Dien-Kautschuk (EPDM)

Material sekundäre Spindeldichtung Ethylen-Propylen-Dien-Kautschuk (EPDM)

Nenndurchmesser Anschluss 1 1 1/4 Zoll (32)

Anschluss 1 Innengewinde (metrisch)

Mit Kupplungsanschluss 1 nein

Nenndurchmesser Anschluss 2 1 1/2 Zoll (40)

Anschluss 2 sonstige

Dichtung Ethylen-Propylen-Dien-Kautschuk (EPDM)

Druckstufe Artikel PN 6

Mit Entleerungsventil nein

Mit Ablassmöglichkeit (Anschluss) nein

Mit Rückschlagklappe nein

Mit Filter nein

Mit Thermometer ja

Ausführung gerade

Mit Dämmschale nein

Mediumtemperatur (Dauerbetrieb) -10 - 100 °C

Medizinisch sauber nein

Fettfrei nein

Bedienung Handgriff

Gehäusekonstruktion 1-teilig

Volldurchgang ja

VdS-geprüft nein

KIWA-Prüfsiegel nein

Typenzulassung nach BBR/EKS nein

Sie benötigen Informationen?

Unser Team berät Sie kompetent zu unseren Produkten oder hilft Ihnen bei Auslegungen und Bestellungen. Vereinbaren Sie hier einen Rückruf.

Kontakt