Produktübersicht ausklappen

Produktübersicht

0

Anfrage

weitere Artikel anfragen

Ihre Anfrage

Gern erhalten Sie Informationen zu folgenden Produkten:

Artikel

Sie können vorher alle Produkte nochmal bearbeiten

Artikel

Sie können vorher alle Produkte nochmal bearbeiten

Produktbild

strawa FB-Anschlussstation H 63-WMZ-X 11 Hkr.

strawa FB-Anschlussstation H 63-WMZ-X 11 Hkr.,BxHxT: 900x725x122 mm, vert. AG. m. WMZ, Verteiler mit DFA 0-3 l/min + THV M30x1,5, vorm. Stellantr.+Klemml. m. Vorverdraht., Standard-UP-Schrank mit Frontblende in RAL 9016

Artikelnummer: 56+006311X

Warengruppe: 56

Listenpreis: 1.315,30 €

Anfragen/Merken

Sie können sich im nächsten Schritt für die ausgewählten Produkte alle Downloaddokumente zusammenstellen die Sie benötigen oder direkt eine Bestellanfrage stellen.

Beschreibung
Artikeldaten
Downloads
Zubehör
Ersatzteile
Beschreibung
Ausschreibungstext
Langtext

strawa FB-Anschlussstation H 63-WMZ-X 11 Hkr.

strawa FB-Anschlussstation H 63-WMZ-X 11 Hkr.

      1. Beschreibung:
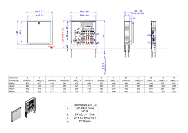
        Die Anschlussstation für Flächenheizung ist im Unterputz-Schrank montiert und umfasst einen Edelstahlverteiler mit regulierbaren Durchflussanzeigern und Ventileinsätzen (M30×1,5) sowie eine vertikale Anschlussgarnitur mit Wärmezählerverrohrung. Die vormontierten und verdrahteten Stellantriebe sind auf einer montierten Klemmleiste installiert.
      2. Bestandteile:
        1. Anschlussverteiler:
          • Anschlussverteiler e-class 63
          • Vor- und Rücklaufbalken aus profiliertem Edelstahlprofil DN 32
          • SFEE-Ventil (Spül-, Füll-, Entleer- und Entlüftungsventil) im Vorlauf- und Rücklaufbalken
          • Vorlaufbalken mit Regolux Durchflussanzeiger 0–3 l/min mit Memoryfunktion (Kvs = 1,23 m³/h)
          • Rücklaufbalken mit Ventileinsätzen VA mit Anschlussgewinde 30×1,5 (Kvs = 2,56 m³/h)
          • verzinkte Doppelwandhalter, Abstand der Vor- und Rücklaufverteilerbalken 165 mm
          • Befestigungsschellen mit Schalldämmeinlage, erfüllt DIN 4109
          • Flachdichtungen Centellen WS 3825 gelb
          • selbstklebende Beschriftungsaufkleber für Räume mit Bezeichnung Raum und Durchfluss
        2. Anschlussgarnitur:
          • Wärmezählerdistanzrohr 3/4" Länge 110 mm
          • 90°-Anschlusswinkel
          • Kugelhahn DN 20 mit Fühlereinbaustück D = 5–5,2 mm M10×1 im Vor- und Rücklauf
          • zweiter Kugelhahn DN 20 im Rücklauf
        3. Schrank:
          • Standard-UP-Schrank 69
          • verzinkte Einbauzarge Tiefe 110 mm, höhenverstellbare Füße bis 130 mm
          • Frontblende mit Stecktür in weiß RAL 9016, mit Stecklaschen und Drehriegel
          • Tiefe: 110–150 mm
          • Höhe: 710–840 mm
          • Nischeneinbauhöhe von OKFFB: 650 mm
          • Nischeneinbaubreite: Schrankbreite + 20 mm
        4. Antriebe:
          • strawatherm Stellantriebe 230 V
          • stromlos geschlossen
          • mit Re-Open-Funktion
        5. Klemmleiste:
          • strawalogiX RT-STA Klemmleiste 230 V
          • mit individueller Zuordnung der Stellantriebe zum Raumthermostat über das Wählrad
          • individuelle Weitergabe von Zeitbefehlen oder Nachtabsenkung von Uhrenthermostaten an Raumthermostate über die Klemmleiste
          • integriertes Pumpenmodul
          • 2 bis 8 Heizkreise -> max. 6 Raumthermostate und 8 Stell- bzw. Regelantriebe -> strawalogiX RT6-STA8 Klemmleiste 230 V
          • 9 bis 14 Heizkreise -> max. 8 Raumthermostate und 14 Stell- bzw. Regelantriebe -> strawalogiX RT8-STA14 Klemmleiste 230 V
      3. Technische Daten:
        • max. Volumenstrom: 2,14 m³/h
        • max. Betriebstemperatur: 70 °C
        • max. Betriebsdruck: 4 bar
        • Kvs-Wert pro Heizkreis: 1,07 m³/h
      4. Anschluesse:
        1. Heizung-Primäranschluss:
          • links oder optional rechts, vertikal mit 3/4" IG
        2. Heizung-Sekundäranschluss:
          • vertikale Heizkreisabgänge mit 3/4" AG mit Eurokonus, passend für Klemmverschraubungen
        3. Elektroanschluss:
          • bauseits muss ein abgesicherter Elektroanschluss 230 V vorgesehen werden
          • für den Anschluss von Raumthermostaten muss bauseits ein Elektrokabel mit mindestens 4 Adern pro Raumthermostat vorgesehen werden

Artikelspezifikation:
11 Heizkreise
Artikelabmessung: B x H x T: 900 x 725 x 122 mm
Artikelgewicht: 24,872 kg

Marke: strawa
Hersteller: strawa Wärmetechnik GmbH
Telefon: +49 (0) 36256 8661-0 
E-Mail: info@strawa.com
Technische Änderungen vorbehalten.
oder gleichwertig

strawa FB-Anschlussstation H 63-WMZ-X 11 Hkr.




      1. Beschreibung:
        Die Anschlussstation für Flächenheizung ist im Unterputz-Schrank montiert und umfasst einen Edelstahlverteiler mit regulierbaren Durchflussanzeigern und Ventileinsätzen (M30×1,5) sowie eine vertikale Anschlussgarnitur mit Wärmezählerverrohrung. Die vormontierten und verdrahteten Stellantriebe sind auf einer montierten Klemmleiste installiert.
      2. Bestandteile:

        1. Anschlussverteiler:
          • Anschlussverteiler e-class 63
          • Vor- und Rücklaufbalken aus profiliertem Edelstahlprofil DN 32
          • SFEE-Ventil (Spül-, Füll-, Entleer- und Entlüftungsventil) im Vorlauf- und Rücklaufbalken
          • Vorlaufbalken mit Regolux Durchflussanzeiger 0–3 l/min mit Memoryfunktion (Kvs = 1,23 m³/h)
          • Rücklaufbalken mit Ventileinsätzen VA mit Anschlussgewinde 30×1,5 (Kvs = 2,56 m³/h)
          • verzinkte Doppelwandhalter, Abstand der Vor- und Rücklaufverteilerbalken 165 mm
          • Befestigungsschellen mit Schalldämmeinlage, erfüllt DIN 4109
          • Flachdichtungen Centellen WS 3825 gelb
          • selbstklebende Beschriftungsaufkleber für Räume mit Bezeichnung Raum und Durchfluss
        2. Anschlussgarnitur:
          • Wärmezählerdistanzrohr 3/4" Länge 110 mm
          • 90°-Anschlusswinkel
          • Kugelhahn DN 20 mit Fühlereinbaustück D = 5–5,2 mm M10×1 im Vor- und Rücklauf
          • zweiter Kugelhahn DN 20 im Rücklauf
        3. Schrank:
          • Standard-UP-Schrank 69
          • verzinkte Einbauzarge Tiefe 110 mm, höhenverstellbare Füße bis 130 mm
          • Frontblende mit Stecktür in weiß RAL 9016, mit Stecklaschen und Drehriegel
          • Tiefe: 110–150 mm
          • Höhe: 710–840 mm
          • Nischeneinbauhöhe von OKFFB: 650 mm
          • Nischeneinbaubreite: Schrankbreite + 20 mm
        4. Antriebe:
          • strawatherm Stellantriebe 230 V
          • stromlos geschlossen
          • mit Re-Open-Funktion
        5. Klemmleiste:
          • strawalogiX RT-STA Klemmleiste 230 V
          • mit individueller Zuordnung der Stellantriebe zum Raumthermostat über das Wählrad
          • individuelle Weitergabe von Zeitbefehlen oder Nachtabsenkung von Uhrenthermostaten an Raumthermostate über die Klemmleiste
          • integriertes Pumpenmodul
          • 2 bis 8 Heizkreise -> max. 6 Raumthermostate und 8 Stell- bzw. Regelantriebe -> strawalogiX RT6-STA8 Klemmleiste 230 V
          • 9 bis 14 Heizkreise -> max. 8 Raumthermostate und 14 Stell- bzw. Regelantriebe -> strawalogiX RT8-STA14 Klemmleiste 230 V
      3. Technische Daten:
        • max. Volumenstrom: 2,14 m³/h
        • max. Betriebstemperatur: 70 °C
        • max. Betriebsdruck: 4 bar
        • Kvs-Wert pro Heizkreis: 1,07 m³/h
      4. Anschluesse:

        1. Heizung-Primäranschluss:
          • links oder optional rechts, vertikal mit 3/4" IG
        2. Heizung-Sekundäranschluss:
          • vertikale Heizkreisabgänge mit 3/4" AG mit Eurokonus, passend für Klemmverschraubungen
        3. Elektroanschluss:
          • bauseits muss ein abgesicherter Elektroanschluss 230 V vorgesehen werden
          • für den Anschluss von Raumthermostaten muss bauseits ein Elektrokabel mit mindestens 4 Adern pro Raumthermostat vorgesehen werden



Artikelspezifikation:
11 Heizkreise
Artikelabmessung: B x H x T: 900 x 725 x 122 mm
Artikelgewicht: 24,872 kg

GTIN: 4061323034468
Warennummer: 84198998
Werksartikelnummer: 56+006311X
Warengruppe: 56
URL: https://www.strawa.com/produkt/56+006311X

Marke: strawa

Hersteller: strawa Wärmetechnik GmbH
Telefon: +49 (0) 36256 8661-0
E-Mail: info@strawa.com
Technische Änderungen vorbehalten.
oder gleichwertig

Gewähltes Fabrikat und Typ: ...........................................
….....................................................................................
(vom Bieter auszufüllen)

zur Lieferung und betriebsfertigen Montage
________________________________________
Kostengruppe DIN 276 (2018-12): 422 Wärmeverteilnetze

Leistungsbereich STLB-Bau (2021-04): 041 Wärmeversorgungsanlagen - Leitungen, Armaturen, Heizflächen

Ausschreibungstexte

strawa FB-Anschlussstation
H 63-WMZ-X 11 Hkr.

vertikale Anschlussgarnitur mit Wärmezählerverohrung, Verteiler mit Durchflussanzeiger 0-3 l/min im Vorlaufbalken und Thermostatventileinsatz M30x1,5 im Rücklaufbalken, vormontierte Stellantriebe und Klemmleiste mit Vorverdrahtung, Standard-Unterputz-Schrank mit Frontblende in RAL 9016

11 Heizkreise
Abmessung B x H x T:
900 x 725 x 122 mm
Artikelgewicht: 24,872 kg
Werksartikelnummer: 56+006311X
Warennummer: 84198998
Warengruppe: 56

Hersteller: strawa Wärmetechnik GmbH
Telefon: +49 (0) 36256 8661-0
E-Mail: info@strawa.com
Technische Änderungen vorbehalten.
oder gleichwertig

Logistische Daten
ETIM / Technische Daten

Produkteigenschaften

Stammdaten

EinheitPCE

GTIN4061323034468

Listenpreis1.315,30 €

Mindesbestellmenge1

ArtikeltypStandard

HerkunftslandDeutschland

Zolltarifnummer84198998

Standardversand (Tage)4

Elektrische BestandteileJa

BatterieNein

Artikelabmessungen

Breite (mm)875

Höhe (mm)710

Tiefe (mm)110

Gewicht (kg)24,872

Verpackungsabmessungen

Breite (mm)770

Höhe (mm)165

Tiefe (mm)910

Gewicht (kg)26,572

Merkmale

Klassifizierung ETIM 9

Anschlussart Primärseite 2-rohrig

Geeignet für Kühlen ja

Werkstoff rostfreier Stahl

Position primärer Anschluss unten

Primärer Anschluss Innengewinde (metrisch)

Nenndurchmesser primär 3/4 Zoll (20)

Mit Ventilen am Primäranschluss ja

Max. Kühlleistung primär (bei primärer dT = 7K) 16.1 kW

Max. Heizleistung (bei Primär dT = 20K) 46.1 kW

Mediumtemperatur (Dauerbetrieb) -10 - 70 °C

Max. Arbeitsdruck 4 bar

Mit Mischventil nein

Erweiterbar nein

Max. Anzahl zusätzlicher Heizkreise 0

Multi-Zonen-Verteiler nein

Mit Temperaturbegrenzung nein

Mit Rückschlagklappe nein

Mit Umwälzpumpe nein

Druckstufe Artikel PN 4

Mit Regler nein

Hydraulischer Abgleich statisch

Volumenstrommessung analog

Mit Thermometer nein

Temperaturmessung Zufuhr ohne

Temperatue measurement Rücklauf ohne

Versorgungsspannung 230 V

Mit Entlüftung ja

Mit Manometer nein

Mit Füll-/Entleerungshahn ja

Anzahl der Gruppen sekundär 11

Sekundärer Anschluss Eurokonus nach EN 16313

Nenndurchmesser sekundär 3/4 Zoll (20)

Verschließbare Heizkreise ja

Mit Durchflussanzeige ja

Durchflussleistung 0 - 180 l/min

Mit thermischem Stellantrieb ja

Hublänge Antrieb 4 mm

Mit Keramikventil nein

Mit Wandbefestigungsbügel nein

Breite

Höhe

Tiefe

Mit Umbau ja

Passendes Zubehör

Sie benötigen Informationen?

Unser Team berät Sie kompetent zu unseren Produkten oder hilft Ihnen bei Auslegungen und Bestellungen. Vereinbaren Sie hier einen Rückruf.

Kontakt