Ihre Anfrage
Gern erhalten Sie Informationen zu folgenden Produkten:
Artikel
Sie können vorher alle Produkte nochmal bearbeiten
Anfrage
Gern erhalten Sie Informationen zu folgenden Produkten:
Sie können vorher alle Produkte nochmal bearbeiten
Sie können vorher alle Produkte nochmal bearbeiten
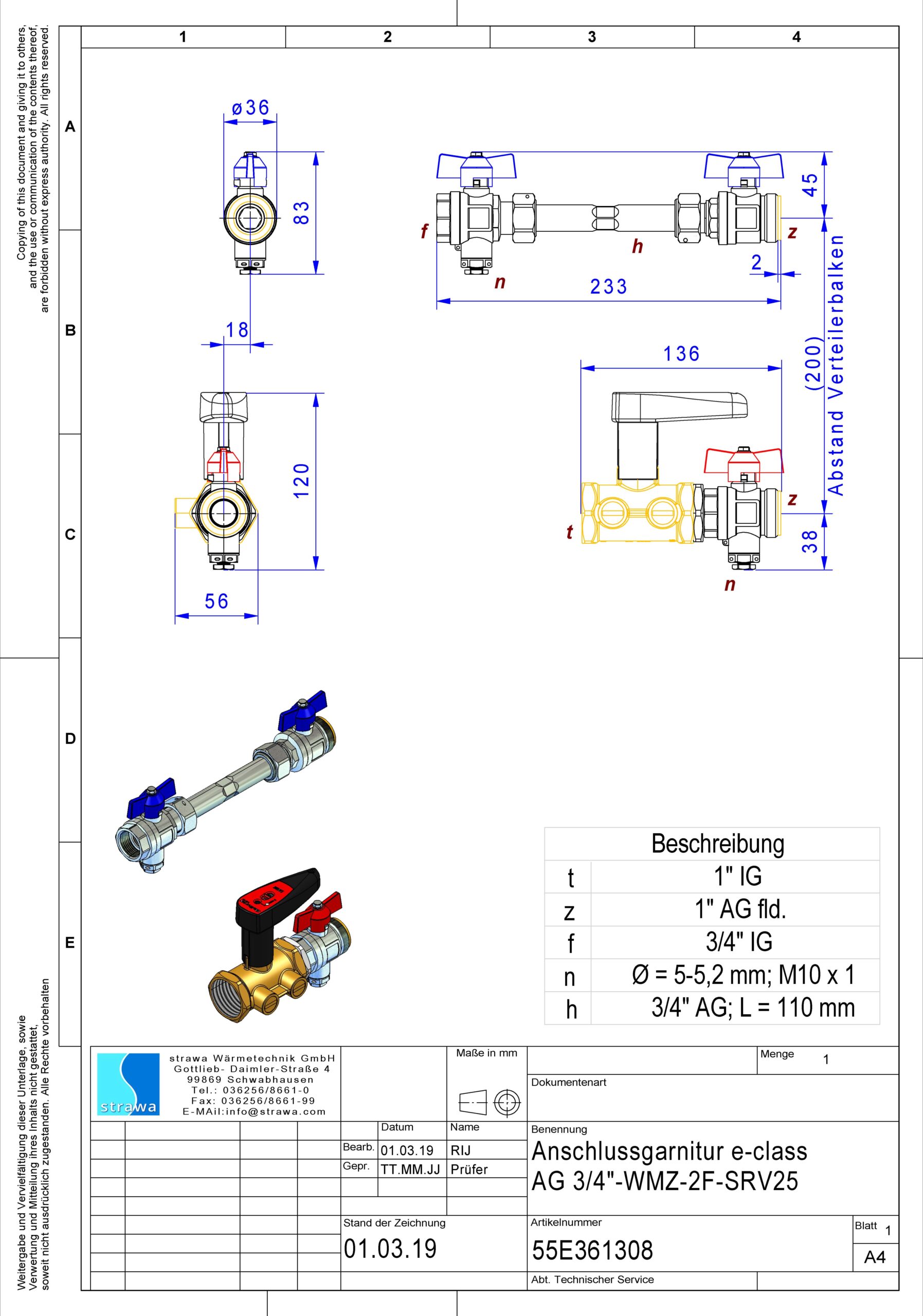
strawa Anschlussgarnitur e-class AG 3/4'' WMZ-2F-SRV25,BxHxT: 237x284x70 mm, mit WMZ, Primäranschluss horizontal, mit Distanzstück 3/4" 110 mm, 3/4" KH mit Fühlereinbaustück 5-5,2mm M10x1 im VL und RL , Strangregulierventil Ballorex Vario DN 25 im VL
Artikelnummer: 55E361308
Warengruppe: 55
Listenpreis: 221,60 €
strawa Anschlussgarnitur e-class AG 3/4“ WMZ-2F-SRV25
mit Wärmezählerverrohrung horizontal
/produktgruppe/mit-waermezaehlerverrohrung-horizontal
55E361308
Anschlussgarnitur mit Wärmezählerverrohrung, bestehend aus Vor- und Rücklaufkugelhahn mit Fühlereinbaustück 5-5,2 mm M10x1, zweitem Rücklaufkugelhahn und Wärmezählerdistanzstück, für den vertikalen Primäranschluss von Flächenheizungs- und Heizkörper-Anschlussverteilern. Zusätzlich ist im Vorlauf ein Strangregulierventil Ballorex Vario DN 25 für den manuellen hydraulischen Abgleich montiert.
strawa Anschlussgarnitur e-class AG 3/4'' WMZ-2F-SRV25
Hersteller: strawa Wärmetechnik GmbH
Telefon: +49 (0) 36256 8661-0
E-Mail: info@strawa.com
Technische Änderungen vorbehalten.
oder gleichwertig
Gewähltes Fabrikat und Typ: ...........................................
….....................................................................................
(vom Bieter auszufüllen)
zur Lieferung und betriebsfertigen Montage
________________________________________
Kostengruppe DIN 276 (2018-12): 422 Wärmeverteilnetze
Leistungsbereich STLB-Bau (2021-04): 041 Wärmeversorgungsanlagen - Leitungen, Armaturen, Heizflächen
Ausschreibungstexte können Sie auch im strawa-Produktverzeichnis auf ausschreiben.de herunterladen.
strawa Anschlussgarnitur
e-class AG 3/4'' WMZ-2F-SRV25
mit Wärmezählerverrohrung, Primäranschluss horizontal, mit Distanzstück 3/4" 110 mm, 3/4" Kugelhahn mit Fühlereinbaustück 5-5,2mm M10x1 im Vorlauf und Rücklauf, Strangregulierventil Ballorex Vario DN 25 im Vorlauf
Abmessung B x H x T:
237 x 284 x 70 mm
Artikelgewicht: 1,366 kg
Werksartikelnummer: 55E361308
Warennummer: 84818081
Warengruppe: 55
Hersteller: strawa Wärmetechnik GmbH
Telefon: +49 (0) 36256 8661-0
E-Mail: info@strawa.com
Technische Änderungen vorbehalten.
oder gleichwertig
EinheitPCE
GTIN4061323118632
Listenpreis221,60 €
Mindesbestellmenge1
ArtikeltypStandard
HerkunftslandChina, Volksrepublik
Zolltarifnummer84818081
Standardversand (Tage)3
Elektrische BestandteileNein
BatterieNein
Breite (mm)237
Höhe (mm)284
Tiefe (mm)70
Gewicht (kg)1,366
Breite (mm)195
Höhe (mm)85
Tiefe (mm)380
Gewicht (kg)1,541
Klassifizierung ETIM 9
Art des Zubehörs/Ersatzteils sonstige
Zubehör ja
Ersatzteil nein
Ausschreibungstexte können Sie auch im strawa-Produktverzeichnis auf ausschreiben.de herunterladen.