Produktübersicht ausklappen

Produktübersicht

0

Anfrage

weitere Artikel anfragen

Ihre Anfrage

Gern erhalten Sie Informationen zu folgenden Produkten:

Artikel

Sie können vorher alle Produkte nochmal bearbeiten

Artikel

Sie können vorher alle Produkte nochmal bearbeiten

Produktbild

strawa Comfort-Regelstation FBR-S10-18-V-WMZ-C69-EGO 8 Hkr.

strawa Comfort-Regelstation FBR-S10-18-V-WMZ-C69-EGO 8 Hkr.,BxHxT: 1500x775x122 mm, Systemtr. m. Festwert 20-50°C+Pumpe, vert. AG m. WMZ, Verteiler m. DFA min/max+THV für EGO-Regelantr., vorm. EGOs+Klemml.+Vorverdr., CUP-Schrank m. Frontbl. RAL 9016

Artikelnummer: 5502405408

Warengruppe: 550

Listenpreis: 2.980,00 €

Anfragen/Merken

Sie können sich im nächsten Schritt für die ausgewählten Produkte alle Downloaddokumente zusammenstellen die Sie benötigen oder direkt eine Bestellanfrage stellen.

Beschreibung
Artikeldaten
Downloads
Zubehör
Ersatzteile
Beschreibung
Ausschreibungstext
Langtext

strawa Comfort-Regelstation FBR-S10-18-V-WMZ-C69-EGO 8 Hkr.

strawa Comfort-Regelstation FBR-S10-18-V-WMZ-C69-EGO 8 Hkr.




      1. Beschreibung:
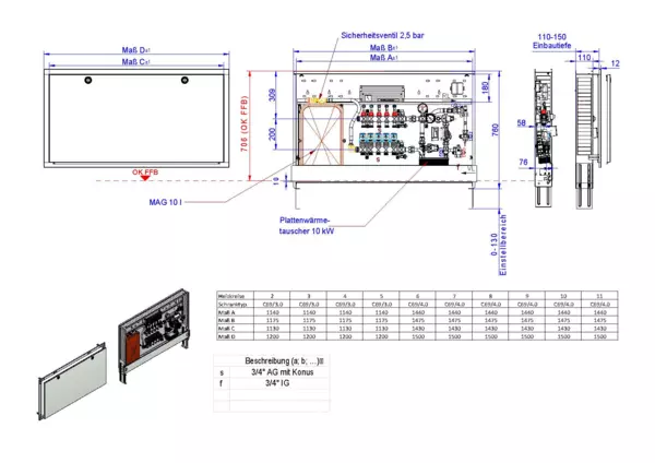
        Die Regelstation für Flächenheizung ist mit einer Systemtrennung und einer Festwertregelung 20-50 °C ausgestattet. Die im Unterputzschrank montierte Regelgruppe umfasst eine Umwälzpumpe, einen Edelstahlverteiler mit absperrbaren Durchflussanzeigern und Ventileinsätzen für EGO-Schnellverschluss, sowie eine vertikale Anschlussgarnitur mit Wärmezählerverrohrung. Die vormontierten und verdrahteten EGO-Regelantriebe sind auf einer montierten Klemmleiste installiert. Es gibt Platzhaltungen für Wasserzählereinbaustrecken.
        Die Regelstation gewährleistet über das EGO-System den vollautomatischen hydraulischen Abgleich der Heizkreise in der Station. Das EGO-System setzt sich aus dem Anschlussverteiler e-class 18 und einem intelligenten, autonomen elektrothermischen EGO-Regelantrieb für jeden Heizkreis zusammen.
      2. Bestandteile:

        1. Systemtrennung:
          • Primär- (Hochtemperaturkreis) und Sekundärkreis (Niedertemperaturkreis der Flächenheizung) sind voneinander durch Plattenwärmeübertrager getrennt
          • kupfergelöteter Plattenwärmeübertrager
          • Manometer 0-4 bar im Vorlaufbalken des Sekundärkreises montiert
          • Sicherheitsventil DN 15 2,5 bar und Membranausdehnungsgefäß (MAG) über Panzerschlauch am Rücklaufbalken montiert, Position des MAG links neben dem Verteiler
        2. Regelgruppe:
          • Regelventil mit Tauchfühler einstellbar von 20-50 °C
          • Temperaturbegrenzer voreingestellt auf 60 °C
          • Beimischung aus Sekundärkreislauf über Regulierventil
          • Thermometer 20-60 °C
          • Pumpe Wilo Para 15-130/6-43/SC-12
          • Rückschlagventil im Sekundärkreis
        3. Anschlussverteiler:
          • Anschlussverteiler e-class 18
          • Vor- und Rücklaufbalken aus profiliertem Edelstahlprofil DN 32
          • SFE-Ventil (Spül-, Füll- und Entleerventil) im Vorlauf- und Rücklaufbalken
          • Vorlaufbalken mit Durchflussanzeiger min. / max. (Kvs=1,23 m³/h)
          • Rücklaufbalken mit Ventileinsätzen VA mit Schnellverschluss (Kvs=2,56 m³/h)
          • verzinkte Doppelwandhalter, Abstand der Vor- und Rücklaufverteilerbalken 200 mm
          • Befestigungsschellen mit Schalldämmeinlage, erfüllt DIN 4109
          • Flachdichtungen Centellen WS 3825 gelb
          • selbstklebende Beschriftungsaufkleber für Räume mit Bezeichnung Raum und Durchfluss
        4. Anschlussgarnitur:
          • Wärmezählerdistanzrohr 3/4" Länge 110 mm
          • 90° Winkelanschlussstück im Rücklauf und Kugelhahn DN 20 mit Fühlereinbaustück D=5-5,2mm M10x1 im Vor- und Rücklauf
          • zweiter Kugelhahn DN 20 im Rücklauf
        5. Schrank:
          • Comfort-UP-Schrank C69
          • verzinkte Einbauzarge Tiefe 110 mm
          • höhenverstellbare Füße bis 130 mm
          • Fronblende mit Stecktür in weiß RAL 9016 mit Stecklaschen und Drehriegel
          • Tiefe: 110-150 mm
          • Höhe: 760-890 mm
          • Nischeneinbauhöhe von OKFFB: 720 mm
          • Nischeneinbaubreite Schrankbreite + 20 mm
        6. Antriebe:
          • EGO-Regelantrieb 230 V
          • intelligent autonomer elektrothermischer Regelantrieb 230 V NC
          • stromlos geschlossen
          • in Kombination mit handelsüblichen Raumthermostaten gewährleistet er den automatischen und bedarfsgerechten hydraulischen Abgleich der Heizkreise eines Heizkreisverteilers in Flächenheizungssystemen
          • Temperaturfühler geeignet für Flächenheizungsrohre aus Kunststoff, Metall oder Kombination daraus mit Außendurchmesser von 12 bis 20 mm
          • Hinweis: Für die Funktion des EGO ist ein Zweipunkt-Raumtemperaturregler erforderlich
          • max. Vorlauftemperatur: 60 °C (in Stellung Automatik ist die Vorlauftemperaturbegrenzung aktiv)
        7. Klemmleiste:
          • strawalogiX RT-STA Klemmleiste 230 V
          • mit individueller Zuordnung der Stellantriebe zum Raumthermostat über das Wählrad
          • individuelle Weitergabe von Zeitbefehlen oder Nachtabsenkung von Uhrenthermostaten an Raumthermostate über die Klemmleiste
          • integriertes Pumpenmodul
          • 2 bis 8 Heizkreise -> max. 6 Raumthermostate und 8 Stell- bzw. Regelantriebe -> strawalogiX RT6-STA8 Klemmleiste 230 V
          • 9 bis 14 Heizkreise -> max. 8 Raumthermostate und 14 Stell- bzw. Regelantriebe -> strawalogiX RT8-STA16 Klemmleiste 230 V
      3. Technische Daten:
        • ausreichend für ca. 120 m² beheizte Fläche, abhängig vom Wärmebedarf
        • max. Volumenstrom: 2,14 m³/h
        • max. Wärmeleistung: 10 kW
        • max. Betriebsdruck primär: 10 bar
        • max. Betriebsdruck sekundär: 2,5 bar
        • max. Betriebstemperatur primär: 90 °C
        • max. Betriebstemperatur sekundär: 50 °C
        • mindestens erforderlicher Differenzdruck primär: 200 mbar
      4. Anschluesse:

        1. Heizung-Primäranschluss:
          • rechts oder optinal links, vertikal mit 3/4" IG
        2. Heizung-Sekundäranschluss:
          • vertikal mit 3/4" AG und Konus
        3. Elektroanschluss:
          • bauseits muss ein abgesicherter Elektroanschluss 230 V vorgesehen werden
          • für den Anschluss von Raumthermostaten muss bauseits ein Elektrokabel mit mindestens 4 Adern pro Raumthermostat vorgesehen werden



Artikelspezifikation:
8 Heizkreise
Artikelabmessung: B x H x T: 1500 x 775 x 122 mm
Artikelgewicht: 41,711 kg

Marke: strawa
Hersteller: strawa Wärmetechnik GmbH
Telefon: +49 (0) 36256 8661-0 
E-Mail: info@strawa.com
Technische Änderungen vorbehalten.
oder gleichwertig

strawa Comfort-Regelstation FBR-S10-18-V-WMZ-C69-EGO 8 Hkr.




      1. Beschreibung:
        Die Regelstation für Flächenheizung ist mit einer Systemtrennung und einer Festwertregelung 20-50 °C ausgestattet. Die im Unterputzschrank montierte Regelgruppe umfasst eine Umwälzpumpe, einen Edelstahlverteiler mit absperrbaren Durchflussanzeigern und Ventileinsätzen für EGO-Schnellverschluss, sowie eine vertikale Anschlussgarnitur mit Wärmezählerverrohrung. Die vormontierten und verdrahteten EGO-Regelantriebe sind auf einer montierten Klemmleiste installiert. Es gibt Platzhaltungen für Wasserzählereinbaustrecken.
        Die Regelstation gewährleistet über das EGO-System den vollautomatischen hydraulischen Abgleich der Heizkreise in der Station. Das EGO-System setzt sich aus dem Anschlussverteiler e-class 18 und einem intelligenten, autonomen elektrothermischen EGO-Regelantrieb für jeden Heizkreis zusammen.
      2. Bestandteile:

        1. Systemtrennung:
          • Primär- (Hochtemperaturkreis) und Sekundärkreis (Niedertemperaturkreis der Flächenheizung) sind voneinander durch Plattenwärmeübertrager getrennt
          • kupfergelöteter Plattenwärmeübertrager
          • Manometer 0-4 bar im Vorlaufbalken des Sekundärkreises montiert
          • Sicherheitsventil DN 15 2,5 bar und Membranausdehnungsgefäß (MAG) über Panzerschlauch am Rücklaufbalken montiert, Position des MAG links neben dem Verteiler
        2. Regelgruppe:
          • Regelventil mit Tauchfühler einstellbar von 20-50 °C
          • Temperaturbegrenzer voreingestellt auf 60 °C
          • Beimischung aus Sekundärkreislauf über Regulierventil
          • Thermometer 20-60 °C
          • Pumpe Wilo Para 15-130/6-43/SC-12
          • Rückschlagventil im Sekundärkreis
        3. Anschlussverteiler:
          • Anschlussverteiler e-class 18
          • Vor- und Rücklaufbalken aus profiliertem Edelstahlprofil DN 32
          • SFE-Ventil (Spül-, Füll- und Entleerventil) im Vorlauf- und Rücklaufbalken
          • Vorlaufbalken mit Durchflussanzeiger min. / max. (Kvs=1,23 m³/h)
          • Rücklaufbalken mit Ventileinsätzen VA mit Schnellverschluss (Kvs=2,56 m³/h)
          • verzinkte Doppelwandhalter, Abstand der Vor- und Rücklaufverteilerbalken 200 mm
          • Befestigungsschellen mit Schalldämmeinlage, erfüllt DIN 4109
          • Flachdichtungen Centellen WS 3825 gelb
          • selbstklebende Beschriftungsaufkleber für Räume mit Bezeichnung Raum und Durchfluss
        4. Anschlussgarnitur:
          • Wärmezählerdistanzrohr 3/4" Länge 110 mm
          • 90° Winkelanschlussstück im Rücklauf und Kugelhahn DN 20 mit Fühlereinbaustück D=5-5,2mm M10x1 im Vor- und Rücklauf
          • zweiter Kugelhahn DN 20 im Rücklauf
        5. Schrank:
          • Comfort-UP-Schrank C69
          • verzinkte Einbauzarge Tiefe 110 mm
          • höhenverstellbare Füße bis 130 mm
          • Fronblende mit Stecktür in weiß RAL 9016 mit Stecklaschen und Drehriegel
          • Tiefe: 110-150 mm
          • Höhe: 760-890 mm
          • Nischeneinbauhöhe von OKFFB: 720 mm
          • Nischeneinbaubreite Schrankbreite + 20 mm
        6. Antriebe:
          • EGO-Regelantrieb 230 V
          • intelligent autonomer elektrothermischer Regelantrieb 230 V NC
          • stromlos geschlossen
          • in Kombination mit handelsüblichen Raumthermostaten gewährleistet er den automatischen und bedarfsgerechten hydraulischen Abgleich der Heizkreise eines Heizkreisverteilers in Flächenheizungssystemen
          • Temperaturfühler geeignet für Flächenheizungsrohre aus Kunststoff, Metall oder Kombination daraus mit Außendurchmesser von 12 bis 20 mm
          • Hinweis: Für die Funktion des EGO ist ein Zweipunkt-Raumtemperaturregler erforderlich
          • max. Vorlauftemperatur: 60 °C (in Stellung Automatik ist die Vorlauftemperaturbegrenzung aktiv)
        7. Klemmleiste:
          • strawalogiX RT-STA Klemmleiste 230 V
          • mit individueller Zuordnung der Stellantriebe zum Raumthermostat über das Wählrad
          • individuelle Weitergabe von Zeitbefehlen oder Nachtabsenkung von Uhrenthermostaten an Raumthermostate über die Klemmleiste
          • integriertes Pumpenmodul
          • 2 bis 8 Heizkreise -> max. 6 Raumthermostate und 8 Stell- bzw. Regelantriebe -> strawalogiX RT6-STA8 Klemmleiste 230 V
          • 9 bis 14 Heizkreise -> max. 8 Raumthermostate und 14 Stell- bzw. Regelantriebe -> strawalogiX RT8-STA16 Klemmleiste 230 V
      3. Technische Daten:
        • ausreichend für ca. 120 m² beheizte Fläche, abhängig vom Wärmebedarf
        • max. Volumenstrom: 2,14 m³/h
        • max. Wärmeleistung: 10 kW
        • max. Betriebsdruck primär: 10 bar
        • max. Betriebsdruck sekundär: 2,5 bar
        • max. Betriebstemperatur primär: 90 °C
        • max. Betriebstemperatur sekundär: 50 °C
        • mindestens erforderlicher Differenzdruck primär: 200 mbar
      4. Anschluesse:

        1. Heizung-Primäranschluss:
          • rechts oder optinal links, vertikal mit 3/4" IG
        2. Heizung-Sekundäranschluss:
          • vertikal mit 3/4" AG und Konus
        3. Elektroanschluss:
          • bauseits muss ein abgesicherter Elektroanschluss 230 V vorgesehen werden
          • für den Anschluss von Raumthermostaten muss bauseits ein Elektrokabel mit mindestens 4 Adern pro Raumthermostat vorgesehen werden



Artikelspezifikation:
8 Heizkreise
Artikelabmessung: B x H x T: 1500 x 775 x 122 mm
Artikelgewicht: 41,711 kg

GTIN: 4061323106110
Warennummer: 84198998
Werksartikelnummer: 5502405408
Warengruppe: 550
URL: https://www.strawa.com/produkt/5502405408

Marke: strawa

Hersteller: strawa Wärmetechnik GmbH
Telefon: +49 (0) 36256 8661-0 
E-Mail: info@strawa.com
Technische Änderungen vorbehalten.
oder gleichwertig

Gewähltes Fabrikat und Typ: ...........................................
….....................................................................................
(vom Bieter auszufüllen)

zur Lieferung und betriebsfertigen Montage
________________________________________
Kostengruppe DIN 276 (2018-12):  422 Wärmeverteilnetze

Leistungsbereich STLB-Bau (2021-04): 041 Wärmeversorgungsanlagen - Leitungen, Armaturen, Heizflächen

Ausschreibungstexte

strawa Comfort-Regelstation
FBR-S10-18-V-WMZ-C69-EGO 8 Hkr.

Systemtrennung 10 kW mit Festwertregelung 20-50 Grad Celsius und Pumpe Wilo Para 15-130/6-43/SC-12, vertikale Anschlussgarnitur mit Wärmezählerverohrung, Verteiler mit Durchflussanzeiger min/max im Vorlaufbalken und Thermostatventileinsatz für EGO-Aufnahme im Rücklaufbalken-Regelantr., mit vormontierten EGO-Regelantrieben und Klemmleiste mit Vorverdrahtung, Comfort-Unterputz-Schrank mit Frontblende RAL 9016

8 Heizkreise
Abmessung B x H x T:
1500 x 775 x 122 mm
Artikelgewicht: 41,711 kg
Werksartikelnummer: 5502405408
Warennummer: 84198998
Warengruppe: 550

Hersteller: strawa Wärmetechnik GmbH
Telefon: +49 (0) 36256 8661-0 
E-Mail: info@strawa.com
Technische Änderungen vorbehalten.
oder gleichwertig

Logistische Daten
ETIM / Technische Daten

Produkteigenschaften

Stammdaten

EinheitPCE

GTIN4061323106110

Listenpreis2.980,00 €

Mindesbestellmenge1

ArtikeltypStandard

HerkunftslandDeutschland

Zolltarifnummer84198998

Standardversand (Tage)4

Elektrische BestandteileJa

BatterieNein

Artikelabmessungen

Breite (mm)1475

Höhe (mm)760

Tiefe (mm)110

Gewicht (kg)41,711

Verpackungsabmessungen

Breite (mm)785

Höhe (mm)165

Tiefe (mm)1520

Gewicht (kg)46,497

Merkmale

Klassifizierung ETIM 9

Anschlussart Primärseite 2-rohrig

Geeignet für Kühlen nein

Werkstoff rostfreier Stahl

Position primärer Anschluss unten

Primärer Anschluss Innengewinde (metrisch)

Nenndurchmesser primär 3/4 Zoll (20)

Mit Ventilen am Primäranschluss ja

Max. Heizleistung (bei Primär dT = 20K) 33.5 kW

Mediumtemperatur (Dauerbetrieb) 30 - 80 °C

Max. Arbeitsdruck 10 bar

Mit Mischventil ja

Erweiterbar nein

Max. Anzahl zusätzlicher Heizkreise 0

Multi-Zonen-Verteiler nein

Mit Temperaturbegrenzung ja

Mit Rückschlagklappe nein

Mit Umwälzpumpe ja

Art der Pumpe (interne Pumpe) AC

Druckstufe Artikel PN 10

Mit Regler nein

Hydraulischer Abgleich dynamisch

Volumenstrommessung analog

Mit Thermometer ja

Temperaturmessung Zufuhr digital

Temperatue measurement Rücklauf digital

Versorgungsspannung 230 V

Mit Entlüftung ja

Mit Manometer ja

Mit Füll-/Entleerungshahn ja

Anzahl der Gruppen sekundär 8

Sekundärer Anschluss Eurokonus nach EN 16313

Nenndurchmesser sekundär 3/4 Zoll (20)

Verschließbare Heizkreise ja

Mit Durchflussanzeige ja

Durchflussleistung 0 - 180 l/min

Mit thermischem Stellantrieb ja

Hublänge Antrieb 4 mm

Mit Keramikventil nein

Mit Wandbefestigungsbügel nein

Breite

Höhe

Tiefe

Mit Umbau ja

Sie benötigen Informationen?

Unser Team berät Sie kompetent zu unseren Produkten oder hilft Ihnen bei Auslegungen und Bestellungen. Vereinbaren Sie hier einen Rückruf.

Kontakt