Produktübersicht ausklappen

Produktübersicht

0

Anfrage

weitere Artikel anfragen

Ihre Anfrage

Gern erhalten Sie Informationen zu folgenden Produkten:

Artikel

Sie können vorher alle Produkte nochmal bearbeiten

Artikel

Sie können vorher alle Produkte nochmal bearbeiten

Produktbild

strawa Comfort Mischstation
FBM-18-H-WMZ-C69-EGO 2 Hkr.

strawa Comfort Mischstation FBM-18-H-WMZ-C69-EGO 2 Hkr. BxHxT: 875 x 760 x 110 mm Mischg. m 3P SM m. Pumpe, horz. AG m. WMZ, Verteiler m. DFA min/max+THV f. EGO, m. vorm. EGO-Regelantr. u. Klemml. m. Vorverdr., Comfort-UP-Schrank m. Frontbl. RAL 9016

Artikelnummer: 5402305402

Warengruppe: 540

Listenpreis: 1.831,60 €

Anfragen/Merken

Sie können sich im nächsten Schritt für die ausgewählten Produkte alle Downloaddokumente zusammenstellen die Sie benötigen oder direkt eine Bestellanfrage stellen.

Beschreibung
Technische Daten
Downloads
Zubehör
Ersatzteile
Beschreibung
Vermarktungstext
Verwendungshinweis
Ausschreibungstext
Langtext

strawa Comfort Mischstation FBM-18-H-WMZ-C69-EGO 2 Hkr.

1. Beschreibung:
Mischstation für Flächenheizung mit witterungsgeführter Vorlauf-Temperaturregelung (Regler nicht im Lieferumfang), im Unterputzschrank montierte Mischgruppe mit Umwälzpumpe, Edelstahlverteiler mit absperrbarem Durchflussanzeigern und Ventileinsätzen für EGO-Schnellverschluss, horizontale Anschlussgarnitur mit Wärmezählerverrohrung, vormontierte und vorverdrahtete EGO-Regelantriebe auf vormontierter Klemmleiste, Platzhaltung für Wasserzählereinbaustrecke
EGO-Schnellverschluss, horizontale Anschlussgarnitur mit Wärmezählerverrohrung, Wasserzählereinbaustrecke für Trinkwasser kalt, vormontierte und vorverdrahtete EGO-Regelantriebe auf vormontierter Klemmleiste
Die Regelstation gewährleistet über das EGO-System den vollautomatischen hydraulischen Abgleich der Heizkreise in der Station. Das EGO-System besteht aus Anschlussverteiler e-class 18 und für jeden Heizkreis ein intelligenter autonomer elektrothermischer EGO-Regelantrieb
2. Technische Daten:
- ausreichend für ca. 200 m² beheizte Fläche, abhängig vom Wärmebedarf
- max. Volumenstrom: 2,14 m³/h
- max. Primär-Betriebstemperatur: 80 ° C
- max. Sekundär-Betriebstemperatur: 20-50 ° C
- max. Betriebsdruck: 4 bar
3. Bauteile:
3.1 Mischgruppe:
- Mischventil mit 3-Punkt-Stellmotor 230 V und Tauchfühler für witterungsgeführte Vorlauf-Temperaturregelung
- Temperaturbegrenzer voreingestellt auf 60 ° C
- Beimischung aus Sekundärkreislauf über Regulierventil
- Thermometer 20-60 ° C
- Pumpe Wilo Para 15-130/6-43/SC-12
- Rückschlagventil im Sekundärkreis
3.2 Anschlussverteiler:
- Anschlussverteiler e-class 18
- Vor- und Rücklaufbalken aus profiliertem Edelstahlprofil DN 32
- SFE-Ventil (Spül-, Füll- und Entleerventil) im Vorlauf- und Rücklaufbalken
- Vorlaufbalken mit Durchflussanzeiger min. / max. (Kvs=1,23 m³/h)
- Rücklaufbalken mit Ventileinsätzen VA mit Schnellverschluss (Kvs=2,56 m³/h)
- verzinkte Doppelwandhalter, Abstand der Vor- und Rücklaufverteilerbalken 200 mm
- Befestigungsschellen mit Schalldämmeinlage, erfüllt DIN 4109
- Flachdichtungen Centellen WS 3825 gelb
- selbstklebende Beschriftungsaufkleber für Räume mit Bezeichnung Raum und Durchfluss
3.3 Anschlussgarnitur:
- Wärmezählerdistanzrohr 3/4" Länge 110 mm
- Kugelhahn DN 20 mit Fühlereinbaustück D=5-5,2mm M10x1 im Vor- und Rücklauf
- zweiter Kugelhahn DN 20 im Rücklauf
3.4 Schrank:
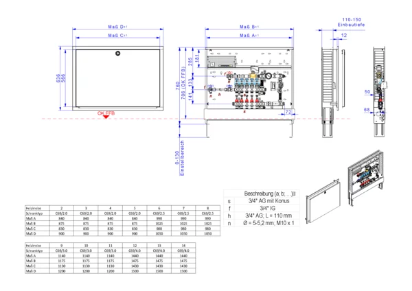
- Comfort-UP-Schrank C69
- verzinkte Einbauzarge Tiefe 110 mm
- höhenverstellbare Füße bis 130 mm
- Fronblende mit Stecktür in Weiß RAL 9016 mit Stecklaschen und Drehriegel
- Tiefe: 110-150 mm
- Höhe: 760-890 mm
- Nischeneinbauhöhe von OKFFB: 720 mm
- Nischeneinbaubreite Schrankbreite + 20 mm
3.5 Antriebe:
- EGO-Regelantrieb 230 V
- intelligent autonomer elektrothermischer Regelantrieb 230V NC
- stromlos geschlossen
- in Kombination mit handelsüblichen Raumthermostaten gewährleistet er den automatischen und bedarfsgerechten hydraulischen Abgleich der Heizkreise eines Heizkreisverteilers in Flächenheizungssystemen
- Temperaturfühler geeignet für Flächenheizungsrohre aus Kunststoff, Metall oder Kombination daraus mit Außendurchmesser von 12 bis 20 mm
- Hinweis: Für die Funktion des EGO ist ein Zweipunkt-Raumtemperaturregler erforderlich
- max. Vorlauftemperatur: 60 ° C (in Stellung Automatik ist die Vorlauftemperaturbegrenzung aktiv)
3.6 Klemmleiste:
- strawalogiX RT-STA Klemmleiste 230 V
- mit individueller Zuordnung der Stellantriebe zum Raumthermostat über das Wählrad
- individuelle Weitergabe von Zeitbefehlen oder Nachtabsenkung von Uhrenthermostaten an Raumthermostate über die Klemmleiste
- integriertes Pumpenmodul
- 2 bis 8 Heizkreise -> max. 6 Raumthermostate und 8 Stell- bzw. Regelantriebe -> strawalogiX RT6-STA8 Klemmleiste 230 V
- 9 bis 14 Heizkreise -> max. 8 Raumthermostate und 14 Stell- bzw. Regelantriebe -> strawalogiX RT8-STA16 Klemmleiste 230 V
4. Anschlüsse:
4.1 Heizung-Primäranschluss:
- links oder optional rechts, horizontal mit 3/4"IG
4.2 Heizung-Sekundäranschluss:
- vertikal mit 3/4"AG und Konus
4.3 Elektroanschluss:
- bauseits muss ein abgesicherter Elektroanschluss 230 V vorgesehen werden
- für den Anschluss von Raumthermostaten muss bauseits ein Elektrokabel mit mindestens 4 Adern pro Raumthermostat vorgesehen werden

Die Mischstation ist für Flächenheizungen geeignet. Hydraulisch wird die Station über das EGO-System automatisch an jedem Heizkreis abgeglichen. Im Comfort-Unterputzschrank mit Frontblende in weiß RAL 9016 mit einer Einbautiefe von 110-150 mm ist eine Mischgruppe mit integriertem 3-Punkt-Stellantrieb 230 V und geregelter Pumpe verbaut, eine witterungsgeführte Regelung ist nicht im Lieferumfang. Ein Edelstahlverteiler mit absperrbaren Durchflussanzeigern min/max. im Vorlaufbalken und Thermostatventileinsätzen mit EGO-Schnellverschlussaufnahme im Rücklaufbalken ist schallentkoppelt montiert. Auf jedem Heizkreis ist ein inteligent autonomer EGO- Regelantrieb 230 V mit Re-Open-Funktion montiert, die Regelantriebe sind auf der montierten strawalogiX RT-STA Klemmleiste vorverdrahtet. Über ein Wählrad in der Klemmleiste kann bauseits jeder Regelantrieb dem Raumthermostat zugeordnet werden. Eine horizontale Anschlussgarnitur mit Wärmezählervorbereitung 3/4" Länge 110 mm und Fühleranschluss 5-5,2 M10x1 im Vor- und Rücklaufkugelhahn ist montiert.

Für die Funktion der EGO-Regelantriebe sind Zweipunkt-Raumtemperaturregler erforderlich.
Die Durchflussanzeiger müssen voll geöffent werden.
Ein witterungsgeführter Regler muss bauseits gestellt werden.

strawa Comfort Mischstation FBM-18-H-WMZ-C69-EGO 2 Hkr.

1. Beschreibung:
Mischstation für Flächenheizung mit witterungsgeführter Vorlauf-Temperaturregelung (Regler nicht im Lieferumfang), im Unterputzschrank montierte Mischgruppe mit Umwälzpumpe, Edelstahlverteiler mit absperrbarem Durchflussanzeigern und Ventileinsätzen für EGO-Schnellverschluss, horizontale Anschlussgarnitur mit Wärmezählerverrohrung, vormontierte und vorverdrahtete EGO-Regelantriebe auf vormontierter Klemmleiste, Platzhaltung für Wasserzählereinbaustrecke
EGO-Schnellverschluss, horizontale Anschlussgarnitur mit Wärmezählerverrohrung, Wasserzählereinbaustrecke für Trinkwasser kalt, vormontierte und vorverdrahtete EGO-Regelantriebe auf vormontierter Klemmleiste
Die Regelstation gewährleistet über das EGO-System den vollautomatischen hydraulischen Abgleich der Heizkreise in der Station. Das EGO-System besteht aus Anschlussverteiler e-class 18 und für jeden Heizkreis ein intelligenter autonomer elektrothermischer EGO-Regelantrieb
2. Technische Daten:
- ausreichend für ca. 200 m² beheizte Fläche, abhängig vom Wärmebedarf
- max. Volumenstrom: 2,14 m³/h
- max. Primär-Betriebstemperatur: 80 ° C
- max. Sekundär-Betriebstemperatur: 20-50 ° C
- max. Betriebsdruck: 4 bar
3. Bauteile:
3.1 Mischgruppe:
- Mischventil mit 3-Punkt-Stellmotor 230 V und Tauchfühler für witterungsgeführte Vorlauf-Temperaturregelung
- Temperaturbegrenzer voreingestellt auf 60 ° C
- Beimischung aus Sekundärkreislauf über Regulierventil
- Thermometer 20-60 ° C
- Pumpe Wilo Para 15-130/6-43/SC-12
- Rückschlagventil im Sekundärkreis
3.2 Anschlussverteiler:
- Anschlussverteiler e-class 18
- Vor- und Rücklaufbalken aus profiliertem Edelstahlprofil DN 32
- SFE-Ventil (Spül-, Füll- und Entleerventil) im Vorlauf- und Rücklaufbalken
- Vorlaufbalken mit Durchflussanzeiger min. / max. (Kvs=1,23 m³/h)
- Rücklaufbalken mit Ventileinsätzen VA mit Schnellverschluss (Kvs=2,56 m³/h)
- verzinkte Doppelwandhalter, Abstand der Vor- und Rücklaufverteilerbalken 200 mm
- Befestigungsschellen mit Schalldämmeinlage, erfüllt DIN 4109
- Flachdichtungen Centellen WS 3825 gelb
- selbstklebende Beschriftungsaufkleber für Räume mit Bezeichnung Raum und Durchfluss
3.3 Anschlussgarnitur:
- Wärmezählerdistanzrohr 3/4" Länge 110 mm
- Kugelhahn DN 20 mit Fühlereinbaustück D=5-5,2mm M10x1 im Vor- und Rücklauf
- zweiter Kugelhahn DN 20 im Rücklauf
3.4 Schrank:
- Comfort-UP-Schrank C69
- verzinkte Einbauzarge Tiefe 110 mm
- höhenverstellbare Füße bis 130 mm
- Fronblende mit Stecktür in Weiß RAL 9016 mit Stecklaschen und Drehriegel
- Tiefe: 110-150 mm
- Höhe: 760-890 mm
- Nischeneinbauhöhe von OKFFB: 720 mm
- Nischeneinbaubreite Schrankbreite + 20 mm
3.5 Antriebe:
- EGO-Regelantrieb 230 V
- intelligent autonomer elektrothermischer Regelantrieb 230V NC
- stromlos geschlossen
- in Kombination mit handelsüblichen Raumthermostaten gewährleistet er den automatischen und bedarfsgerechten hydraulischen Abgleich der Heizkreise eines Heizkreisverteilers in Flächenheizungssystemen
- Temperaturfühler geeignet für Flächenheizungsrohre aus Kunststoff, Metall oder Kombination daraus mit Außendurchmesser von 12 bis 20 mm
- Hinweis: Für die Funktion des EGO ist ein Zweipunkt-Raumtemperaturregler erforderlich
- max. Vorlauftemperatur: 60 ° C (in Stellung Automatik ist die Vorlauftemperaturbegrenzung aktiv)
3.6 Klemmleiste:
- strawalogiX RT-STA Klemmleiste 230 V
- mit individueller Zuordnung der Stellantriebe zum Raumthermostat über das Wählrad
- individuelle Weitergabe von Zeitbefehlen oder Nachtabsenkung von Uhrenthermostaten an Raumthermostate über die Klemmleiste
- integriertes Pumpenmodul
- 2 bis 8 Heizkreise -> max. 6 Raumthermostate und 8 Stell- bzw. Regelantriebe -> strawalogiX RT6-STA8 Klemmleiste 230 V
- 9 bis 14 Heizkreise -> max. 8 Raumthermostate und 14 Stell- bzw. Regelantriebe -> strawalogiX RT8-STA16 Klemmleiste 230 V
4. Anschlüsse:
4.1 Heizung-Primäranschluss:
- links oder optional rechts, horizontal mit 3/4"IG
4.2 Heizung-Sekundäranschluss:
- vertikal mit 3/4"AG und Konus
4.3 Elektroanschluss:
- bauseits muss ein abgesicherter Elektroanschluss 230 V vorgesehen werden
- für den Anschluss von Raumthermostaten muss bauseits ein Elektrokabel mit mindestens 4 Adern pro Raumthermostat vorgesehen werden

Abmessung (Breite x Höhe x Tiefe): 900 x 775 x 122 mm
Gewicht: 25,032 kg
EAN: 4061323107209
Warennummer: 84198998
Artikelnummer: 5402305402
Warengruppe: 540
URL: https://www.strawa.com/produkt/5402305402

Fabrikat: strawa Wärmetechnik GmbH
Telefon: +49 (0) 36256 8661-0
EMail: info@strawa.com
Technische Änderungen vorbehalten.
oder gleichwertig

Gewähltes Fabrikat und Typ: ...........................................
….....................................................................................
(vom Bieter auszufüllen)

zur Lieferung und betriebsfertigen Montage
________________________________________
Kostengruppe DIN 276 (2018-12) 422 Wärmeverteilnetze
Leistungsbereich STLB-Bau (2021-04) 041 Wärmeversorgungsanlagen - Leitungen, Armaturen, Heizflächen

Ausschreibungstexte

strawa Comfort Mischstation
FBM-18-H-WMZ-C69-EGO 2 Hkr.
BxHxT: 875 x 760 x 110 mm
Mischgruppe mit 3-Punkt-Stellmotor 230 V
und Pumpe Wilo Para 15-130/6-43/SC-12,
horizontale Anschlussgarnitur mit
Wärmezählerverrohrung, Verteiler mit
Durchflussanzeiger min/max im
Vorlaufbalken und
Thermostatventileinsatz für EGO-Aufnahme
im Rücklaufbalken, mit vormontierten
EGO-Regelantrieben und Klemmleiste mit
Vorverdrahtung,
Comfort-Unterputz-Schrank mit
Frontblende RAL 9016

EAN: 4061323107209
Artikelnummer: 5402305402
Warengruppe: 540
Warennummer: 84198998

Hersteller: strawa Wärmetechnik GmbH
Telefon: +49 36256 8661-0
EMail: info@strawa.com
Technische Änderungen vorbehalten

Produkteigenschaften

Stammdaten

EinheitPCE

GTIN4061323107209

Listenpreis1.831,60 €

Mindesbestellmenge1

ArtikeltypSTD

Steuerrate19 %

HerkunftslandDE

Zolltarifnummer84198998

Standardversand (Tage)4

Elektrische BestandteileJa

Batteriegewicht (kg)0


Artikelabmessungen

Breite (mm)900

Höhe (mm)775

Tiefe (mm)122

Gewicht (kg)25,136

Verpackungsabmessungen

Breite (mm)785

Höhe (mm)165

Tiefe (mm)910

Gewicht (kg)26,906

Merkmale

Klassifizierung ETIM 9

Anschlussart Primärseite 2-rohrig

Geeignet für Kühlen Nein

Werkstoff rostfreier Stahl

Position primärer Anschluss links

Primärer Anschluss Innengewinde (metrisch)

Nenndurchmesser primär 3/4 Zoll (20)

Rohraußendurchmesser primär -

Mit Ventilen am Primäranschluss Ja

Max. Kühlleistung primär (bei primärer dT = 7K) -

Max. Heizleistung (bei Primär dT = 20K) 8,4 kW

Mediumtemperatur (Dauerbetrieb) 30 - 80 °C

Primäre Drückdifferenz -

Max. Arbeitsdruck 4 bar

Mit Mischventil Ja

Erweiterbar Nein

Max. Anzahl zusätzlicher Heizkreise 0

Multi-Zonen-Verteiler Nein

Mit Temperaturbegrenzung Ja

Mit Rückschlagklappe Ja

Mit Umwälzpumpe Ja

Art der Pumpe (interne Pumpe) AC

Druckstufe Artikel PN 4

Mit Regler Nein

Hydraulischer Abgleich dynamisch

Volumenstrommessung analog

Mit Thermometer Ja

Temperaturmessung Zufuhr digital

Temperatue measurement Rücklauf digital

Versorgungsspannung 230 V

Frequenz -

Leistungsaufnahme Betrieb -

Mit Entlüftung Ja

Mit Manometer Nein

Mit Füll-/Entleerungshahn Ja

Anzahl der Gruppen sekundär 2

Sekundärer Anschluss Eurokonus nach EN 16313

Nenndurchmesser sekundär 3/4 Zoll (20)

Rohraußendurchmesser sekundär -

Verschließbare Heizkreise Ja

Mit Durchflussanzeige Ja

Durchflussleistung 0 - 180 l/h

Mit thermischem Stellantrieb Ja

Hublänge Antrieb 4 mm

Mit Keramikventil Nein

Min. Druckdifferenz Sekundärvorlauf/-rücklauf -

Mit Wandbefestigungsbügel Nein

Breite 875 mm

Höhe 760 mm

Tiefe 110 mm

Mit Umbau Ja

Passendes Zubehör

Sie benötigen Informationen?

Unser Team berät Sie kompetent zu unseren Produkten oder hilft Ihnen bei Auslegungen und Bestellungen. Vereinbaren Sie hier einen Rückruf.

Kontakt