Ihre Anfrage
Gern erhalten Sie Informationen zu folgenden Produkten:
Artikel
Sie können vorher alle Produkte nochmal bearbeiten
Anfrage
Gern erhalten Sie Informationen zu folgenden Produkten:
Sie können vorher alle Produkte nochmal bearbeiten
Sie können vorher alle Produkte nochmal bearbeiten
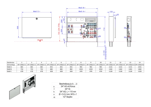
strawa Comfort Anschlussstation FBH-18-V-W2-WMZ-CA-EGO 7 Hkr. BxHxT: 882 x 710 x 125 mm vert. AG. m. WMZ, Verteiler m. DFA min/max+THV für EGO, m. vorm. EGO-Regelantr. u. Klemml. m. Vorverdr., Wasserzählerstr. TW kalt u. warm, Comfort-AP-Schrank RAL 9016
Artikelnummer: 5203407407
Warengruppe: 520
Listenpreis: 1.558,20 €
strawa Comfort Anschlussstation FBH-18-V-W2-WMZ-CA-EGO 7 Hkr.
im Comfort-AP-Schrank 125 mm
/produktgruppe/im-comfort-ap-schrank-125-mm-4
5203407407
Die Anschlussstation ist für Flächenheizungen geeignet. Hydraulisch wird die Station über das EGO-System automatisch an jedem Heizkreis abgeglichen. Im Comfort-Aufputzschrank komplett in weiß RAL 9016 mit einer Bautiefe von 125 mm ist ein Edelstahlverteiler mit absperrbaren Durchflussanzeigern min/max. im Vorlaufbalken und Thermostatventileinsätzen mit EGO-Schnellverschlussaufnahme im Rücklaufbalken schallentkoppelt montiert. Auf jedem Heizkreis ist ein inteligent autonomer EGO- Regelantrieb 230 V mit Re-Open-Funktion montiert, die Regelantriebe sind auf der montierten strawalogiX RT-STA Klemmleiste vorverdrahtet. Über ein Wählrad in der Klemmleiste kann bauseits jeder Regelantrieb dem Raumthermostat zugeordnet werden. Eine vertikale Anschlussgarnitur mit Wärmezählervorbereitung 3/4" Länge 110 mm und Fühleranschluss 5-5,2 M10x1 im Vor- und Rücklaufkugelhahn ist montiert. In der Anschlussstation ist eine Wasserzählervorbereitung 3/4" AG Länge 110 mm mit Absperrungen für kaltes und warmes Trinkwasser montiert.
Für die Funktion der EGO-Regelantriebe sind Zweipunkt-Raumtemperaturregler erforderlich.
Die Durchflussanzeiger müssen voll geöffent werden.
strawa Comfort Anschlussstation FBH-18-V-W2-WMZ-CA-EGO 7 Hkr.
1. Beschreibung:
Anschlussstation für Flächenheizung, im Aufputzschrank montierter Edelstahlverteiler mit absperrbarem Durchflussanzeigern und Ventileinsätzen für EGO-Schnellverschluss, vertikale Anschlussgarnitur mit Wärmezählerverrohrung, Wasserzählereinbaustrecke für Trinkwasser kalt und warm, vormontierte und vorverdrahtete EGO-Regelantriebe auf vormontierter Klemmleiste
Die Anschlussstation gewährleistet über das EGO-System den vollautomatischen hydraulischen Abgleich der Heizkreise in der Station. Das EGO-System besteht aus Anschlussverteiler e-class 18 und für jeden Heizkreis ein intelligenter autonomer elektrothermischer EGO-Regelantrieb
2. Technische Daten:
- max. Volumenstrom: 2,14 m³/h
- max. Betriebstemperatur: 70 ° C (Vorlauftemperaturbegrenzung bei montiertem EGO Regelantrieb 60 ° C)
- max. Betriebsdruck: 4 bar
- Kvs-Wert pro Heizkreis: 1,07 m³/h
3. Bauteile:
3.1 Anschlussverteiler:
- Anschlussverteiler e-class 18
- Vor- und Rücklaufbalken aus profiliertem Edelstahlprofil DN 32
- SFEE-Ventil (Spül-, Füll- und Entleer- und Entlüftungsventil) im Vorlauf- und Rücklaufbalken
- Vorlaufbalken mit Durchflussanzeiger min. / max. (Kvs=1,23 m³/h)
- Rücklaufbalken mit Ventileinsätzen VA mit Schnellverschluss (Kvs=2,56 m³/h)
- verzinkte Doppelwandhalter, Abstand der Vor- und Rücklaufverteilerbalken 200 mm
- Befestigungsschellen mit Schalldämmeinlage, erfüllt DIN 4109
- Flachdichtungen Centellen WS 3825 gelb
- selbstklebende Beschriftungsaufkleber für Räume mit Bezeichnung Raum und Durchfluss
3.2 Anschlussgarnitur:
- Wärmezählerdistanzrohr 3/4" Länge 110 mm
- 90° Winkelanschlussstück
- Kugelhahn DN 20 mit Fühlereinbaustück D=5-5,2mm M10x1 im Vor- und Rücklauf
- zweiter Kugelhahn DN 20 im Rücklauf
3.3 Schrank:
- Comfort-AP-Schrank CA
- höhenverstellbare Füße bis 130 mm
- kompletter Schrank mit Stecktür in Weiß RAL 9016 und Drehriegel
- Tiefe: 125 mm
- Höhe: 710-840 mm
- Höhe von OKFFB: 710 mm
3.4 Wasserzählereinbaustrecke:
- W2 für Trinkwasser kalt und warm
- 4 Stück DVGW-Kugelhähne DN 20
- 2 Stück Wasserzählerdistanzrohr 3/4" Länge 110 mm, mit EPP-Dämmung
3.5 Antriebe:
- EGO-Regelantrieb 230 V
- intelligent autonomer elektrothermischer Regelantrieb 230V NC
- stromlos geschlossen
- in Kombination mit handelsüblichen Raumthermostaten gewährleistet er den automatischen und bedarfsgerechten hydraulischen Abgleich der Heizkreise eines Heizkreisverteilers in Flächenheizungssystemen
- Temperaturfühler geeignet für Flächenheizungsrohre aus Kunststoff, Metall oder Kombination daraus mit Außendurchmesser von 12 bis 20 mm
- Hinweis: Für die Funktion des EGO ist ein Zweipunkt-Raumtemperaturregler erforderlich
- max. Vorlauftemperatur: 60 ° C (in Stellung Automatik ist die Vorlauftemperaturbegrenzung aktiv)
3.6 Klemmleiste:
- strawalogiX RT-STA Klemmleiste 230 V
- mit individueller Zuordnung der Stellantriebe zum Raumthermostat über das Wählrad
- individuelle Weitergabe von Zeitbefehlen oder Nachtabsenkung von Uhrenthermostaten an Raumthermostate über die Klemmleiste
- integriertes Pumpenmodul
- 2 bis 8 Heizkreise -> max. 6 Raumthermostate und 8 Stell- bzw. Regelantriebe -> strawalogiX RT6-STA8 Klemmleiste 230 V
- 9 bis 14 Heizkreise -> max. 8 Raumthermostate und 14 Stell- bzw. Regelantriebe -> strawalogiX RT8-STA16 Klemmleiste 230 V
4. Anschlüsse.
4.1 Heizung-Primäranschluss:
- links oder optional rechts, vertikal mit 3/4"IG
4.2 Heizung-Sekundäranschluss:
- vertikal mit 3/4"AG und Konus
4.3 Trinkwasser-Anschluss:
- Anschluss vertikal nach unten mit 3/4"IG
4.4 Elektroanschluss:
- bauseits muss ein abgesicherter Elektroanschluss 230 V vorgesehen werden
- für den Anschluss von Raumthermostaten muss bauseits ein Elektrokabel mit mindestens 4 Adern pro Raumthermostat vorgesehen werden
Abmessung (Breite x Höhe x Tiefe): 882 x 710 x 125 mm
Gewicht: 23,608 kg
EAN: 4061323098033
Warennummer: 84198998
Artikelnummer: 5203407407
Warengruppe: 520
URL: https://www.strawa.com/produkt/5203407407
Fabrikat: strawa Wärmetechnik GmbH
Telefon: +49 (0) 36256 8661-0
EMail: info@strawa.com
Technische Änderungen vorbehalten.
oder gleichwertig
Gewähltes Fabrikat und Typ: ...........................................
….....................................................................................
(vom Bieter auszufüllen)
zur Lieferung und betriebsfertigen Montage
________________________________________
Kostengruppe DIN 276 (2018-12) 422 Wärmeverteilnetze
Leistungsbereich STLB-Bau (2021-04) 041 Wärmeversorgungsanlagen - Leitungen, Armaturen, Heizflächen
Ausschreibungstexte können Sie auch im strawa-Produktverzeichnis auf ausschreiben.de herunterladen.
strawa Comfort Anschlussstation
FBH-18-V-W2-WMZ-CA-EGO 7 Hkr.
BxHxT: 882 x 710 x 125 mm
vertikale Anschlussgarnitur mit
Wärmezählerverohrung, Verteiler mit
Durchflussanzeiger min/max im
Vorlaufbalken und
Thermostatventileinsatz für EGO-Aufnahme
im Rücklaufbalken, mit vormontierten
EGO-Regelantrieben und Klemmleiste mit
Vorverdrahtung, Wasserzählerstrecken
Trinkwasser kalt und warm,
Comfort-Aufputz-Schrank RAL 9016
EAN: 4061323098033
Artikelnummer: 5203407407
Warengruppe: 520
Warennummer: 84198998
Hersteller: strawa Wärmetechnik GmbH
Telefon: +49 36256 8661-0
EMail: info@strawa.com
Technische Änderungen vorbehalten
EinheitPCE
GTIN4061323098033
Listenpreis1.558,20 €
Mindesbestellmenge1
ArtikeltypSTD
Steuerrate19 %
HerkunftslandDE
Zolltarifnummer84198998
Standardversand (Tage)4
Elektrische BestandteileJa
Batteriegewicht (kg)0
Breite (mm)882
Höhe (mm)710
Tiefe (mm)125
Gewicht (kg)23,56
Breite (mm)770
Höhe (mm)135
Tiefe (mm)910
Gewicht (kg)24,69
Klassifizierung ETIM 9
Anschlussart Primärseite 2-rohrig
Geeignet für Kühlen Ja
Werkstoff rostfreier Stahl
Position primärer Anschluss unten
Primärer Anschluss Innengewinde (metrisch)
Nenndurchmesser primär 3/4 Zoll (20)
Rohraußendurchmesser primär -
Mit Ventilen am Primäranschluss Ja
Max. Kühlleistung primär (bei primärer dT = 7K) 10,3 kW
Max. Heizleistung (bei Primär dT = 20K) 29,3 kW
Mediumtemperatur (Dauerbetrieb) 0 - 60 °C
Primäre Drückdifferenz -
Max. Arbeitsdruck 4 bar
Mit Mischventil Nein
Erweiterbar Nein
Max. Anzahl zusätzlicher Heizkreise 0
Multi-Zonen-Verteiler Nein
Mit Temperaturbegrenzung Ja
Mit Rückschlagklappe Nein
Mit Umwälzpumpe Nein
Art der Pumpe (interne Pumpe) -
Druckstufe Artikel PN 4
Mit Regler Nein
Hydraulischer Abgleich dynamisch
Volumenstrommessung analog
Mit Thermometer Nein
Temperaturmessung Zufuhr digital
Temperatue measurement Rücklauf digital
Versorgungsspannung 230 V
Frequenz -
Leistungsaufnahme Betrieb -
Mit Entlüftung Ja
Mit Manometer Nein
Mit Füll-/Entleerungshahn Ja
Anzahl der Gruppen sekundär 7
Sekundärer Anschluss Eurokonus nach EN 16313
Nenndurchmesser sekundär 3/4 Zoll (20)
Rohraußendurchmesser sekundär -
Verschließbare Heizkreise Ja
Mit Durchflussanzeige Ja
Durchflussleistung 0 - 180 l/h
Mit thermischem Stellantrieb Ja
Hublänge Antrieb 4 mm
Mit Keramikventil Nein
Min. Druckdifferenz Sekundärvorlauf/-rücklauf -
Mit Wandbefestigungsbügel Nein
Breite 882 mm
Höhe 710 mm
Tiefe 125 mm
Mit Umbau Ja
Ausschreibungstexte können Sie auch im strawa-Produktverzeichnis auf ausschreiben.de herunterladen.