Produktübersicht ausklappen

Produktübersicht

0

Anfrage

weitere Artikel anfragen

Ihre Anfrage

Gern erhalten Sie Informationen zu folgenden Produkten:

Artikel

Sie können vorher alle Produkte nochmal bearbeiten

Artikel

Sie können vorher alle Produkte nochmal bearbeiten

Produktbild

strawa Comfort Anschlussstation
FBH-63-V-CA-E 9 Hkr.

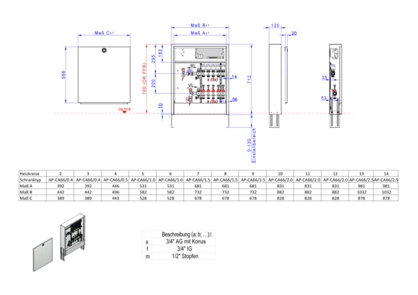
strawa Comfort Anschlussstation FBH-63-V-CA-E 9 Hkr. BxHxT: 732 x 710 x 125 mm vert. AG. o. WMZ, Verteiler mit DFA 0-3 l/min + THV M30x1,5, vorm. Stellantr. + Klemml. m. Vorverdraht., Comfort-AP-Schrank in RAL 9016

Artikelnummer: 5203205309

Warengruppe: 520

Alternativprodukt: 50+506309X

Listenpreis: 1.139,50 €

Anfragen/Merken

Sie können sich im nächsten Schritt für die ausgewählten Produkte alle Downloaddokumente zusammenstellen die Sie benötigen oder direkt eine Bestellanfrage stellen.

Beschreibung
Technische Daten
Downloads
Zubehör
Ersatzteile
Beschreibung
Vermarktungstext
Ausschreibungstext
Langtext

strawa Comfort Anschlussstation FBH-63-V-CA-E 9 Hkr.

1. Beschreibung:
Anschlussstation für Flächenheizung, im Aufputzschrank montierter Edelstahlverteiler mit regulierbaren Durchflussanzeigern und Ventileinsätzen (M30x1,5), vertikale Anschlussgarnitur ohne Wärmezählerverrohrung, vormontierte und vorverdrahtete Stellantriebe auf vormontierter Klemmleiste
2. Technische Daten:
- max. Volumenstrom: 2,14 m³/h
- max. Betriebstemperatur: 70 ° C
- max. Betriebsdruck: 4 bar
- Kvs-Wert pro Heizkreis: 1,07 m³/h
3. Bauteile:
3.1 Anschlussverteiler:
- Anschlussverteiler e-class 63
- Vor- und Rücklaufbalken aus profiliertem Edelstahlprofil DN 32
- SFEE-Ventil (Spül-, Füll- und Entleer- und Entlüftungsventil) im Vorlauf- und Rücklaufbalken
- Vorlaufbalken mit Regolux Durchflussanzeiger 0-3 l/min mit Memoryfunktion (Kvs=1,23 m³/h)
- Rücklaufbalken mit Ventileinsätzen VA mit Anschlussgewinde 30x1,5 (Kvs=2,56 m³/h)
- verzinkte Doppelwandhalter, Abstand der Vor- und Rücklaufverteilerbalken 200 mm
- Befestigungsschellen mit Schalldämmeinlage, erfüllt DIN 4109
- Flachdichtungen Centellen WS 3825 gelb
- selbstklebende Beschriftungsaufkleber für Räume mit Bezeichnung Raum und Durchfluss
3.2 Anschlussgarnitur:
- 2 Stück Kugelhahn DN 20 und 2 Stück 90°-Anschlusswinkel
3.3 Schrank:
- Comfort-AP-Schrank CA
- höhenverstellbare Füße bis 130 mm
- kompletter Schrank mit Stecktür in Weiß RAL 9016 und Drehriegel
- Tiefe: 125 mm
- Höhe: 710-840 mm
- Höhe von OKFFB: 710 mm
3.4 Antriebe:
- strawatherm Stellantriebe 230 V
- stromlos geschlossen
- mit Re-Open-Funktion
3.5 Klemmleiste:
- strawalogiX RT-STA Klemmleiste 230 V
- mit individueller Zuordnung der Stellantriebe zum Raumthermostat über das Wählrad
- individuelle Weitergabe von Zeitbefehlen oder Nachtabsenkung von Uhrenthermostaten an Raumthermostate über die Klemmleiste
- integriertes Pumpenmodul
- 2 bis 8 Heizkreise -> max. 6 Raumthermostate und 8 Stell- bzw. Regelantriebe -> strawalogiX RT6-STA8 Klemmleiste 230 V
- 9 bis 14 Heizkreise -> max. 8 Raumthermostate und 14 Stell- bzw. Regelantriebe -> strawalogiX RT8-STA16 Klemmleiste 230 V
4. Anschlüsse:
4.1 Heizung-Primäranschluss:
- links oder optional rechts, vertikal mit 3/4"IG
4.2 Heizung-Sekundäranschluss:
- Heizkreisabgänge mit Anschlussgewinde 3/4''AG mit Eurokonus, passend für Klemmverschraubungen
4.3 Elektroanschluss:
- bauseits muss ein abgesicherter Elektroanschluss 230 V vorgesehen werden
- für den Anschluss von Raumthermostaten muss bauseits ein Elektrokabel mit mindestens 4 Adern pro Raumthermostat vorgesehen werden

Die Anschlussstation ist für Flächenheizungen und -kühlungen geeignet. Hydraulisch wird die Station am Durchflussanzeiger der Heizkreise manuell abgeglichen. Im Comfort-Aufputzschrank komplett in weiß RAL 9016 mit einer Bautiefe von 125 mm ist ein Edelstahlverteiler mit absperrbaren und regulierbaren Durchflussanzeigern 0-3 l/min im Vorlaufbalken und Thermostatventileinsätzen (M30x1,5) im Rücklaufbalken schallentkoppelt montiert. Es sind auf jedem Heizkreis Stellantriebe 230 V mit Re-Open-Funktion montiert, diese sind auf der montierten strawalogiX RT-STA Klemmleiste vorverdrahtet. Über ein Wählrad in der Klemmleiste kann bauseits jeder Stellantrieb dem Raumthermostat zugeordnet werden. Eine vertikale Anschlussgarnitur ohne Wärmezählervorbereitung ist montiert.

strawa Comfort Anschlussstation FBH-63-V-CA-E 9 Hkr.

1. Beschreibung:
Anschlussstation für Flächenheizung, im Aufputzschrank montierter Edelstahlverteiler mit regulierbaren Durchflussanzeigern und Ventileinsätzen (M30x1,5), vertikale Anschlussgarnitur ohne Wärmezählerverrohrung, vormontierte und vorverdrahtete Stellantriebe auf vormontierter Klemmleiste
2. Technische Daten:
- max. Volumenstrom: 2,14 m³/h
- max. Betriebstemperatur: 70 ° C
- max. Betriebsdruck: 4 bar
- Kvs-Wert pro Heizkreis: 1,07 m³/h
3. Bauteile:
3.1 Anschlussverteiler:
- Anschlussverteiler e-class 63
- Vor- und Rücklaufbalken aus profiliertem Edelstahlprofil DN 32
- SFEE-Ventil (Spül-, Füll- und Entleer- und Entlüftungsventil) im Vorlauf- und Rücklaufbalken
- Vorlaufbalken mit Regolux Durchflussanzeiger 0-3 l/min mit Memoryfunktion (Kvs=1,23 m³/h)
- Rücklaufbalken mit Ventileinsätzen VA mit Anschlussgewinde 30x1,5 (Kvs=2,56 m³/h)
- verzinkte Doppelwandhalter, Abstand der Vor- und Rücklaufverteilerbalken 200 mm
- Befestigungsschellen mit Schalldämmeinlage, erfüllt DIN 4109
- Flachdichtungen Centellen WS 3825 gelb
- selbstklebende Beschriftungsaufkleber für Räume mit Bezeichnung Raum und Durchfluss
3.2 Anschlussgarnitur:
- 2 Stück Kugelhahn DN 20 und 2 Stück 90°-Anschlusswinkel
3.3 Schrank:
- Comfort-AP-Schrank CA
- höhenverstellbare Füße bis 130 mm
- kompletter Schrank mit Stecktür in Weiß RAL 9016 und Drehriegel
- Tiefe: 125 mm
- Höhe: 710-840 mm
- Höhe von OKFFB: 710 mm
3.4 Antriebe:
- strawatherm Stellantriebe 230 V
- stromlos geschlossen
- mit Re-Open-Funktion
3.5 Klemmleiste:
- strawalogiX RT-STA Klemmleiste 230 V
- mit individueller Zuordnung der Stellantriebe zum Raumthermostat über das Wählrad
- individuelle Weitergabe von Zeitbefehlen oder Nachtabsenkung von Uhrenthermostaten an Raumthermostate über die Klemmleiste
- integriertes Pumpenmodul
- 2 bis 8 Heizkreise -> max. 6 Raumthermostate und 8 Stell- bzw. Regelantriebe -> strawalogiX RT6-STA8 Klemmleiste 230 V
- 9 bis 14 Heizkreise -> max. 8 Raumthermostate und 14 Stell- bzw. Regelantriebe -> strawalogiX RT8-STA16 Klemmleiste 230 V
4. Anschlüsse:
4.1 Heizung-Primäranschluss:
- links oder optional rechts, vertikal mit 3/4"IG
4.2 Heizung-Sekundäranschluss:
- Heizkreisabgänge mit Anschlussgewinde 3/4''AG mit Eurokonus, passend für Klemmverschraubungen
4.3 Elektroanschluss:
- bauseits muss ein abgesicherter Elektroanschluss 230 V vorgesehen werden
- für den Anschluss von Raumthermostaten muss bauseits ein Elektrokabel mit mindestens 4 Adern pro Raumthermostat vorgesehen werden

Abmessung (Breite x Höhe x Tiefe): 732 x 710 x 125 mm
Gewicht: 20,57 kg
EAN: 4061323080663
Warennummer: 84198998
Artikelnummer: 5203205309
Warengruppe: 520
URL: https://www.strawa.com/produkt/5203205309

Fabrikat: strawa Wärmetechnik GmbH
Telefon: +49 (0) 36256 8661-0
EMail: info@strawa.com
Technische Änderungen vorbehalten.
oder gleichwertig

Gewähltes Fabrikat und Typ: ...........................................
….....................................................................................
(vom Bieter auszufüllen)

zur Lieferung und betriebsfertigen Montage
________________________________________
Kostengruppe DIN 276 (2018-12) 422 Wärmeverteilnetze
Leistungsbereich STLB-Bau (2021-04) 041 Wärmeversorgungsanlagen - Leitungen, Armaturen, Heizflächen

Ausschreibungstexte

strawa Comfort Anschlussstation
FBH-63-V-CA-E 9 Hkr.
BxHxT: 732 x 710 x 125 mm
vertikale Anschlussgarnitur ohne
Wärmezählerverrohrung, Verteiler mit
Durchflussanzeiger 0-3 l/min im
Vorlaufbalken und
Thermostatventileinsatz M30x1,5 im
Rücklaufbalken, mit vormontierten
Stellantrieben und Klemmleiste mit
Vorverdrahtung, Comfort-Aufputz-Schrank
in RAL 9016

EAN: 4061323080663
Artikelnummer: 5203205309
Warengruppe: 520
Warennummer: 84198998

Hersteller: strawa Wärmetechnik GmbH
Telefon: +49 36256 8661-0
EMail: info@strawa.com
Technische Änderungen vorbehalten

Produkteigenschaften

Stammdaten

EinheitPCE

GTIN4061323080663

Listenpreis1.139,50 €

Mindesbestellmenge1

ArtikeltypSTD

Steuerrate19 %

HerkunftslandDE

Zolltarifnummer84198998

Standardversand (Tage)4

Elektrische BestandteileJa

Batteriegewicht (kg)0


Artikelabmessungen

Breite (mm)732

Höhe (mm)710

Tiefe (mm)125

Gewicht (kg)20,087

Verpackungsabmessungen

Breite (mm)770

Höhe (mm)135

Tiefe (mm)760

Gewicht (kg)21,062

Merkmale

Klassifizierung ETIM 9

Anschlussart Primärseite 2-rohrig

Geeignet für Kühlen Ja

Werkstoff rostfreier Stahl

Position primärer Anschluss unten

Primärer Anschluss Innengewinde (metrisch)

Nenndurchmesser primär 3/4 Zoll (20)

Rohraußendurchmesser primär -

Mit Ventilen am Primäranschluss Ja

Max. Kühlleistung primär (bei primärer dT = 7K) 13,2 kW

Max. Heizleistung (bei Primär dT = 20K) 37,7 kW

Mediumtemperatur (Dauerbetrieb) -10 - 70 °C

Primäre Drückdifferenz -

Max. Arbeitsdruck 4 bar

Mit Mischventil Nein

Erweiterbar Nein

Max. Anzahl zusätzlicher Heizkreise 0

Multi-Zonen-Verteiler Nein

Mit Temperaturbegrenzung Nein

Mit Rückschlagklappe Nein

Mit Umwälzpumpe Nein

Art der Pumpe (interne Pumpe) -

Druckstufe Artikel PN 4

Mit Regler Nein

Hydraulischer Abgleich statisch

Volumenstrommessung analog

Mit Thermometer Nein

Temperaturmessung Zufuhr ohne

Temperatue measurement Rücklauf ohne

Versorgungsspannung 230 V

Frequenz -

Leistungsaufnahme Betrieb -

Mit Entlüftung Ja

Mit Manometer Nein

Mit Füll-/Entleerungshahn Ja

Anzahl der Gruppen sekundär 9

Sekundärer Anschluss Eurokonus nach EN 16313

Nenndurchmesser sekundär 3/4 Zoll (20)

Rohraußendurchmesser sekundär -

Verschließbare Heizkreise Ja

Mit Durchflussanzeige Ja

Durchflussleistung 0 - 180 l/h

Mit thermischem Stellantrieb Ja

Hublänge Antrieb 4 mm

Mit Keramikventil Nein

Min. Druckdifferenz Sekundärvorlauf/-rücklauf -

Mit Wandbefestigungsbügel Nein

Breite 732 mm

Höhe 710 mm

Tiefe 125 mm

Mit Umbau Ja

Passendes Zubehör

Sie benötigen Informationen?

Unser Team berät Sie kompetent zu unseren Produkten oder hilft Ihnen bei Auslegungen und Bestellungen. Vereinbaren Sie hier einen Rückruf.

Kontakt