Ihre Anfrage
Gern erhalten Sie Informationen zu folgenden Produkten:
Artikel
Sie können vorher alle Produkte nochmal bearbeiten
Anfrage
Gern erhalten Sie Informationen zu folgenden Produkten:
Sie können vorher alle Produkte nochmal bearbeiten
Sie können vorher alle Produkte nochmal bearbeiten
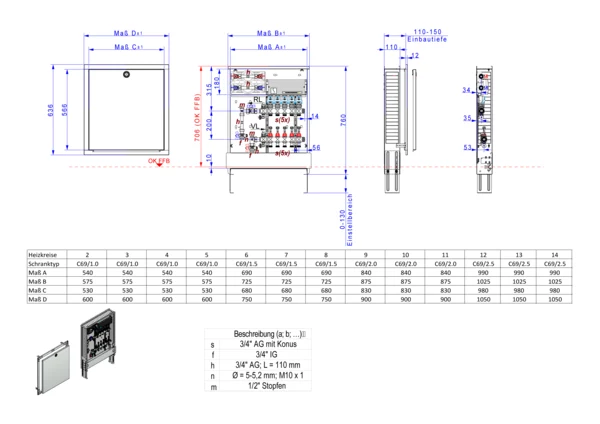
strawa Comfort Anschlussstation FBH-18-V-W2-WMZ-C69-EGO 13 Hkr.,BxHxT: 1050x775x122 mm, vert. AG m. WMZ, Verteiler m. DFA min/max+THV, m. vorm. EGO-Regelantr. u. Klemml. m. Vorverdr., Wasserzählerstr. TW kalt u. warm, CUP-Schrank m. Frontbl. RAL 9016
Artikelnummer: 5202407413
Warengruppe: 520
Listenpreis: 2.280,00 €
strawa Comfort Anschlussstation FBH-18-V-W2-WMZ-C69-EGO 13 Hkr.
Hersteller: strawa Wärmetechnik GmbH
Telefon: +49 (0) 36256 8661-0
E-Mail: info@strawa.com
Technische Änderungen vorbehalten.
oder gleichwertig
Gewähltes Fabrikat und Typ: ...........................................
….....................................................................................
(vom Bieter auszufüllen)
zur Lieferung und betriebsfertigen Montage
________________________________________
Kostengruppe DIN 276 (2018-12): 422 Wärmeverteilnetze
Leistungsbereich STLB-Bau (2021-04): 041 Wärmeversorgungsanlagen - Leitungen, Armaturen, Heizflächen
Ausschreibungstexte können Sie auch im strawa-Produktverzeichnis auf ausschreiben.de herunterladen.
strawa Comfort Anschlussstation
FBH-18-V-W2-WMZ-C69-EGO 13 Hkr.
vertikale Anschlussgarnitur mit Wärmezählerverohrung, Verteiler mit Durchflussanzeiger min/max+Thermostatventileinsatz, mit vormontierten EGO-Regelantrieben und Klemmleiste mit Vorverdrahtung, Wasserzählerstrecken Trinkwasser kalt und warm, Comfort-Unterputz-Schrank mit Frontblende RAL 9016
13 Heizkreise
Abmessung B x H x T:
1050 x 775 x 122 mm
Artikelgewicht: 30,462 kg
Werksartikelnummer: 5202407413
Warennummer: 84198998
Warengruppe: 520
Hersteller: strawa Wärmetechnik GmbH
Telefon: +49 (0) 36256 8661-0
E-Mail: info@strawa.com
Technische Änderungen vorbehalten.
oder gleichwertig
EinheitPCE
GTIN4061323097029
Listenpreis2.280,00 €
Mindesbestellmenge1
ArtikeltypStandard
HerkunftslandDeutschland
Zolltarifnummer84198998
Standardversand (Tage)3
Elektrische BestandteileJa
BatterieNein
Breite (mm)1025
Höhe (mm)760
Tiefe (mm)110
Gewicht (kg)30,462
Breite (mm)785
Höhe (mm)165
Tiefe (mm)1070
Gewicht (kg)32,512
Klassifizierung ETIM 9
Anschlussart Primärseite 2-rohrig
Geeignet für Kühlen ja
Werkstoff rostfreier Stahl
Position primärer Anschluss unten
Primärer Anschluss Innengewinde (metrisch)
Nenndurchmesser primär 3/4 Zoll (20)
Mit Ventilen am Primäranschluss ja
Max. Kühlleistung primär (bei primärer dT = 7K) 17.4 kW
Max. Heizleistung (bei Primär dT = 20K) 49.8 kW
Mediumtemperatur (Dauerbetrieb) 0 - 60 °C
Max. Arbeitsdruck 4 bar
Mit Mischventil nein
Erweiterbar nein
Max. Anzahl zusätzlicher Heizkreise 0
Multi-Zonen-Verteiler nein
Mit Temperaturbegrenzung ja
Mit Rückschlagklappe nein
Mit Umwälzpumpe nein
Druckstufe Artikel PN 4
Mit Regler nein
Hydraulischer Abgleich dynamisch
Volumenstrommessung analog
Mit Thermometer nein
Temperaturmessung Zufuhr digital
Temperatue measurement Rücklauf digital
Versorgungsspannung 230 V
Mit Entlüftung ja
Mit Manometer nein
Mit Füll-/Entleerungshahn ja
Anzahl der Gruppen sekundär 13
Sekundärer Anschluss Eurokonus nach EN 16313
Nenndurchmesser sekundär 3/4 Zoll (20)
Verschließbare Heizkreise ja
Mit Durchflussanzeige ja
Durchflussleistung 0 - 180 l/min
Mit thermischem Stellantrieb ja
Hublänge Antrieb 4 mm
Mit Keramikventil nein
Mit Wandbefestigungsbügel nein
Breite
Höhe
Tiefe
Mit Umbau ja
Ausschreibungstexte können Sie auch im strawa-Produktverzeichnis auf ausschreiben.de herunterladen.