Ihre Anfrage
Gern erhalten Sie Informationen zu folgenden Produkten:
Artikel
Sie können vorher alle Produkte nochmal bearbeiten
Anfrage
Gern erhalten Sie Informationen zu folgenden Produkten:
Sie können vorher alle Produkte nochmal bearbeiten
Sie können vorher alle Produkte nochmal bearbeiten
strawa Comfort Anschlussstation FBH-63-H-W2-WMZ-C80-E 7 Hkr.,BxHxT: 900x775x92 mm, horiz. AG. m. WMZ, Verteiler m. DFA 0-3l/min+THV M30x1,5, vorm. Stellantr.+Klemml. m. Vorverdraht., Wasserzählerstr. TW kalt u warm, CUP-Schrank m. Frontbl. in RAL9016
Artikelnummer: 5201307307
Warengruppe: 520
Listenpreis: 1.161,20 €
strawa Comfort Anschlussstation FBH-63-H-W2-WMZ-C80-E 7 Hkr.
Hersteller: strawa Wärmetechnik GmbH
Telefon: +49 (0) 36256 8661-0
E-Mail: info@strawa.com
Technische Änderungen vorbehalten.
oder gleichwertig
Gewähltes Fabrikat und Typ: ...........................................
….....................................................................................
(vom Bieter auszufüllen)
zur Lieferung und betriebsfertigen Montage
________________________________________
Kostengruppe DIN 276 (2018-12): 422 Wärmeverteilnetze
Leistungsbereich STLB-Bau (2021-04): 041 Wärmeversorgungsanlagen - Leitungen, Armaturen, Heizflächen
Ausschreibungstexte können Sie auch im strawa-Produktverzeichnis auf ausschreiben.de herunterladen.
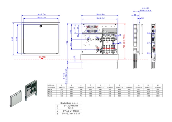
strawa Comfort Anschlussstation
FBH-63-H-W2-WMZ-C80-E 7 Hkr.
horizontale Anschlussgarnitur mit Wärmezählerverohrung, Verteiler mit Durchflussanzeiger 0-3 l/min im Vorlaufbalken und Thermostatventileinsatz M30x1,5 im Rücklaufbalken, vormontierte Stellantriebe und Klemmleiste mit Vorverdrahtung, Wasserzählerstrecken Trinkwasser kalt und warm, Comfort-Unterputz-Schrank mit Frontblende in RAL 9016
7 Heizkreise
Abmessung B x H x T:
900 x 775 x 92 mm
Artikelgewicht: 24,462 kg
Werksartikelnummer: 5201307307
Warennummer: 84198998
Warengruppe: 520
Hersteller: strawa Wärmetechnik GmbH
Telefon: +49 (0) 36256 8661-0
E-Mail: info@strawa.com
Technische Änderungen vorbehalten.
oder gleichwertig
EinheitPCE
GTIN4061323078288
Listenpreis1.161,20 €
Mindesbestellmenge1
ArtikeltypStandard
HerkunftslandDeutschland
Zolltarifnummer84198998
Standardversand (Tage)4
Elektrische BestandteileNein
BatterieNein
Breite (mm)875
Höhe (mm)760
Tiefe (mm)80
Gewicht (kg)24,462
Breite (mm)785
Höhe (mm)135
Tiefe (mm)910
Gewicht (kg)25,877
Klassifizierung ETIM 9
Anschlussart Primärseite 2-rohrig
Geeignet für Kühlen ja
Werkstoff rostfreier Stahl
Position primärer Anschluss links
Primärer Anschluss Innengewinde (metrisch)
Nenndurchmesser primär 3/4 Zoll (20)
Mit Ventilen am Primäranschluss ja
Max. Kühlleistung primär (bei primärer dT = 7K) 10.3 kW
Max. Heizleistung (bei Primär dT = 20K) 29.3 kW
Mediumtemperatur (Dauerbetrieb) -10 - 70 °C
Max. Arbeitsdruck 4 bar
Mit Mischventil nein
Erweiterbar nein
Max. Anzahl zusätzlicher Heizkreise 0
Multi-Zonen-Verteiler nein
Mit Temperaturbegrenzung nein
Mit Rückschlagklappe nein
Mit Umwälzpumpe nein
Druckstufe Artikel PN 4
Mit Regler nein
Hydraulischer Abgleich statisch
Volumenstrommessung analog
Mit Thermometer nein
Temperaturmessung Zufuhr ohne
Temperatue measurement Rücklauf ohne
Versorgungsspannung 230 V
Mit Entlüftung ja
Mit Manometer nein
Mit Füll-/Entleerungshahn ja
Anzahl der Gruppen sekundär 7
Sekundärer Anschluss Eurokonus nach EN 16313
Nenndurchmesser sekundär 3/4 Zoll (20)
Verschließbare Heizkreise ja
Mit Durchflussanzeige ja
Durchflussleistung 0 - 180 l/min
Mit thermischem Stellantrieb ja
Hublänge Antrieb 4 mm
Mit Keramikventil nein
Mit Wandbefestigungsbügel nein
Breite
Höhe
Tiefe
Mit Umbau ja
Ausschreibungstexte können Sie auch im strawa-Produktverzeichnis auf ausschreiben.de herunterladen.