Produktübersicht ausklappen

Produktübersicht

0

Anfrage

weitere Artikel anfragen

Ihre Anfrage

Gern erhalten Sie Informationen zu folgenden Produkten:

Artikel

Sie können vorher alle Produkte nochmal bearbeiten

Artikel

Sie können vorher alle Produkte nochmal bearbeiten

Produktbild

strawa Industrie- und Soleverteiler e-class 55-IG 3/4“ 2 Hkr.

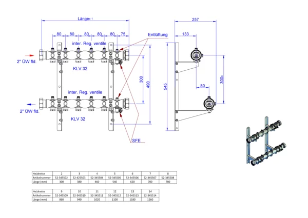
strawa Industrie- und Soleverteiler e-class 55-IG 3/4'' 2 Hkr.,BxHxT: 295x545x258 mm, integrierte Regulierventile im VL und RL, Spül-, Füll- und Entleerv. u Entlüftungsv. im VL + RL, Doppelwandhalter 300mm m. Schrauben u Dübeln

Artikelnummer: 52-345502

Warengruppe: 52

Listenpreis: 505,00 €

Anfragen/Merken

Sie können sich im nächsten Schritt für die ausgewählten Produkte alle Downloaddokumente zusammenstellen die Sie benötigen oder direkt eine Bestellanfrage stellen.

Beschreibung
Artikeldaten
Downloads
Zubehör
Beschreibung
Ausschreibungstext
Langtext

strawa Industrie- und Soleverteiler e-class 55-IG 3/4“ 2 Hkr.

strawa Industrie- und Soleverteiler e-class 55-IG 3/4'' 2 Hkr.

      1. Beschreibung:
        Der Anschlussverteiler für Flächenheizung, -kühlung und Soleanwendungen gewährleistet einen präzisen hydraulischen Abgleich der Heizkreise durch integrierte manuell einstellbare und absperrbare Regulierventile pro Heizkreis. 
      2. Einsatzbereich:
        • Heizwasser und Kühlwasser gemäß VDI 2035 bzw. ÖNORM H5195-1
        • Glykol-Wassermischung bis 50 %
      3. Bestandteile:
        1. Verteilerbalken:
          • Vor- und Rücklaufbalken aus profiliertem Edelstahlprofil DN 32, Material 1.4301
          • SFE-Ventil (Spül-, Füll- und Entleerventil) und Entlüftungsventil im Vorlauf- und Rücklaufbalken
          • Stutzenabstand 80 mm
          • Vorlauf- und Rücklaufbalken mit integriertem manuell einstellbarem und absperrbarem Regulierventil (Kvs=4,16 m³/h) pro Heizkreis
        2. Dichtungen:
          • Primärseite: Flachdichtungen
          • Sekundärseite: Flachdichtungen
        3. Befestigung:
          • zwei Doppelwandkonsolen, mit Schalldämmeinlage (erfüllt DIN 4109)
          • Abstand Vor- und Rücklaufbalken 300 mm
          • inklusive Schrauben und Dübel
      4. Technische Daten:
        • max. Betriebsdruck: 10 bar
        • max. Betriebstemperatur: 90 °C
        • max. Volumenstrom: 6,44 m³/h
      5. Anschlüsse:
        • Primärseite 2" Überwurfmutter flachdichtend
        • Sekundärseite 3/4" Innengewinde

Artikelspezifikation:
2 Heizkreise
Artikelabmessung: B x H x T: 295 x 545 x 258 mm
Artikelgewicht: 5,409 kg

Marke: strawa
Hersteller: strawa Wärmetechnik GmbH
Telefon: +49 (0) 36256 8661-0 
E-Mail: info@strawa.com
Technische Änderungen vorbehalten.

strawa Industrie- und Soleverteiler e-class 55-IG 3/4'' 2 Hkr.




      1. Beschreibung:
        Der Anschlussverteiler für Flächenheizung, -kühlung und Soleanwendungen gewährleistet einen präzisen hydraulischen Abgleich der Heizkreise durch integrierte manuell einstellbare und absperrbare Regulierventile pro Heizkreis.
      2. Einsatzbereich:
        • Heizwasser und Kühlwasser gemäß VDI 2035 bzw. ÖNORM H5195-1
        • Glykol-Wassermischung bis 50 %
      3. Bestandteile:

        1. Verteilerbalken:
          • Vor- und Rücklaufbalken aus profiliertem Edelstahlprofil DN 32, Material 1.4301
          • SFE-Ventil (Spül-, Füll- und Entleerventil) und Entlüftungsventil im Vorlauf- und Rücklaufbalken
          • Stutzenabstand 80 mm
          • Vorlauf- und Rücklaufbalken mit integriertem manuell einstellbarem und absperrbarem Regulierventil (Kvs=4,16 m³/h) pro Heizkreis
        2. Dichtungen:
          • Primärseite: Flachdichtungen
          • Sekundärseite: Flachdichtungen
        3. Befestigung:
          • zwei Doppelwandkonsolen, mit Schalldämmeinlage (erfüllt DIN 4109)
          • Abstand Vor- und Rücklaufbalken 300 mm
          • inklusive Schrauben und Dübel
      4. Technische Daten:
        • max. Betriebsdruck: 10 bar
        • max. Betriebstemperatur: 90 °C
        • max. Volumenstrom: 6,44 m³/h
      5. Anschlüsse:
        • Primärseite 2" Überwurfmutter flachdichtend
        • Sekundärseite 3/4" Innengewinde



Artikelspezifikation:
2 Heizkreise
Artikelabmessung: B x H x T: 295 x 545 x 258 mm
Artikelgewicht: 5,409 kg

GTIN: 4061323028917
Warennummer: 84818059
Werksartikelnummer: 52-345502
Warengruppe: 52
URL: https://www.strawa.com/produkt/52-345502

Marke: strawa

Hersteller: strawa Wärmetechnik GmbH
Telefon: +49 (0) 36256 8661-0
E-Mail: info@strawa.com
Technische Änderungen vorbehalten.
oder gleichwertig

Gewähltes Fabrikat und Typ: ...........................................
….....................................................................................
(vom Bieter auszufüllen)

zur Lieferung und betriebsfertigen Montage
________________________________________
Kostengruppe DIN 276 (2018-12): 422 Wärmeverteilnetze

Leistungsbereich STLB-Bau (2021-04): 041 Wärmeversorgungsanlagen - Leitungen, Armaturen, Heizflächen

Ausschreibungstexte

strawa Industrie- und Soleverteiler
e-class 55-IG 3/4'' 2 Hkr.

integrierte Regulierventile im Vor- und Rücklaufbalken, Spül-, Füll- und Entleerventil und Entlüftungsventil im Vor- und Rücklaufbalken, Doppelwandhalter 300mm mit Schrauben u Dübeln

2 Heizkreise
Abmessung B x H x T:
295 x 545 x 258 mm
Artikelgewicht: 5,409 kg
Werksartikelnummer: 52-345502
Warennummer: 84818059
Warengruppe: 52

Hersteller: strawa Wärmetechnik GmbH
Telefon: +49 (0) 36256 8661-0
E-Mail: info@strawa.com
Technische Änderungen vorbehalten.
oder gleichwertig

Logistische Daten
ETIM / Technische Daten

Produkteigenschaften

Stammdaten

EinheitPCE

GTIN4061323028917

Listenpreis505,00 €

Mindesbestellmenge1

ArtikeltypStandard

HerkunftslandDeutschland

Zolltarifnummer84818059

Standardversand (Tage)3

Elektrische BestandteileNein

BatterieNein

Artikelabmessungen

Breite (mm)295

Höhe (mm)545

Tiefe (mm)258

Gewicht (kg)5,409

Verpackungsabmessungen

Breite (mm)370

Höhe (mm)170

Tiefe (mm)650

Gewicht (kg)6,099

Merkmale

Klassifizierung ETIM 9

Geeignet für Leitungswasser nein

Geeignet für Heizungswasser ja

Geeignet für Kühlwasser ja

Geeignet für Pressluft nein

Geeignet für Glykol ja

Geeignet für Ethanol nein

Montageart Einbau

Ausführung Verteiler/Sammler

Werkstoff rostfreier Stahl

Werkstoffgüte Edelstahl 304 (1.4301)

Oberflächenschutz unbehandelt

Nenndurchmesser Anschluss 1 2 Zoll (50)

Form Endstück mit geraden Abzweigen

Anschluss 1 sonstige

Nenndurchmesser Anschluss 2 2 Zoll (50)

Anschluss 2 sonstige

Anzahl der Abzweige 2

Anzahl der Verzweigungsrichtungen 1

Nenndurchmesser Abzweigungen 3/4 Zoll (20)

Anschluss Abzweigungen Innengewinde (metrisch)

Abstand zwischen den Abzweigungen 80 mm

Unterschiedliche Abstände zwischen Abzweigungen nein

Druckstufe Artikel PN 6

Max. Mediumtemperatur (Dauerbetrieb) 90 °C

Systemgebunden nein

Mit Füll- und Entleerungshahn ja

Mit Absperrventil nein

Mit Entlüftung ja

Mit Wandbefestigungsbügel ja

Mit Befestigungsmaterial nein

Mit Füßen nein

Mit verstellbaren Bodenstützen nein

Mit Isolierung nein

Breite 295 mm

Höhe 545 mm

Tiefe 258 mm

Venturidüse ohne

Typenzulassung nach BBR/EKS nein

Sie benötigen Informationen?

Unser Team berät Sie kompetent zu unseren Produkten oder hilft Ihnen bei Auslegungen und Bestellungen. Vereinbaren Sie hier einen Rückruf.

Kontakt