Produktübersicht ausklappen

Produktübersicht

0

Anfrage

weitere Artikel anfragen

Ihre Anfrage

Gern erhalten Sie Informationen zu folgenden Produkten:

Artikel

Sie können vorher alle Produkte nochmal bearbeiten

Artikel

Sie können vorher alle Produkte nochmal bearbeiten

Produktbild

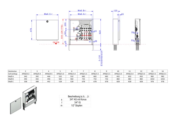
strawa FB-Anschlussstation H 63-AP-X 14 Hkr.

strawa FB-Anschlussstation H 63-AP-X 14 Hkr.,BxHxT: 1032x620x125 mm, vert. AG o. WMZ, Verteiler mit DFA 0-3 l/min + THV M30x1,5, vorm. Stellantr.+Klemml. m. Vorverdraht., Standard-AP-Schrank in RAL 9016

Artikelnummer: 50+506314X

Warengruppe: 50

Listenpreis: 1.468,50 €

Anfragen/Merken

Sie können sich im nächsten Schritt für die ausgewählten Produkte alle Downloaddokumente zusammenstellen die Sie benötigen oder direkt eine Bestellanfrage stellen.

Beschreibung
Artikeldaten
Downloads
Zubehör
Ersatzteile
Beschreibung
Ausschreibungstext
Langtext

strawa FB-Anschlussstation H 63-AP-X 14 Hkr.

strawa FB-Anschlussstation H 63-AP-X 14 Hkr.

      1. Beschreibung:
        Die Anschlussstation für Flächenheizung ist im Aufputz-Schrank montiert und umfasst einen Edelstahlverteiler mit regulierbaren Durchflussanzeigern und Ventileinsätzen (M30×1,5) sowie eine vertikale Anschlussgarnitur ohne Wärmezählerverrohrung. Die vormontierten und verdrahteten Stellantriebe sind auf einer montierten Klemmleiste installiert.
      2. Bestandteile:
        1. Anschlussverteiler:
          • Anschlussverteiler e-class 63
          • Vor- und Rücklaufbalken aus profiliertem Edelstahlprofil DN 32
          • SFEE-Ventil (Spül-, Füll-, Entleer- und Entlüftungsventil) im Vorlauf- und Rücklaufbalken
          • Vorlaufbalken mit Regolux Durchflussanzeiger 0–3 l/min mit Memoryfunktion (Kvs = 1,23 m³/h)
          • Rücklaufbalken mit Ventileinsätzen VA mit Anschlussgewinde 30×1,5 (Kvs = 2,56 m³/h)
          • verzinkte Doppelwandhalter, Abstand der Vor- und Rücklaufverteilerbalken 165 mm
          • Befestigungsschellen mit Schalldämmeinlage, erfüllt DIN 4109
          • Flachdichtungen
          • selbstklebende Beschriftungsaufkleber für Räume mit Bezeichnung Raum und Durchfluss
        2. Anschlussgarnitur:
          • 2 Stück Kugelhahn DN 20
          • 2 Stück 90°-Anschlusswinkel
        3. Schrank:
          • Standard-AP-Schrank A
          • höhenverstellbare Füße bis 130 mm
          • kompletter Schrank mit Stecktür in weiß RAL 9016 und Drehriegel
          • Tiefe: 125 mm
          • Höhe: 620–750 mm
          • Höhe von OKFFB: 620 mm
        4. Antriebe:
          • strawatherm Stellantriebe 230 V
          • stromlos geschlossen
          • mit Re-Open-Funktion
        5. Klemmleiste:
          • strawalogiX RT-STA Klemmleiste 230 V
          • mit individueller Zuordnung der Stellantriebe zum Raumthermostat über das Wählrad
          • individuelle Weitergabe von Zeitbefehlen oder Nachtabsenkung von Uhrenthermostaten an Raumthermostate über die Klemmleiste
          • integriertes Pumpenmodul
          • 2 bis 8 Heizkreise -> max. 6 Raumthermostate und 8 Stell- bzw. Regelantriebe -> strawalogiX RT6-STA8 Klemmleiste 230 V
          • 9 bis 14 Heizkreise -> max. 8 Raumthermostate und 14 Stell- bzw. Regelantriebe -> strawalogiX RT8-STA14 Klemmleiste 230 V
      3. Technische Daten:
        • max. Volumenstrom: 2,14 m³/h
        • max. Betriebstemperatur: 70 °C
        • max. Betriebsdruck: 4 bar
        • Kvs-Wert pro Heizkreis: 1,07 m³/h
      4. Anschlüsse:
        1. Heizung-Primäranschluss:
          • links oder optional rechts, vertikal mit 3/4" IG
        2. Heizung-Sekundäranschluss:
          • vertikale Heizkreisabgänge mit 3/4" AG mit Eurokonus, passend für Klemmverschraubungen
        3. Elektroanschluss:
          • bauseits muss ein abgesicherter Elektroanschluss 230 V vorgesehen werden
          • für den Anschluss von Raumthermostaten muss bauseits ein Elektrokabel mit mindestens 4 Adern pro Raumthermostat vorgesehen werden

Artikelspezifikation:
14 Heizkreise
Artikelabmessung: B x H x T: 1032 x 620 x 125 mm
Artikelgewicht: 24,116 kg

Marke: strawa
Hersteller: strawa Wärmetechnik GmbH
Telefon: +49 (0) 36256 8661-0 
E-Mail: info@strawa.com
Technische Änderungen vorbehalten.

strawa FB-Anschlussstation H 63-AP-X 14 Hkr.




      1. Beschreibung:
        Die Anschlussstation für Flächenheizung ist im Aufputz-Schrank montiert und umfasst einen Edelstahlverteiler mit regulierbaren Durchflussanzeigern und Ventileinsätzen (M30×1,5) sowie eine vertikale Anschlussgarnitur ohne Wärmezählerverrohrung. Die vormontierten und verdrahteten Stellantriebe sind auf einer montierten Klemmleiste installiert.
      2. Bestandteile:

        1. Anschlussverteiler:
          • Anschlussverteiler e-class 63
          • Vor- und Rücklaufbalken aus profiliertem Edelstahlprofil DN 32
          • SFEE-Ventil (Spül-, Füll-, Entleer- und Entlüftungsventil) im Vorlauf- und Rücklaufbalken
          • Vorlaufbalken mit Regolux Durchflussanzeiger 0–3 l/min mit Memoryfunktion (Kvs = 1,23 m³/h)
          • Rücklaufbalken mit Ventileinsätzen VA mit Anschlussgewinde 30×1,5 (Kvs = 2,56 m³/h)
          • verzinkte Doppelwandhalter, Abstand der Vor- und Rücklaufverteilerbalken 165 mm
          • Befestigungsschellen mit Schalldämmeinlage, erfüllt DIN 4109
          • Flachdichtungen
          • selbstklebende Beschriftungsaufkleber für Räume mit Bezeichnung Raum und Durchfluss
        2. Anschlussgarnitur:
          • 2 Stück Kugelhahn DN 20
          • 2 Stück 90°-Anschlusswinkel
        3. Schrank:
          • Standard-AP-Schrank A
          • höhenverstellbare Füße bis 130 mm
          • kompletter Schrank mit Stecktür in weiß RAL 9016 und Drehriegel
          • Tiefe: 125 mm
          • Höhe: 620–750 mm
          • Höhe von OKFFB: 620 mm
        4. Antriebe:
          • strawatherm Stellantriebe 230 V
          • stromlos geschlossen
          • mit Re-Open-Funktion
        5. Klemmleiste:
          • strawalogiX RT-STA Klemmleiste 230 V
          • mit individueller Zuordnung der Stellantriebe zum Raumthermostat über das Wählrad
          • individuelle Weitergabe von Zeitbefehlen oder Nachtabsenkung von Uhrenthermostaten an Raumthermostate über die Klemmleiste
          • integriertes Pumpenmodul
          • 2 bis 8 Heizkreise -> max. 6 Raumthermostate und 8 Stell- bzw. Regelantriebe -> strawalogiX RT6-STA8 Klemmleiste 230 V
          • 9 bis 14 Heizkreise -> max. 8 Raumthermostate und 14 Stell- bzw. Regelantriebe -> strawalogiX RT8-STA14 Klemmleiste 230 V
      3. Technische Daten:
        • max. Volumenstrom: 2,14 m³/h
        • max. Betriebstemperatur: 70 °C
        • max. Betriebsdruck: 4 bar
        • Kvs-Wert pro Heizkreis: 1,07 m³/h
      4. Anschlüsse:

        1. Heizung-Primäranschluss:
          • links oder optional rechts, vertikal mit 3/4" IG
        2. Heizung-Sekundäranschluss:
          • vertikale Heizkreisabgänge mit 3/4" AG mit Eurokonus, passend für Klemmverschraubungen
        3. Elektroanschluss:
          • bauseits muss ein abgesicherter Elektroanschluss 230 V vorgesehen werden
          • für den Anschluss von Raumthermostaten muss bauseits ein Elektrokabel mit mindestens 4 Adern pro Raumthermostat vorgesehen werden



Artikelspezifikation:
14 Heizkreise
Artikelabmessung: B x H x T: 1032 x 620 x 125 mm
Artikelgewicht: 24,116 kg

GTIN: 4061323011278
Warennummer: 84198998
Werksartikelnummer: 50+506314X
Warengruppe: 50
URL: https://www.strawa.com/produkt/50+506314X

Marke: strawa

Hersteller: strawa Wärmetechnik GmbH
Telefon: +49 (0) 36256 8661-0
E-Mail: info@strawa.com
Technische Änderungen vorbehalten.
oder gleichwertig

Gewähltes Fabrikat und Typ: ...........................................
….....................................................................................
(vom Bieter auszufüllen)

zur Lieferung und betriebsfertigen Montage
________________________________________
Kostengruppe DIN 276 (2018-12): 422 Wärmeverteilnetze

Leistungsbereich STLB-Bau (2021-04): 041 Wärmeversorgungsanlagen - Leitungen, Armaturen, Heizflächen

Ausschreibungstexte

strawa FB-Anschlussstation
H 63-AP-X 14 Hkr.

vertikale Anschlussgarnitur ohne Wärmezählerverrohrung, Verteiler mit Durchflussanzeiger 0-3 l/min im Vorlaufbalken und Thermostatventileinsatz M30x1,5 im Rücklaufbalken, vormontierte Stellantriebe und Klemmleiste mit Vorverdrahtung, Standard-Aufputz-Schrank in RAL 9016

14 Heizkreise
Abmessung B x H x T:
1032 x 620 x 125 mm
Artikelgewicht: 24,116 kg
Werksartikelnummer: 50+506314X
Warennummer: 84198998
Warengruppe: 50

Hersteller: strawa Wärmetechnik GmbH
Telefon: +49 (0) 36256 8661-0
E-Mail: info@strawa.com
Technische Änderungen vorbehalten.
oder gleichwertig

Logistische Daten
ETIM / Technische Daten

Produkteigenschaften

Stammdaten

EinheitPCE

GTIN4061323011278

Listenpreis1.468,50 €

Mindesbestellmenge1

ArtikeltypStandard

HerkunftslandDeutschland

Zolltarifnummer84198998

Standardversand (Tage)4

Elektrische BestandteileJa

BatterieNein

Artikelabmessungen

Breite (mm)1032

Höhe (mm)620

Tiefe (mm)125

Gewicht (kg)24,116

Verpackungsabmessungen

Breite (mm)670

Höhe (mm)135

Tiefe (mm)1070

Gewicht (kg)25,716

Merkmale

Klassifizierung ETIM 9

Anschlussart Primärseite 2-rohrig

Geeignet für Kühlen ja

Werkstoff rostfreier Stahl

Position primärer Anschluss unten

Primärer Anschluss Innengewinde (metrisch)

Nenndurchmesser primär 3/4 Zoll (20)

Mit Ventilen am Primäranschluss ja

Max. Kühlleistung primär (bei primärer dT = 7K) 17.4 kW

Max. Heizleistung (bei Primär dT = 20K) 49.8 kW

Mediumtemperatur (Dauerbetrieb) -10 - 70 °C

Max. Arbeitsdruck 4 bar

Mit Mischventil nein

Erweiterbar nein

Max. Anzahl zusätzlicher Heizkreise 0

Multi-Zonen-Verteiler nein

Mit Temperaturbegrenzung nein

Mit Rückschlagklappe nein

Mit Umwälzpumpe nein

Druckstufe Artikel PN 4

Mit Regler nein

Hydraulischer Abgleich statisch

Volumenstrommessung analog

Mit Thermometer nein

Temperaturmessung Zufuhr ohne

Temperatue measurement Rücklauf ohne

Versorgungsspannung 230 V

Mit Entlüftung ja

Mit Manometer nein

Mit Füll-/Entleerungshahn ja

Anzahl der Gruppen sekundär 14

Sekundärer Anschluss Eurokonus nach EN 16313

Nenndurchmesser sekundär 3/4 Zoll (20)

Verschließbare Heizkreise ja

Mit Durchflussanzeige ja

Durchflussleistung 0 - 180 l/h

Mit thermischem Stellantrieb ja

Hublänge Antrieb 4 mm

Mit Keramikventil nein

Mit Wandbefestigungsbügel nein

Breite

Höhe

Tiefe

Mit Umbau ja

Passendes Zubehör

Sie benötigen Informationen?

Unser Team berät Sie kompetent zu unseren Produkten oder hilft Ihnen bei Auslegungen und Bestellungen. Vereinbaren Sie hier einen Rückruf.

Kontakt