Produktübersicht ausklappen

Produktübersicht

0

Anfrage

weitere Artikel anfragen

Ihre Anfrage

Gern erhalten Sie Informationen zu folgenden Produkten:

Artikel

Sie können vorher alle Produkte nochmal bearbeiten

Artikel

Sie können vorher alle Produkte nochmal bearbeiten

Produktbild

strawa FB-Anschlussstation H 53-AP 12 Hkr.

strawa FB-Anschlussstation H 53-AP 12 Hkr.,BxHxT: 1032x620x125 mm, vert. AG o. WMZ, Verteiler mit Regulierventil + THV M30x1,5, Standard-AP-Schrank in RAL 9016

Artikelnummer: 50+505312

Warengruppe: 50

Listenpreis: 827,00 €

Anfragen/Merken

Sie können sich im nächsten Schritt für die ausgewählten Produkte alle Downloaddokumente zusammenstellen die Sie benötigen oder direkt eine Bestellanfrage stellen.

Beschreibung
Artikeldaten
Downloads
Zubehör
Ersatzteile
Beschreibung
Ausschreibungstext
Langtext

strawa FB-Anschlussstation H 53-AP 12 Hkr.

strawa FB-Anschlussstation H 53-AP 12 Hkr.




      1. Beschreibung:
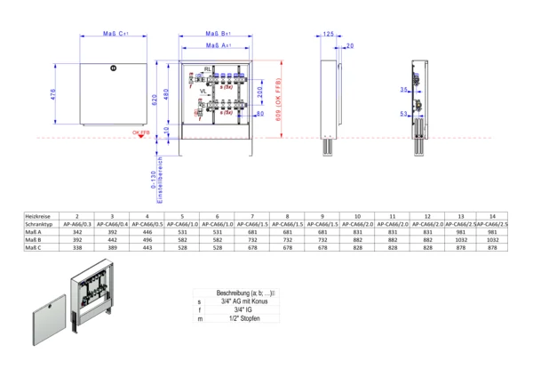
        Die Anschlussstation für Flächenheizung und -kühlung ist im Aufputz-Schrank montiert und umfasst einen Edelstahlverteiler mit integrierten Regulierventilen und Ventileinsätzen (M30×1,5) sowie eine vertikale Anschlussgarnitur ohne Wärmezählerverrohrung. Es gibt Platzhaltungen für eine Klemmleiste und Stellantriebe.
      2. Bestandteile:

        1. Anschlussverteiler:
          • Anschlussverteiler e-class 53
          • Vor- und Rücklaufbalken aus profiliertem Edelstahlprofil DN 32
          • SFE-Ventil (Spül-, Füll- und Entleerventil) und Entlüftungsventil im Vorlauf- und Rücklaufbalken
          • Vorlaufbalken mit integrierten Regulierventilen mit Memoryfunktion (Kvs = 2,88 m³/h)
          • Rücklaufbalken mit Ventileinsätzen VA mit Anschlussgewinde 30×1,5 (Kvs = 2,56 m³/h)
          • verzinkte Doppelwandhalter, Abstand der Vor- und Rücklaufverteilerbalken 200 mm
          • Befestigungsschellen mit Schalldämmeinlage, erfüllt DIN 4109
          • Flachdichtungen Centellen WS 3825 gelb
          • selbstklebende Beschriftungsaufkleber für Räume mit Bezeichnung Raum und Durchfluss
        2. Anschlussgarnitur:
          • 2 Stück Kugelhahn DN 20
          • 2 Stück 90°-Anschlusswinkel
        3. Schrank:
          • Standard-AP-Schrank A
          • höhenverstellbare Füße bis 130 mm
          • kompletter Schrank mit Stecktür in weiß RAL 9016 und Drehriegel
          • Tiefe: 125 mm
          • Höhe: 620–750 mm
          • Höhe von OKFFB: 620 mm
      3. Technische Daten:
        • max. Volumenstrom: 2,14 m³/h
        • max. Betriebstemperatur: 70 °C
        • max. Betriebsdruck: 4 bar
        • Kvs-Wert pro Heizkreis: 1,07 m³/h
      4. Anschluesse:

        1. Heizung-Primäranschluss:
          • links oder optional rechts, vertikal mit 3/4" IG
        2. Heizung-Sekundäranschluss:
          • vertikale Heizkreisabgänge mit 3/4" AG mit Eurokonus, passend für Klemmverschraubungen
        3. Elektroanschluss:
          • bauseits muss ein abgesicherter Elektroanschluss 230 V vorgesehen werden
          • für den Anschluss von Raumthermostaten muss bauseits ein Elektrokabel mit mindestens 4 Adern pro Raumthermostat vorgesehen werden



Artikelspezifikation:
12 Heizkreise
Artikelabmessung: B x H x T: 1032 x 620 x 125 mm
Artikelgewicht: 18,162 kg

Marke: strawa
Hersteller: strawa Wärmetechnik GmbH
Telefon: +49 (0) 36256 8661-0 
E-Mail: info@strawa.com
Technische Änderungen vorbehalten.
oder gleichwertig

strawa FB-Anschlussstation H 53-AP 12 Hkr.




      1. Beschreibung:
        Die Anschlussstation für Flächenheizung und -kühlung ist im Aufputz-Schrank montiert und umfasst einen Edelstahlverteiler mit integrierten Regulierventilen und Ventileinsätzen (M30×1,5) sowie eine vertikale Anschlussgarnitur ohne Wärmezählerverrohrung. Es gibt Platzhaltungen für eine Klemmleiste und Stellantriebe.
      2. Bestandteile:

        1. Anschlussverteiler:
          • Anschlussverteiler e-class 53
          • Vor- und Rücklaufbalken aus profiliertem Edelstahlprofil DN 32
          • SFE-Ventil (Spül-, Füll- und Entleerventil) und Entlüftungsventil im Vorlauf- und Rücklaufbalken
          • Vorlaufbalken mit integrierten Regulierventilen mit Memoryfunktion (Kvs = 2,88 m³/h)
          • Rücklaufbalken mit Ventileinsätzen VA mit Anschlussgewinde 30×1,5 (Kvs = 2,56 m³/h)
          • verzinkte Doppelwandhalter, Abstand der Vor- und Rücklaufverteilerbalken 200 mm
          • Befestigungsschellen mit Schalldämmeinlage, erfüllt DIN 4109
          • Flachdichtungen Centellen WS 3825 gelb
          • selbstklebende Beschriftungsaufkleber für Räume mit Bezeichnung Raum und Durchfluss
        2. Anschlussgarnitur:
          • 2 Stück Kugelhahn DN 20
          • 2 Stück 90°-Anschlusswinkel
        3. Schrank:
          • Standard-AP-Schrank A
          • höhenverstellbare Füße bis 130 mm
          • kompletter Schrank mit Stecktür in weiß RAL 9016 und Drehriegel
          • Tiefe: 125 mm
          • Höhe: 620–750 mm
          • Höhe von OKFFB: 620 mm
      3. Technische Daten:
        • max. Volumenstrom: 2,14 m³/h
        • max. Betriebstemperatur: 70 °C
        • max. Betriebsdruck: 4 bar
        • Kvs-Wert pro Heizkreis: 1,07 m³/h
      4. Anschluesse:

        1. Heizung-Primäranschluss:
          • links oder optional rechts, vertikal mit 3/4" IG
        2. Heizung-Sekundäranschluss:
          • vertikale Heizkreisabgänge mit 3/4" AG mit Eurokonus, passend für Klemmverschraubungen
        3. Elektroanschluss:
          • bauseits muss ein abgesicherter Elektroanschluss 230 V vorgesehen werden
          • für den Anschluss von Raumthermostaten muss bauseits ein Elektrokabel mit mindestens 4 Adern pro Raumthermostat vorgesehen werden



Artikelspezifikation:
12 Heizkreise
Artikelabmessung: B x H x T: 1032 x 620 x 125 mm
Artikelgewicht: 18,162 kg

GTIN: 4061323010714
Warennummer: 84198998
Werksartikelnummer: 50+505312
Warengruppe: 50
URL: https://www.strawa.com/produkt/50+505312

Marke: strawa

Hersteller: strawa Wärmetechnik GmbH
Telefon: +49 (0) 36256 8661-0 
E-Mail: info@strawa.com
Technische Änderungen vorbehalten.
oder gleichwertig

Gewähltes Fabrikat und Typ: ...........................................
….....................................................................................
(vom Bieter auszufüllen)

zur Lieferung und betriebsfertigen Montage
________________________________________
Kostengruppe DIN 276 (2018-12):  422 Wärmeverteilnetze

Leistungsbereich STLB-Bau (2021-04): 041 Wärmeversorgungsanlagen - Leitungen, Armaturen, Heizflächen

Ausschreibungstexte

strawa FB-Anschlussstation
H 53-AP 12 Hkr.

vertikale Anschlussgarnitur ohne Wärmezählerverrohrung, Verteiler mit Regulierventilen im Vorlaufbalken und Thermostatventileinsätzen M30x1,5 im Rücklaufbalken, Standard-Aufputz-Schrank in RAL 9016

12 Heizkreise
Abmessung B x H x T:
1032 x 620 x 125 mm
Artikelgewicht: 18,162 kg
Werksartikelnummer: 50+505312
Warennummer: 84198998
Warengruppe: 50

Hersteller: strawa Wärmetechnik GmbH
Telefon: +49 (0) 36256 8661-0 
E-Mail: info@strawa.com
Technische Änderungen vorbehalten.
oder gleichwertig

Logistische Daten
ETIM / Technische Daten

Produkteigenschaften

Stammdaten

EinheitPCE

GTIN4061323010714

Listenpreis827,00 €

Mindesbestellmenge1

ArtikeltypStandard

HerkunftslandDeutschland

Zolltarifnummer84198998

Standardversand (Tage)3

Elektrische BestandteileJa

BatterieNein

Artikelabmessungen

Breite (mm)1032

Höhe (mm)620

Tiefe (mm)125

Gewicht (kg)18,162

Verpackungsabmessungen

Breite (mm)670

Höhe (mm)135

Tiefe (mm)910

Gewicht (kg)19,762

Merkmale

Klassifizierung ETIM 9

Anschlussart Primärseite 2-rohrig

Geeignet für Kühlen ja

Werkstoff rostfreier Stahl

Position primärer Anschluss unten

Primärer Anschluss Innengewinde (metrisch)

Nenndurchmesser primär 3/4 Zoll (20)

Mit Ventilen am Primäranschluss ja

Max. Kühlleistung primär (bei primärer dT = 7K) 17.4 kW

Max. Heizleistung (bei Primär dT = 20K) 49.8 kW

Mediumtemperatur (Dauerbetrieb) -10 - 70 °C

Max. Arbeitsdruck 4 bar

Mit Mischventil nein

Erweiterbar nein

Max. Anzahl zusätzlicher Heizkreise 0

Multi-Zonen-Verteiler nein

Mit Temperaturbegrenzung nein

Mit Rückschlagklappe nein

Mit Umwälzpumpe nein

Druckstufe Artikel PN 4

Mit Regler nein

Hydraulischer Abgleich statisch

Volumenstrommessung ohne

Mit Thermometer nein

Temperaturmessung Zufuhr ohne

Temperatue measurement Rücklauf ohne

Versorgungsspannung 230 V

Mit Entlüftung ja

Mit Manometer nein

Mit Füll-/Entleerungshahn ja

Anzahl der Gruppen sekundär 12

Sekundärer Anschluss Eurokonus nach EN 16313

Nenndurchmesser sekundär 3/4 Zoll (20)

Verschließbare Heizkreise ja

Mit Durchflussanzeige nein

Durchflussleistung 0 - 300 l/min

Mit thermischem Stellantrieb nein

Hublänge Antrieb 4 mm

Mit Keramikventil nein

Mit Wandbefestigungsbügel nein

Breite

Höhe

Tiefe

Mit Umbau ja

Sie benötigen Informationen?

Unser Team berät Sie kompetent zu unseren Produkten oder hilft Ihnen bei Auslegungen und Bestellungen. Vereinbaren Sie hier einen Rückruf.

Kontakt