Ihre Anfrage
Gern erhalten Sie Informationen zu folgenden Produkten:
Artikel
Sie können vorher alle Produkte nochmal bearbeiten
Anfrage
Gern erhalten Sie Informationen zu folgenden Produkten:
Sie können vorher alle Produkte nochmal bearbeiten
Sie können vorher alle Produkte nochmal bearbeiten
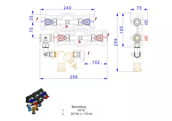
strawa Wasserzählereinbaustrecken W2-Z-H-D,BxHxT: 299x259x93 mm, f. Wasserzähler Trinkwasser kalt und warm 3/4" Länge 110 mm, Zirkulationsventil NexusValve TW DN 15 50-60 Grad, Anschluss horiz., mit EPP-Dämmung, Montage in Standard-Schränke 69, 80, A
Artikelnummer: 50-000212
Warengruppe: 50
Listenpreis: 529,30 €
Die Wasserzählereinbaustrecke mit Absperrungen für Trinkwasser kalt und warm mit Zirkulationsventil ist für den bauseitigen Einbau in Standard-Anschlussstationen bzw. Standard-Schränke vorgesehen.
Sie kann in die Stationen bzw. Schränke horizontal sowie auch vertikal montiert werden.
Die Wasserzählerstrecken bestehen aus einem Wasserzählerdistanzstück 3/4" Länge 110 mm und vor bzw. hinter dem Distanzrohr jeweils ein 3/4" Kugelhahn,
zusätzlich ist vor dem Kugelhahn ein T-Stück mit Bogen und einem fachdichtenden Anschluss als 3/4" Überwurfmutter ein Zirkulationsventil Flamco NexusValve TW DN 15 50-60°C verbaut.
Die Wasserzählerstrecken sind auf schallentkoppelten Schellen und einer EPP-Dämmung gemäß GEG montiert.
Für den Einbau in Standartd-Stationen und Standard-Schränke.
strawa Wasserzählereinbaustrecken W2-Z-H-D
Hersteller: strawa Wärmetechnik GmbH
Telefon: +49 (0) 36256 8661-0
E-Mail: info@strawa.com
Technische Änderungen vorbehalten.
oder gleichwertig
Gewähltes Fabrikat und Typ: ...........................................
….....................................................................................
(vom Bieter auszufüllen)
zur Lieferung und betriebsfertigen Montage
________________________________________
Kostengruppe DIN 276 (2018-12): 412 Wasseranlagen
Leistungsbereich STLB-Bau (2021-04): 042 Gas- und Wasseranlagen - Leitungen, Armaturen
Ausschreibungstexte können Sie auch im strawa-Produktverzeichnis auf ausschreiben.de herunterladen.
strawa Wasserzählereinbaustrecken
W2-Z-H-D
für Wasserzähler Trinkwasser kalt und warm 3/4" Länge 110 mm, mit Zirkulationsventil NexusValve TW DN 15 50-60 Grad C DN15 Anschluss horiz., mit EPP-Dämmung, Montage in Standard-Schränke 69, 80, A
Abmessung B x H x T:
299 x 259 x 93 mm
Artikelgewicht: 2,594 kg
Werksartikelnummer: 50-000212
Warennummer: 84818059
Warengruppe: 50
Hersteller: strawa Wärmetechnik GmbH
Telefon: +49 (0) 36256 8661-0
E-Mail: info@strawa.com
Technische Änderungen vorbehalten.
oder gleichwertig
EinheitPCE
GTIN4061323014804
Listenpreis529,30 €
Mindesbestellmenge1
ArtikeltypStandard
HerkunftslandDeutschland
Zolltarifnummer84818059
Standardversand (Tage)3
Elektrische BestandteileJa
BatterieNein
Breite (mm)299
Höhe (mm)259
Tiefe (mm)93
Gewicht (kg)2,594
Breite (mm)195
Höhe (mm)85
Tiefe (mm)380
Gewicht (kg)2,769
Klassifizierung ETIM 9
Art des Zubehörs/Ersatzteils sonstige
Zubehör ja
Ersatzteil nein
Ausschreibungstexte können Sie auch im strawa-Produktverzeichnis auf ausschreiben.de herunterladen.