Produktübersicht ausklappen

Produktübersicht

0

Anfrage

weitere Artikel anfragen

Ihre Anfrage

Gern erhalten Sie Informationen zu folgenden Produkten:

Artikel

Sie können vorher alle Produkte nochmal bearbeiten

Artikel

Sie können vorher alle Produkte nochmal bearbeiten

Produktbild

strawa Friwara smart GTA2-HT-CU-AP-SB1

strawa Friwara smart GTA2-HT-CU-AP-SB1,BxHxT: 470x793x170 mm, Leistungsstufe 2 max. 70 kW, mit kupfergelötetem PWÜ, mit Abdeckhaube und Abdeckblech für Schutzbereich 1

Artikelnummer: 3900000106

Warengruppe: 390

Listenpreis: 2.099,20 €

Anfragen/Merken

Sie können sich im nächsten Schritt für die ausgewählten Produkte alle Downloaddokumente zusammenstellen die Sie benötigen oder direkt eine Bestellanfrage stellen.

Beschreibung
Artikeldaten
Downloads
Beschreibung
Ausschreibungstext
Langtext

strawa Friwara smart GTA2-HT-CU-AP-SB1

strawa Friwara smart GTA2-HT-CU-AP-SB1




      1. Beschreibung:
        Die Friwara Gasthermenaustauschstation GTA-HT-SB1 ist für den Austausch von Kombi-Gasthermen in Bestandsbauten gedacht. Durch die fast identische Anordnung der Trinkwasseranschlüsse an der Station, ist ein Austausch und der Neuanschluss durch flexible Anschlussschläuche und weiteres Zubehör einfach und schnell realisierbar. Der vorhandene, aber nicht mehr benötigte Schornstein kann hierbei als Zuleitungsschacht für die Wärmeversorgung der Stationen umfunktioniert werden. Der Stationsumfang ist für eine Aufstellung im Schutzbereich 1 konzipiert.

        Funktionsweise:



          1. Trinkwassererwärmung:
            Die Friwara Gasthermenaustauschstation GTA-HT-SB1 funktioniert im Durchlaufprinzip und sorgt für eine stetige, komfortable und hygienisch einwandfreie Warmwasserversorgung. Die Erwärmung des Trinkwassers erfolgt ausschließlich bei Bedarf über einen verbauten Plattenwärmeübertrager aus Edelstahl. Durch die thermische Länge des Übertragers wird eine rasche Auskühlung und eine niedrige Rücklauftemperatur garantiert. Die Regelung der am Regler vorgegebenen Warmwassertemperatur, erfolgt durch ein Zusammenspiel aus Volumenstromsensor, Temperaturfühlern und Umschaltventil. Der Volumenstrom wird durch die zentrale primärseitige Pumpe bereitgestellt. Der elektronische Spezialregler gewährleistet auch bei schwankenden Vorlauftemperaturen die exakte Einhaltung der Trinkwarmwassertemperatur. Der primärseitige Versorgerkreis wird über das Umschaltventil nur dann geöffnet, wenn die Station einen Warmwasserbedarf erkennt. Das Umschaltventil kann mit hoher Präzision über den kompletten Ventilhub den Volumenstrom nach Bedarf anpassen. Nach Beendigung des Zapfvorgangs wird das Umschaltventil sofort geschlossen. Für den Einbau vom Wärmezähler ist ein Distanzstück im Heizungsrücklauf der Station vorgesehen.
          2. Versorgung der statischen Heizflächen:
            Im Vor- und Rücklauf der Station sind Abgänge installiert, über die zusätzlich die statischen Heizflächen (Heizkörper) versorgt werden. Im Vorlauf ist ein integriertes Regulierventil verbaut, über das der statische Heizkreis hydraulisch abgeglichen werden kann. Im Rücklauf ist ein Zonenventil mit einem Stellantrieb 230 V für eine Zonenregelung verbaut. Die Versorgung der statischen Heizflächen wird, über die im primärseitigen Versorgerkreis verbaute Pumpe realisiert, in der Station ist dafür keine Pumpe vorgesehen. Optional kann im Rücklauf des Statischen Heizkreis ein zusätzlicher Schmutzfänger und ein Rücklauftemperaturbegrenzungsventil als Baugruppe montiert werden. Somit kann die Station in Bestandsanlagen vor Schmutz geschützt werden und die Rücklauftemperatur kann begrenzt werden.

      2. Vorteile:
        • Warmwassertemperatur von 45 °C bis 60 °C wählbar
        • einfache Montage und Wartung
        • konstante Zapftemperatur durch die elektronische Friwara-smart-Regelung
        • alle Komponenten aus einer Hand bzw. in einer komplexen Station
        • komfortable Möglichkeit zur Wärmezählung im Wohnbaubereich
        • druckgeprüft
        • alle trinkwasserführenden Bauteile entsprechen den Richtlinien des DVGW
      3. Bestandteile:

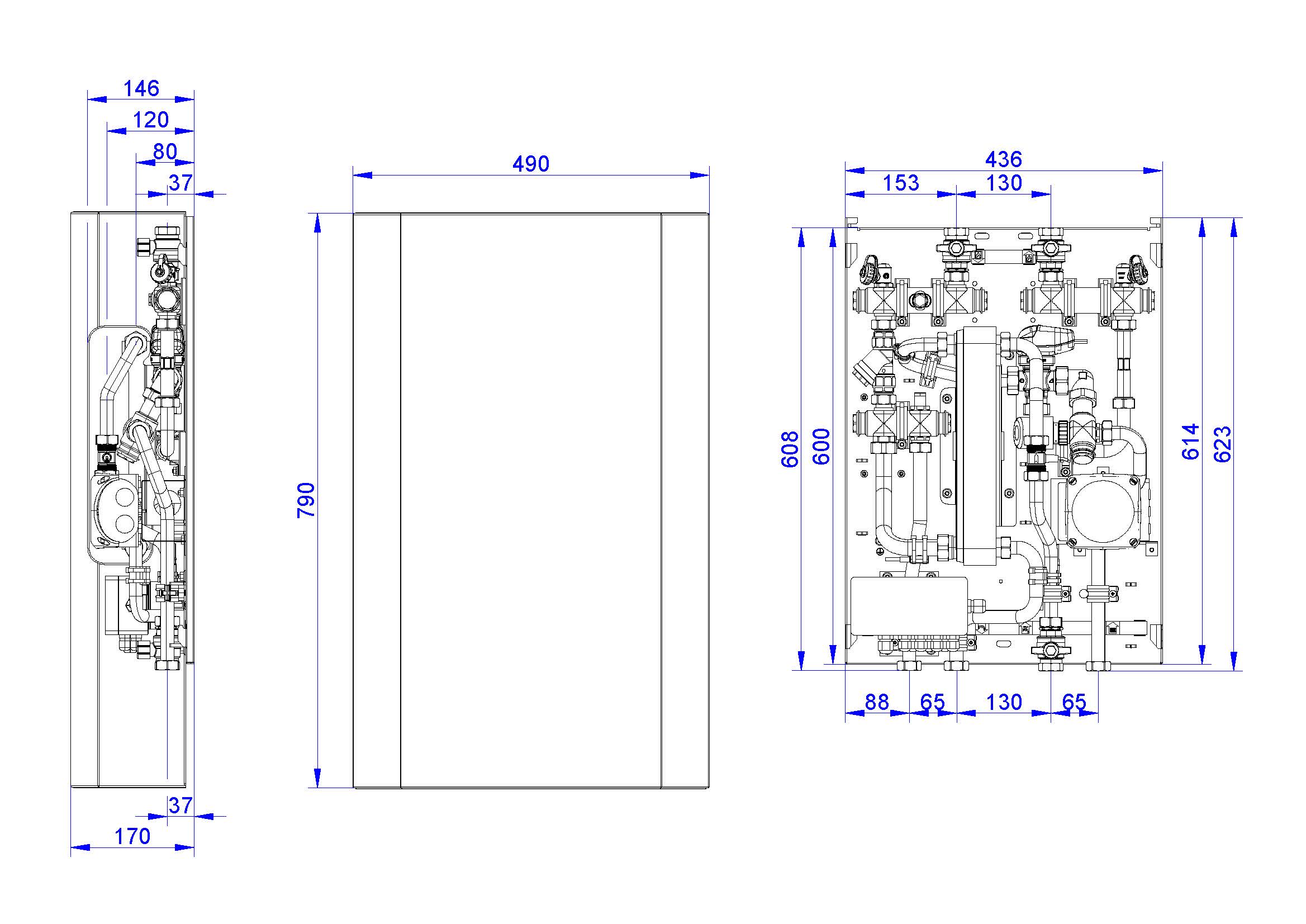
        1. Montageplatte mit Abdeckhaube und Abdeckblechen oben und unten
          • Montageplatte aus feuerverzinktem Stahlblech
          • Abdeckhaube und Abdeckbleche aus verzinktem Stahlblech und komplett in weiß RAL 9016
          • alle Halterungen mit Gummieinlage
          • Maße: B x H x T: 490 x 790 x 158 mm
        2. Anschlüsse:
          • Sekundär-Rücklauf, ohne Kugelhahn, 3/4" ÜW fld., nach unten
          • Trinkwasser warm, ohne Kugelhahn, 3/4" ÜW fld., nach unten
          • Eingang Trinkwasser kalt, mit Kugelhahn DN 20 3/4" IG, nach unten
          • Sekundär-Vorlauf, ohne Kugelhahn, 3/4" ÜW fld., nach unten
          • Primär-Vorlauf, mit Kugelhahn DN 20 3/4" IG, nach oben
          • Primär-Rücklauf mit Kugelhahn DN 20 3/4" IG, nach oben
          • Kugelhähne DN20 (Sekundäranschluss 3/4“ IG)
        3. Frischwassermodul:

          1. Heizungsseite:
            • Plattenwärmeübertrager aus VA (PWÜ) kupfergelötet (Cu)
            • Umschaltventil zur Umschaltung Trinkwasserbereitung oder Heizungsbetrieb
            • Wärmezählerpassstück 3/4“ AG fld. (Länge 110 mm)
            • empfohlen wird ein Ultraschall-Wärmemengenzähler (genauere Zählung / geringerer Druckverlust)
            • Fühlereinbaustück direktfühlend Ø 5-5,2 mm M10x1 IG (für Fabrikate Ista Sensonic, Allmess V-Lite, Pollux Com E, Techem delta tech, Minol M, Rossweiner, ABB, Entex, Molline)
            • Schmutzfänger im Primär-Vorlauf und nachrüstbar im Sekundär-Rücklauf
            • Integriertes Regulierventil im Sekundär-Vorlauf
            • Zonenventil mit Stellantrieb 230 V im Sekundär-Rücklauf
            • Verrohrungsmaterial Edelstahl 1.4301 (DIN EN 10088)
          2. Trinkwasserseite:
            • Plattenwärmeübertrager
            • Impulsgeber
            • Verrohrungsmaterial Edelstahl 1.4401 (DIN EN 10088)
          3. Frischwasserregler:
            • Friwara smart Frischwasserregler Schutzart IP65
            • Trinkwarmwassertemperatur einstellbar von 45 °C bis 60 °C, laut DIN 1988, VDI 2072, VDI 6003 sind Zapftemperaturen unter 50 °C nicht zulässig!
            • Komfortschaltung für Warmhaltung des Plattenwärmeübertragers
          4. Optionales Zubehör:
            • edelstahlgelöteter Plattenwärmeübertrager
            • Rohrdämmung VL und TWK
            • Abdeckhaube Erweiterung RAL 9016
            • flexibles Anschluss-Set 3/4" Länge 110 bis 180 mm
            • Doppelnippel-Set 3/4“ AG fld. (4 Stück)
            • Reduzier-Set 3/4“ AG x1/2“ IG (2 Stück)
            • Anschlusskugelhahn-Set 3/4“ SVL-WW-SRL (3 Stück)
            • Umrüst-Set Rohrstück mit RTB und Schmutzfänger

      4. Technische Daten:

        1. Primärseite:
          • max. Temperatur 75 °C, Empfehlung liegt bei 60 °C zum Schutz des PWÜ gegen Verkalkung
          • max. Prüfdruck 6 bar
          • max. Betriebsdruck 4 bar
          • max. Leistung des Plattenwärmeübertragers modellabhängig
          LS2 bis 70 kW (Friwara smart GTA2-HT-SB1)
          • max. Druckverlust modellabhängig 600 mbar (ohne Wärmemengenzähler)
          • max. Massenstrom ca. 1300 l/h
        2. Trinkwassererwärmung:
          • max. Zapftemperatur 60 °C
          • max. Prüfdruck 15 bar
          • max. Betriebsdruck 10 bar
          • max. Leistung des Plattenwärmeübertragers modellabhängig
          LS2 bis 70 kW (Friwara smart GTA2-HT-SB1)
          • max. Druckverlust modellabhängig 620 mbar (ohne Wasserzähler)
        3. Systemparameter:
          Leistungsstufe LS2 (Friwara smart GTA2-HT-SB1)
          • Versorgungsleistung: 70 kW
          • Versorgungstemperatur VL/RL: 65/19 °C
          • Versorgungsdurchfluss: 1300 l/h
          • Temperaturen Trinkwasser WW/KW: 50/10 °C
          • Zapfleistung Trinkwasser: 25 l/min

        Trinkwasserleistung:

          • Leistungsstufe 2 (LS2) bis 70 kW (Friwara smart GTA2-HT-SB1)



Artikelspezifikation:

Artikelabmessung: B x H x T: 470 x 793 x 170 mm
Artikelgewicht: 14,68 kg

Marke: strawa
Hersteller: strawa Wärmetechnik GmbH
Telefon: +49 (0) 36256 8661-0 
E-Mail: info@strawa.com
Technische Änderungen vorbehalten.

strawa Friwara smart GTA2-HT-CU-AP-SB1




      1. Beschreibung:
        Die Friwara Gasthermenaustauschstation GTA-HT-SB1 ist für den Austausch von Kombi-Gasthermen in Bestandsbauten gedacht. Durch die fast identische Anordnung der Trinkwasseranschlüsse an der Station, ist ein Austausch und der Neuanschluss durch flexible Anschlussschläuche und weiteres Zubehör einfach und schnell realisierbar. Der vorhandene, aber nicht mehr benötigte Schornstein kann hierbei als Zuleitungsschacht für die Wärmeversorgung der Stationen umfunktioniert werden. Der Stationsumfang ist für eine Aufstellung im Schutzbereich 1 konzipiert.

        Funktionsweise:



          1. Trinkwassererwärmung:
            Die Friwara Gasthermenaustauschstation GTA-HT-SB1 funktioniert im Durchlaufprinzip und sorgt für eine stetige, komfortable und hygienisch einwandfreie Warmwasserversorgung. Die Erwärmung des Trinkwassers erfolgt ausschließlich bei Bedarf über einen verbauten Plattenwärmeübertrager aus Edelstahl. Durch die thermische Länge des Übertragers wird eine rasche Auskühlung und eine niedrige Rücklauftemperatur garantiert. Die Regelung der am Regler vorgegebenen Warmwassertemperatur, erfolgt durch ein Zusammenspiel aus Volumenstromsensor, Temperaturfühlern und Umschaltventil. Der Volumenstrom wird durch die zentrale primärseitige Pumpe bereitgestellt. Der elektronische Spezialregler gewährleistet auch bei schwankenden Vorlauftemperaturen die exakte Einhaltung der Trinkwarmwassertemperatur. Der primärseitige Versorgerkreis wird über das Umschaltventil nur dann geöffnet, wenn die Station einen Warmwasserbedarf erkennt. Das Umschaltventil kann mit hoher Präzision über den kompletten Ventilhub den Volumenstrom nach Bedarf anpassen. Nach Beendigung des Zapfvorgangs wird das Umschaltventil sofort geschlossen. Für den Einbau vom Wärmezähler ist ein Distanzstück im Heizungsrücklauf der Station vorgesehen.
          2. Versorgung der statischen Heizflächen:
            Im Vor- und Rücklauf der Station sind Abgänge installiert, über die zusätzlich die statischen Heizflächen (Heizkörper) versorgt werden. Im Vorlauf ist ein integriertes Regulierventil verbaut, über das der statische Heizkreis hydraulisch abgeglichen werden kann. Im Rücklauf ist ein Zonenventil mit einem Stellantrieb 230 V für eine Zonenregelung verbaut. Die Versorgung der statischen Heizflächen wird, über die im primärseitigen Versorgerkreis verbaute Pumpe realisiert, in der Station ist dafür keine Pumpe vorgesehen. Optional kann im Rücklauf des Statischen Heizkreis ein zusätzlicher Schmutzfänger und ein Rücklauftemperaturbegrenzungsventil als Baugruppe montiert werden. Somit kann die Station in Bestandsanlagen vor Schmutz geschützt werden und die Rücklauftemperatur kann begrenzt werden.

      2. Vorteile:
        • Warmwassertemperatur von 45 °C bis 60 °C wählbar
        • einfache Montage und Wartung
        • konstante Zapftemperatur durch die elektronische Friwara-smart-Regelung
        • alle Komponenten aus einer Hand bzw. in einer komplexen Station
        • komfortable Möglichkeit zur Wärmezählung im Wohnbaubereich
        • druckgeprüft
        • alle trinkwasserführenden Bauteile entsprechen den Richtlinien des DVGW
      3. Bestandteile:

        1. Montageplatte mit Abdeckhaube und Abdeckblechen oben und unten
          • Montageplatte aus feuerverzinktem Stahlblech
          • Abdeckhaube und Abdeckbleche aus verzinktem Stahlblech und komplett in weiß RAL 9016
          • alle Halterungen mit Gummieinlage
          • Maße: B x H x T: 490 x 790 x 158 mm
        2. Anschlüsse:
          • Sekundär-Rücklauf, ohne Kugelhahn, 3/4" ÜW fld., nach unten
          • Trinkwasser warm, ohne Kugelhahn, 3/4" ÜW fld., nach unten
          • Eingang Trinkwasser kalt, mit Kugelhahn DN 20 3/4" IG, nach unten
          • Sekundär-Vorlauf, ohne Kugelhahn, 3/4" ÜW fld., nach unten
          • Primär-Vorlauf, mit Kugelhahn DN 20 3/4" IG, nach oben
          • Primär-Rücklauf mit Kugelhahn DN 20 3/4" IG, nach oben
          • Kugelhähne DN20 (Sekundäranschluss 3/4“ IG)
        3. Frischwassermodul:

          1. Heizungsseite:
            • Plattenwärmeübertrager aus VA (PWÜ) kupfergelötet (Cu)
            • Umschaltventil zur Umschaltung Trinkwasserbereitung oder Heizungsbetrieb
            • Wärmezählerpassstück 3/4“ AG fld. (Länge 110 mm)
            • empfohlen wird ein Ultraschall-Wärmemengenzähler (genauere Zählung / geringerer Druckverlust)
            • Fühlereinbaustück direktfühlend Ø 5-5,2 mm M10x1 IG (für Fabrikate Ista Sensonic, Allmess V-Lite, Pollux Com E, Techem delta tech, Minol M, Rossweiner, ABB, Entex, Molline)
            • Schmutzfänger im Primär-Vorlauf und nachrüstbar im Sekundär-Rücklauf
            • Integriertes Regulierventil im Sekundär-Vorlauf
            • Zonenventil mit Stellantrieb 230 V im Sekundär-Rücklauf
            • Verrohrungsmaterial Edelstahl 1.4301 (DIN EN 10088)
          2. Trinkwasserseite:
            • Plattenwärmeübertrager
            • Impulsgeber
            • Verrohrungsmaterial Edelstahl 1.4401 (DIN EN 10088)
          3. Frischwasserregler:
            • Friwara smart Frischwasserregler Schutzart IP65
            • Trinkwarmwassertemperatur einstellbar von 45 °C bis 60 °C, laut DIN 1988, VDI 2072, VDI 6003 sind Zapftemperaturen unter 50 °C nicht zulässig!
            • Komfortschaltung für Warmhaltung des Plattenwärmeübertragers
          4. Optionales Zubehör:
            • edelstahlgelöteter Plattenwärmeübertrager
            • Rohrdämmung VL und TWK
            • Abdeckhaube Erweiterung RAL 9016
            • flexibles Anschluss-Set 3/4" Länge 110 bis 180 mm
            • Doppelnippel-Set 3/4“ AG fld. (4 Stück)
            • Reduzier-Set 3/4“ AG x1/2“ IG (2 Stück)
            • Anschlusskugelhahn-Set 3/4“ SVL-WW-SRL (3 Stück)
            • Umrüst-Set Rohrstück mit RTB und Schmutzfänger

      4. Technische Daten:

        1. Primärseite:
          • max. Temperatur 75 °C, Empfehlung liegt bei 60 °C zum Schutz des PWÜ gegen Verkalkung
          • max. Prüfdruck 6 bar
          • max. Betriebsdruck 4 bar
          • max. Leistung des Plattenwärmeübertragers modellabhängig
          LS2 bis 70 kW (Friwara smart GTA2-HT-SB1)
          • max. Druckverlust modellabhängig 600 mbar (ohne Wärmemengenzähler)
          • max. Massenstrom ca. 1300 l/h
        2. Trinkwassererwärmung:
          • max. Zapftemperatur 60 °C
          • max. Prüfdruck 15 bar
          • max. Betriebsdruck 10 bar
          • max. Leistung des Plattenwärmeübertragers modellabhängig
          LS2 bis 70 kW (Friwara smart GTA2-HT-SB1)
          • max. Druckverlust modellabhängig 620 mbar (ohne Wasserzähler)
        3. Systemparameter:
          Leistungsstufe LS2 (Friwara smart GTA2-HT-SB1)
          • Versorgungsleistung: 70 kW
          • Versorgungstemperatur VL/RL: 65/19 °C
          • Versorgungsdurchfluss: 1300 l/h
          • Temperaturen Trinkwasser WW/KW: 50/10 °C
          • Zapfleistung Trinkwasser: 25 l/min

        Trinkwasserleistung:

          • Leistungsstufe 2 (LS2) bis 70 kW (Friwara smart GTA2-HT-SB1)



Artikelspezifikation:

Artikelabmessung: B x H x T: 470 x 793 x 170 mm
Artikelgewicht: 14,68 kg

GTIN: 4061323176625
Warennummer: 84191900
Werksartikelnummer: 3900000106
Warengruppe: 390
URL: https://www.strawa.com/produkt/3900000106

Marke: strawa
Hersteller: strawa Wärmetechnik GmbH
Telefon: +49 (0) 36256 8661-0 
E-Mail: info@strawa.com
Technische Änderungen vorbehalten.
oder gleichwertig

Gewähltes Fabrikat und Typ: ...........................................
….....................................................................................
(vom Bieter auszufüllen)

zur Lieferung und betriebsfertigen Montage
________________________________________
Kostengruppe DIN 276 (2018-12): 412 Wasseranlagen
Leistungsbereich STLB-Bau (2021-04): 041 Wärmeversorgungsanlagen - Leitungen, Armaturen, Heizflächen

Ausschreibungstexte

strawa Friwara smart GTA2-HT-CU-AP-SB1
Abmessung B x H x T:
470 x 793 x 170 mm
Artikelgewicht: 14,68 kg
Werksartikelnummer: 3900000106
Warennummer: 84191900
Warengruppe: 390 

Hersteller: strawa Wärmetechnik GmbH
Telefon: +49 (0) 36256 8661-0 
E-Mail: info@strawa.com
Technische Änderungen vorbehalten.

Produkteigenschaften

Stammdaten

EinheitPCE

GTIN4061323176625

Listenpreis2.099,20 €

Mindesbestellmenge1

ArtikeltypStandard

HerkunftslandDeutschland

Zolltarifnummer84191900

Standardversand (Tage)10

Elektrische BestandteileJa

BatterieNein

Artikelabmessungen

Breite (mm)470

Höhe (mm)793

Tiefe (mm)170

Gewicht (kg)14,68

Verpackungsabmessungen

Breite (mm)800

Höhe (mm)520

Tiefe (mm)220

Gewicht (kg)17,05

Sie benötigen Informationen?

Unser Team berät Sie kompetent zu unseren Produkten oder hilft Ihnen bei Auslegungen und Bestellungen. Vereinbaren Sie hier einen Rückruf.

Kontakt